电脑桌面
添加小米粒文库到电脑桌面
安装后可以在桌面快捷访问

最新建筑工程质量评估报告范本

最新建筑工程质量评估报告范本_第1页
1/9
最新建筑工程质量评估报告范本_第2页
2/9
最新建筑工程质量评估报告范本_第3页
3/9
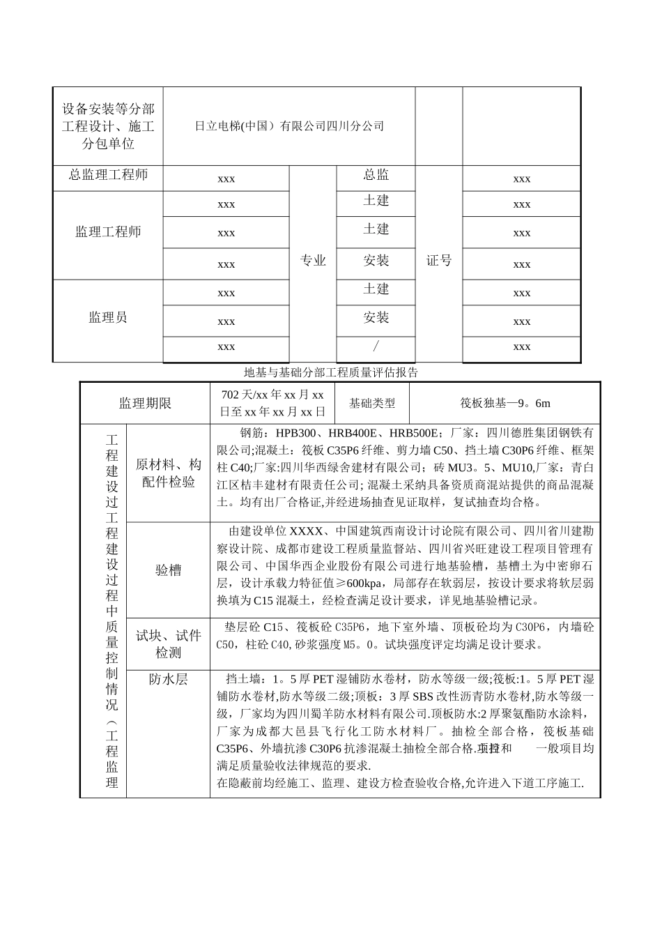
JL-A014 XXXXX 工程 1#楼单位工程质量评估报告主要内容:工程概况工程各参建单位工程质量验收情况工程质量事故及其处理情况竣工资料审查情况工程质量评估结论总监理工程师(签字): 单位技术负责人(签字):监理单位(印章):编制日期:年月日四川省住房和城乡建设厅制工 程 概 况工程名称XXXX 工程工程地址XXXX工程规模XXXX 平方米开工日期XX 年 XX 月 XX 日竣工日期XX 年 XX 月 XX 日施工许可证号xxxxx施工图审查批准书号xxxxx建设单位XXXXX勘察单位四川省川建勘察设计院资质等级甲级设计单位中国建筑西南设计讨论院甲级施工单位中国华西企业股份有限公司特级检测机构四川华曦建设工程质量检测有限公司设备安装等分部工程设计、施工分包单位日立电梯(中国)有限公司四川分公司总监理工程师xxx专业总监证号xxx监理工程师xxx土建xxxxxx土建xxxxxx安装xxx监理员xxx土建xxxxxx安装xxxxxx/xxx地基与基础分部工程质量评估报告监理期限702 天/xx 年 xx 月 xx日至 xx 年 xx 月 xx 日基础类型筏板独基—9。6m工程建设过工程建设过程中质量控制情况(工程监理原材料、构配件检验钢筋:HPB300、HRB400E、HRB500E;厂家:四川德胜集团钢铁有限公司;混凝土:筏板 C35P6 纤维、剪力墙 C50、挡土墙 C30P6 纤维、框架柱 C40;厂家:四川华西绿舍建材有限公司;砖 MU3。5、MU10,厂家:青白江区桔丰建材有限责任公司; 混凝土采纳具备资质商混站提供的商品混凝土。均有出厂合格证,并经进场抽查见证取样,复试抽查均合格。验槽由建设单位 XXXX、中国建筑西南设计讨论院有限公司、四川省川建勘察设计院、成都市建设工程质量监督站、四川省兴旺建设工程项目管理有限公司、中国华西企业股份有限公司进行地基验槽,基槽土为中密卵石层,设计承载力特征值≥600kpa,局部存在软弱层,按设计要求将软层弱换填为 C15 混凝土,经检查满足设计要求,详见地基验槽记录。试块、试件检测 垫层砼 C15、筏板砼 C35P6,地下室外墙、顶板砼均为 C30P6,内墙砼C50,柱砼 C40,砂浆强度 M5。0。试块强度评定均满足设计要求。防水层 挡土墙:1。5 厚 PET 湿铺防水卷材,防水等级一级;筏板:1。5 厚 PET 湿铺防水卷材,防水等级二级;顶板:3 厚 SBS 改性沥青防水卷材,防水等级一级,厂家均为四川蜀羊防水材料有限公司.顶板防水:2 厚聚氨酯防水涂料,厂家为成都大邑县飞行化工防水材料厂。抽检全部合格,筏板基础C35P6、外墙抗渗 C30P...

1、当您付费下载文档后,您只拥有了使用权限,并不意味着购买了版权,文档只能用于自身使用,不得用于其他商业用途(如 [转卖]进行直接盈利或[编辑后售卖]进行间接盈利)。
2、本站所有内容均由合作方或网友上传,本站不对文档的完整性、权威性及其观点立场正确性做任何保证或承诺!文档内容仅供研究参考,付费前请自行鉴别。
3、如文档内容存在违规,或者侵犯商业秘密、侵犯著作权等,请点击“违规举报”。

碎片内容

最新建筑工程质量评估报告范本

确认删除?
VIP
微信客服
  • 扫码咨询
会员Q群
  • 会员专属群点击这里加入QQ群
客服邮箱
回到顶部