电脑桌面
添加小米粒文库到电脑桌面
安装后可以在桌面快捷访问

最新水利工程监理月报表

最新水利工程监理月报表_第1页
1/8
最新水利工程监理月报表_第2页
2/8
最新水利工程监理月报表_第3页
3/8
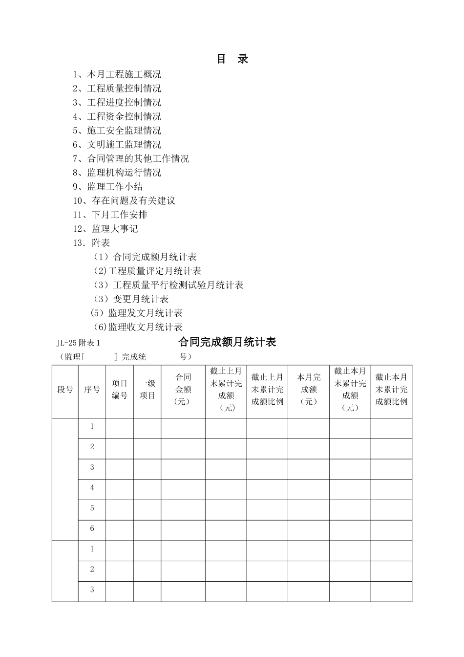
JL25监理月报(监理[ ]月报号) 年第期年月日至年月日工 程 名 称:发 包 人:监 理 机 构:总监理工程师:日 期:年月日目 录1、本月工程施工概况2、工程质量控制情况3、工程进度控制情况4、工程资金控制情况5、施工安全监理情况6、文明施工监理情况7、合同管理的其他工作情况8、监理机构运行情况9、监理工作小结10、存在问题及有关建议11、下月工作安排12、监理大事记13.附表(1)合同完成额月统计表(2)工程质量评定月统计表(3)工程质量平行检测试验月统计表(3)变更月统计表(5)监理发文月统计表(6)监理收文月统计表JL-25 附表 1 合同完成额月统计表(监理[ ]完成统 号)段号序号项目编号一级项目合同金额(元)截止上月末累计完成额(元)截止上月末累计完成额比例本月完成额(元)截止本月末累计完成额(元)截止本月末累计完成额比例123456123456监理机构: 总监理工程师/监理工程师 日 期: 年 月 日说明:1。本表一式份,由监理机构填写。2。本表中的项目编号是指合同工程量清单的项目编号。JL25 附表 2 工程质量评定月统计表(监理[ ]评定统 号)序号标段名称单位工程分部工程单元工程备注合同工程单位工程个数本月评定个数截至本月末累计评定个数截至本月末累计评定比例合同工程分部工程个数本月评定个数截至本月末累计评定个数截至本月末累计评定比例合同工程分部工程个数本月评定个数截止本月末累计评定个数截至本月末累计评定比例123456监 理 机 构:(名称及盖章)总监理工程师:(签名)/监理工程师:日期:年月日说明:本表一式份,由监理机构填写. JL25 附表 3 工程质量平行检测试验月统计表 (监理[ ]平行统 号)合同名称: 合同编号: 标段序号单位工程名称及编号工程部位平行检测日期平行检测内容检测结果检测机构1234567812345678监 理 机 构:(名称及盖章)总监理工程师:(签名)/监理工程师:日期 : 年 月 日说明:本表一式份,由监理机构填写。JL25 附表 4 变更月统计表 (监理[ ]变更统 号)合同名称: 合同编号: 标段序号变更项目名称/编号变更文件、图号变更内容价格变化工期影响实施情况备 注1234567812345688监 理 机 构:(名称及盖章)总监理工程师:/监理工程师:(签名)年 月 日说明:本表一式份,由监理机构填写。JL25 附表 5 监理发文月统计表 (监理[ ]发文统 号) 标段序号文号文件名称发送单位抄送单位签发日期备注123456781234567...

1、当您付费下载文档后,您只拥有了使用权限,并不意味着购买了版权,文档只能用于自身使用,不得用于其他商业用途(如 [转卖]进行直接盈利或[编辑后售卖]进行间接盈利)。
2、本站所有内容均由合作方或网友上传,本站不对文档的完整性、权威性及其观点立场正确性做任何保证或承诺!文档内容仅供研究参考,付费前请自行鉴别。
3、如文档内容存在违规,或者侵犯商业秘密、侵犯著作权等,请点击“违规举报”。

碎片内容

最新水利工程监理月报表

您可能关注的文档

确认删除?
VIP
微信客服
  • 扫码咨询
会员Q群
  • 会员专属群点击这里加入QQ群
客服邮箱
回到顶部