电脑桌面
添加小米粒文库到电脑桌面
安装后可以在桌面快捷访问

2025年一级建造师考试水利水电工程案例分析十一VIP专享

2025年一级建造师考试水利水电工程案例分析十一_第1页
1/6
2025年一级建造师考试水利水电工程案例分析十一_第2页
2/6
2025年一级建造师考试水利水电工程案例分析十一_第3页
3/6
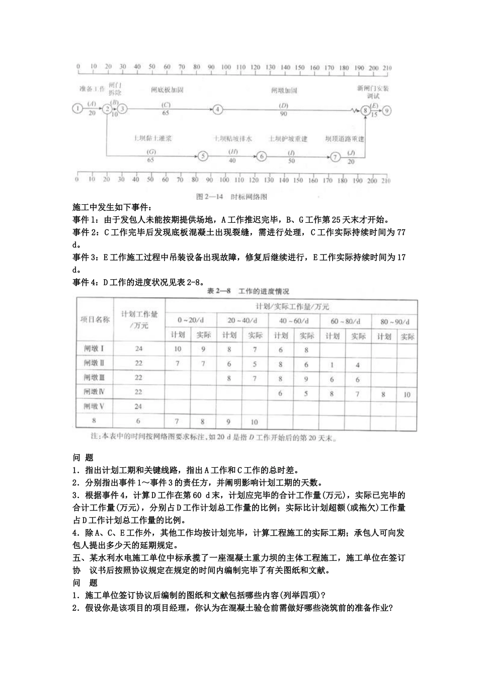
一级建造师考试水利水电工程案例分析四一、某堤防工程项目,施工总承包单位编制了施工组织设计和施工进度计划,经监理单位同意后执行。 问 题 1.水利水电工程施工组织设计文献的编制原则是什么? 2.水利水电施工总布置应着重研究的内容有哪些?3.在工程投标和施工阶段,施工单位编制的施工组织设计应当包括哪些内容?二、某水电工程项目,业主与监理单位签订了施工阶段监理协议,与承包方签订了工程施工协议。施工协议规定:设备由业主供应,其他建筑材料由承包方采购。施工过程中,承包方事先未经监理工程师同意,订购了一批钢材,钢材运抵施工现场后,监理工程师进行了检查,检查中监理工程师发现承包方未能提交该批材料的产品合格证、质量保证书和材质化验单,且这批材料外观质量不好。业主经与设计单位约定,对重要装饰石料指定了材质、颜色和样品,并向承包方推荐了厂家,承包方与生产厂家签订了购货协议。厂家将石料按协议采购量送达现场,进场时经检查该批材料颜色有部分不符合规定,监理工程师告知承包方该批材料不得使用。承包方规定厂家将不符合规定的石料退换,厂家规定承包方支付退货运费,承包方不一样意支付,厂家规定业主在应付承包方工程款中扣除上述费用 问 题 1.对上述钢材质量问题监理工程师应怎样处理,为何? 2.(1)业主指定石料材质、颜色和样品与否合理?(2)监理工程师进行现场检查,对不符合规定的石料告知不许使用与否合理,为何? (3)承包方规定退换不符合规定的石料与否合理,为何?(4)厂家规定承包方支付退货运费,业主代扣退货运费款与否合理,为何?(5)石料退货的经济损失应由谁承担,为何?三、某水闸建筑在砂质壤土地基上,水闸每孔净宽 8 m,共 3 孔,采用平板闸门,闸门采用一台门式启闭机启闭,闸墩厚度为 2 m,因闸室的总宽度较小,故不分缝。闸底板的总宽度为 30 m, 净宽为 24 m,底板顺水流方向长度为 20 m。施工中发现由于平板闸门主轨、侧轨安装出现严 重偏差,发生了质量事故。 问 题 1.根据《水利工程质量事故处理暂行规定》,进行质量事故处理的基本规定是什么? 2.根据《水利工程质量事故处理暂行规定》,工程质量事故怎样分类?分类的根据是什么? 3.工程采用的是门式启闭机,安装时应注意哪些方面?4.平板闸门的安装工艺一般包括哪几种?四、某水库除险加固工程内容有:(1)溢洪道的闸墩与底板加固,闸门更换;(2)土坝黏土灌浆、贴坡排水、护坡和坝顶道路重建。施工项目部根...

1、当您付费下载文档后,您只拥有了使用权限,并不意味着购买了版权,文档只能用于自身使用,不得用于其他商业用途(如 [转卖]进行直接盈利或[编辑后售卖]进行间接盈利)。
2、本站所有内容均由合作方或网友上传,本站不对文档的完整性、权威性及其观点立场正确性做任何保证或承诺!文档内容仅供研究参考,付费前请自行鉴别。
3、如文档内容存在违规,或者侵犯商业秘密、侵犯著作权等,请点击“违规举报”。

碎片内容

2025年一级建造师考试水利水电工程案例分析十一

您可能关注的文档

枕上诗书+ 关注
实名认证
内容提供者

该用户很懒,什么也没介绍

确认删除?
VIP
微信客服
  • 扫码咨询
会员Q群
  • 会员专属群点击这里加入QQ群
客服邮箱
回到顶部