电脑桌面
添加小米粒文库到电脑桌面
安装后可以在桌面快捷访问

服务器加电测试表格

服务器加电测试表格_第1页
1/53
服务器加电测试表格_第2页
2/53
服务器加电测试表格_第3页
3/53
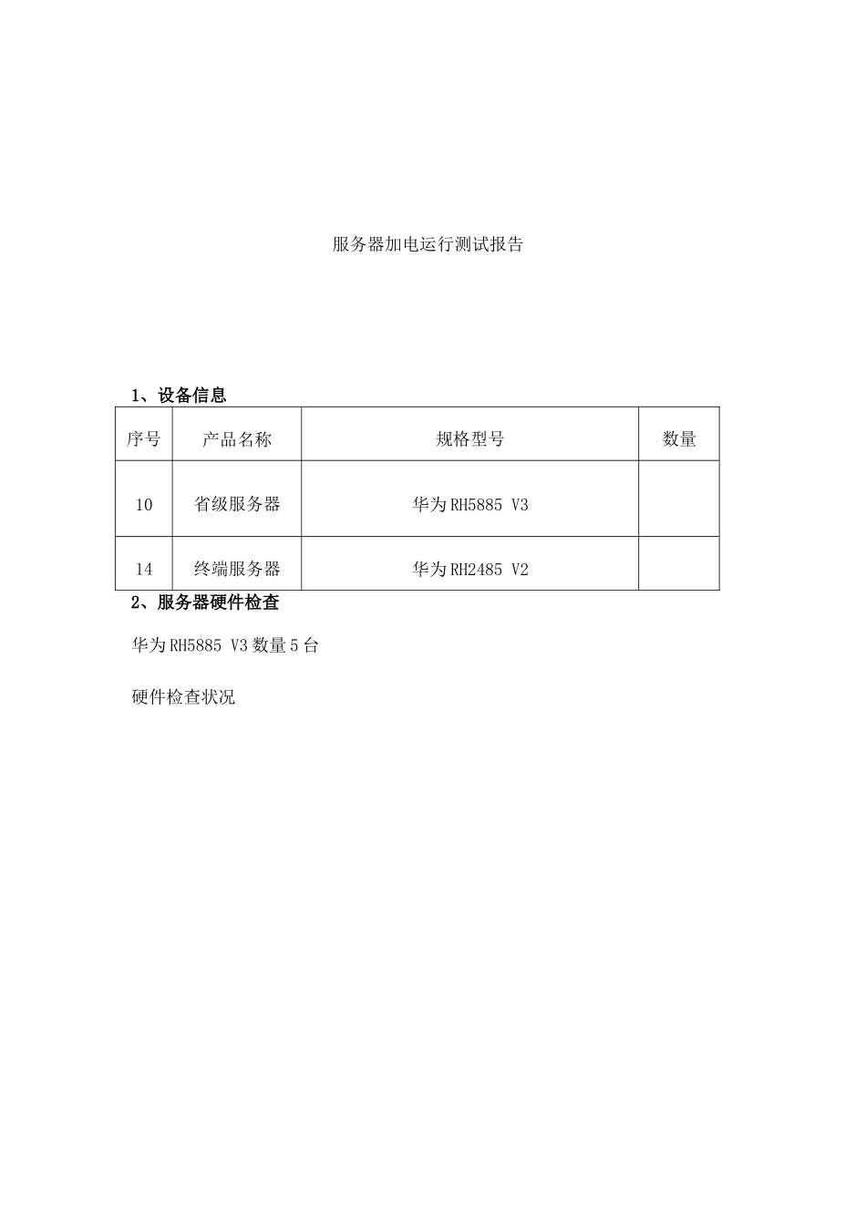
项目信息项目名称客户单位信息单位名称监理单位信息单位名称承建单位信息单位名称验收说明经 双 方 确 认 , 设 备 到 货 情 况 与 本 项 目 合 同 清 单 相 符 , 同 时 货 物 外 包 装 无 损 坏 .( 设 备 列 表 参 见 附 件 一 清 单 。 )验收签署客户方:监理方:承建方:负责人:盖章:日期:年 月 日负责人:盖章:日期: 年 月 日负责人:盖章:日期: 年 月 日附件服务器加电运行测试报告1、设备信息序号产品名称规格型号数量10省级服务器华为 RH5885 V314终端服务器华为 RH2485 V22、服务器硬件检查华为 RH5885 V3 数量 5 台硬件检查状况硬件检查状况设备型号:华为 RH5885 V3序列号:检查项检查操作参考标准运行状况服务器上的防尘网观察机器上的防尘网上的灰尘是否在防尘上堵塞导致气流不畅。□正常 □不正常系 统 风 扇运转检查观察并用手感觉进风和出风是否正常主机和磁盘柜的所有风扇运转正常。□正常 □不正常系统运装噪音检查认真听系统运转声音噪音是否过大,有无异常声音□正常 □不正常系统电源指示灯检查观察液晶面板、电源指示灯、硬盘报警灯等显示液晶面板、电源指示灯、硬盘报警灯等显示情况正常□正常 □不正常服务器硬盘工作状态硬盘指示灯指示是否正常,一般绿色为正常绿色闪耀□正常 □不正常服务器网卡工作状态观察法 网卡指示灯正常闪耀式。□正常 □不正常服务器散热检测靠近服务器检查是否有热风吹出□正常 □不正常服务器电源连接检查电源连接线是否有松动、接触不良等情况□正常 □不正常服 务 器 外壳 整 体 检查服务器整体是否有移动或损害痕迹□正常 □不正常硬件检查状况设备型号:华为 RH5885 V3序列号:检查项检查操作参考标准运行状况服务器上的防尘网观察机器上的防尘网上的灰尘是否在防尘上堵塞导致气流不畅。□正常 □不正常系 统 风 扇运转检查观察并用手感觉进风和出风是否正常主机和磁盘柜的所有风扇运转正常.□正常 □不正常系统运装噪音检查认真听系统运转声音噪音是否过大,有无异常声音□正常 □不正常系统电源指示灯检查观察液晶面板、电源指示灯、硬盘报警灯等显示液晶面板、电源指示灯、硬盘报警灯等显示情况正常□正常 □不正常服务器硬盘工作状态硬盘指示灯指示是否正常,一般绿色为正常绿色闪耀□正常 □不正常服务器网卡工作状态观察法 网卡指示灯正常闪耀式.□正常 □不正常服务器散热检测靠近...

1、当您付费下载文档后,您只拥有了使用权限,并不意味着购买了版权,文档只能用于自身使用,不得用于其他商业用途(如 [转卖]进行直接盈利或[编辑后售卖]进行间接盈利)。
2、本站所有内容均由合作方或网友上传,本站不对文档的完整性、权威性及其观点立场正确性做任何保证或承诺!文档内容仅供研究参考,付费前请自行鉴别。
3、如文档内容存在违规,或者侵犯商业秘密、侵犯著作权等,请点击“违规举报”。

碎片内容

服务器加电测试表格

MY shop+ 关注
实名认证
内容提供者

欢迎挑选适合自己的材料。

确认删除?
VIP
微信客服
  • 扫码咨询
会员Q群
  • 会员专属群点击这里加入QQ群
客服邮箱
回到顶部