电脑桌面
添加小米粒文库到电脑桌面
安装后可以在桌面快捷访问

机房工程验收报告VIP专享

机房工程验收报告_第1页
1/8
机房工程验收报告_第2页
2/8
机房工程验收报告_第3页
3/8
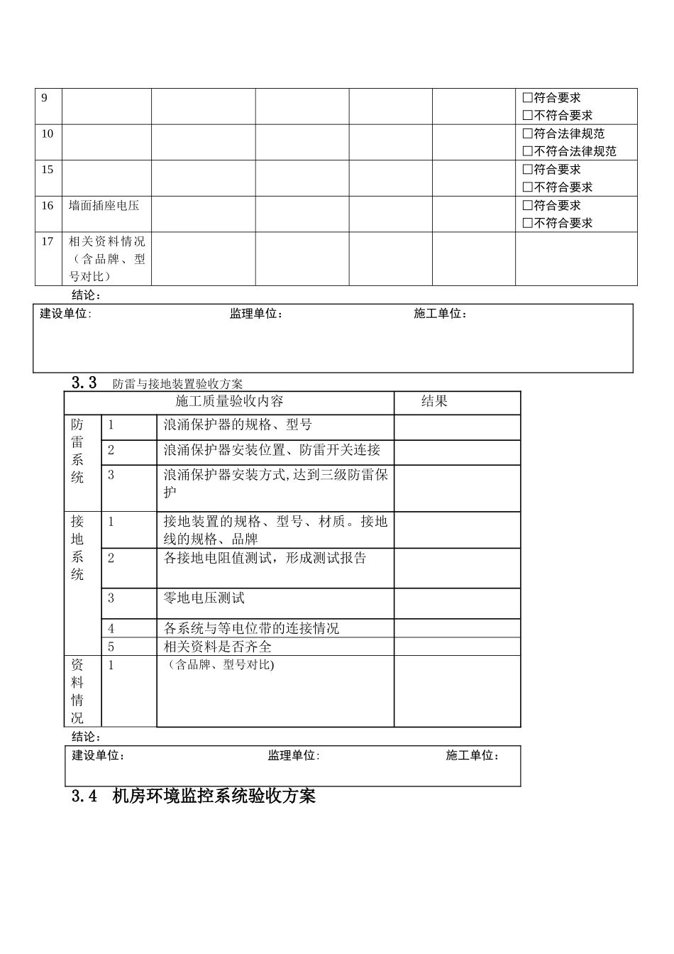
XXX 机房验收报告(标准)工 程 名 称:建 设 单 位:竣工验收日期:工 程 验 收 报 告一、 工程验收组织1、验收小组组长、建设方代表:2、验收小组成员:设计单位:施工单位:监理单位:建设单位:二、 工程验收方案工程竣工验收由建设单位组织设计单位、施工单位、监理等单位工程项目负责人或单位负责人和其它有关方面的专家组成验收组,组长由建设单位工程负责人担任,成员有、、、、、等。验收组按预定验收大纲对本工程进行验收.竣工验收会议由建设单位主持,先由建设、设计、施工、监理单位分别汇报工程合同履约情况和在工程建设各个环节执行法律、法规和工程建设强制性标准情况,然后实地检查工程质量,审查各单位工程技术档案资料,对工程设计、施工、设备安装质量和各管理环节等方面作出全面评价,最后形成了经验收组人员签署的工程竣工验收意见.三、 工程竣工验收主要内容及验收情况完成竣工资料的准确性、一致性、完整性检查;各分项工程(或弱电子系统)安装质量检查;按设计要求、合同条款对各系统性能、试运行情况进行审核;第三方测试数据审核;落实系统保修责任制度;工程各方的评价等内容。3.1防静电地板验收方案验收内容验收结果说明主控项目面层材质必须符合设计要求,且应具有耐磨、防潮、阻燃、耐污染、耐老化和异静电等特点。□符合要求□不符合要求活动地板面层应无裂纹.行走无声响、无摆动。□符合要求□不符合要求一 般 项 目活动地板面层应排列整齐、表面干净、色泽一致、接缝均匀、周边顺直。□符合法律规范□不符合法律规范表面平整度:允许偏差(mm)小于 2。0□符合法律规范□不符合法律规范缝格平直: 允许偏差(mm)小于 2.5□符合法律规范□不符合法律规范接缝高低差:允许偏差(mm)小于 0。4□符合法律规范□不符合法律规范板 块 间 隙 宽 度 : 允 许 偏 差(mm)小于 0.3□符合法律规范□不符合法律规范资料移交(含品牌、型号对比)□资料齐全□资料不完整结论:建设单位: 监理单位: 施工单位:3.2供配电系统验收方案序号机柜号插座或 PDU 编号电压(V频率谐波结果1□符合要求□不符合要求2□符合要求□不符合要求3□符合法律规范□不符合法律规范4□符合法律规范□不符合法律规范5□符合法律规范□不符合法律规范6□符合法律规范□不符合法律规范7□符合法律规范□不符合法律规范8□符合要求□不符合要求9□符合要求□不符合要求10□符合法律规范□不符合法律规范15□符合要求□...

1、当您付费下载文档后,您只拥有了使用权限,并不意味着购买了版权,文档只能用于自身使用,不得用于其他商业用途(如 [转卖]进行直接盈利或[编辑后售卖]进行间接盈利)。
2、本站所有内容均由合作方或网友上传,本站不对文档的完整性、权威性及其观点立场正确性做任何保证或承诺!文档内容仅供研究参考,付费前请自行鉴别。
3、如文档内容存在违规,或者侵犯商业秘密、侵犯著作权等,请点击“违规举报”。

碎片内容

机房工程验收报告

确认删除?
VIP
微信客服
  • 扫码咨询
会员Q群
  • 会员专属群点击这里加入QQ群
客服邮箱
回到顶部