电脑桌面
添加小米粒文库到电脑桌面
安装后可以在桌面快捷访问

机电安装工程拟配备本工程的试验和检测仪器设备表

机电安装工程拟配备本工程的试验和检测仪器设备表_第1页
1/2
机电安装工程拟配备本工程的试验和检测仪器设备表_第2页
2/2
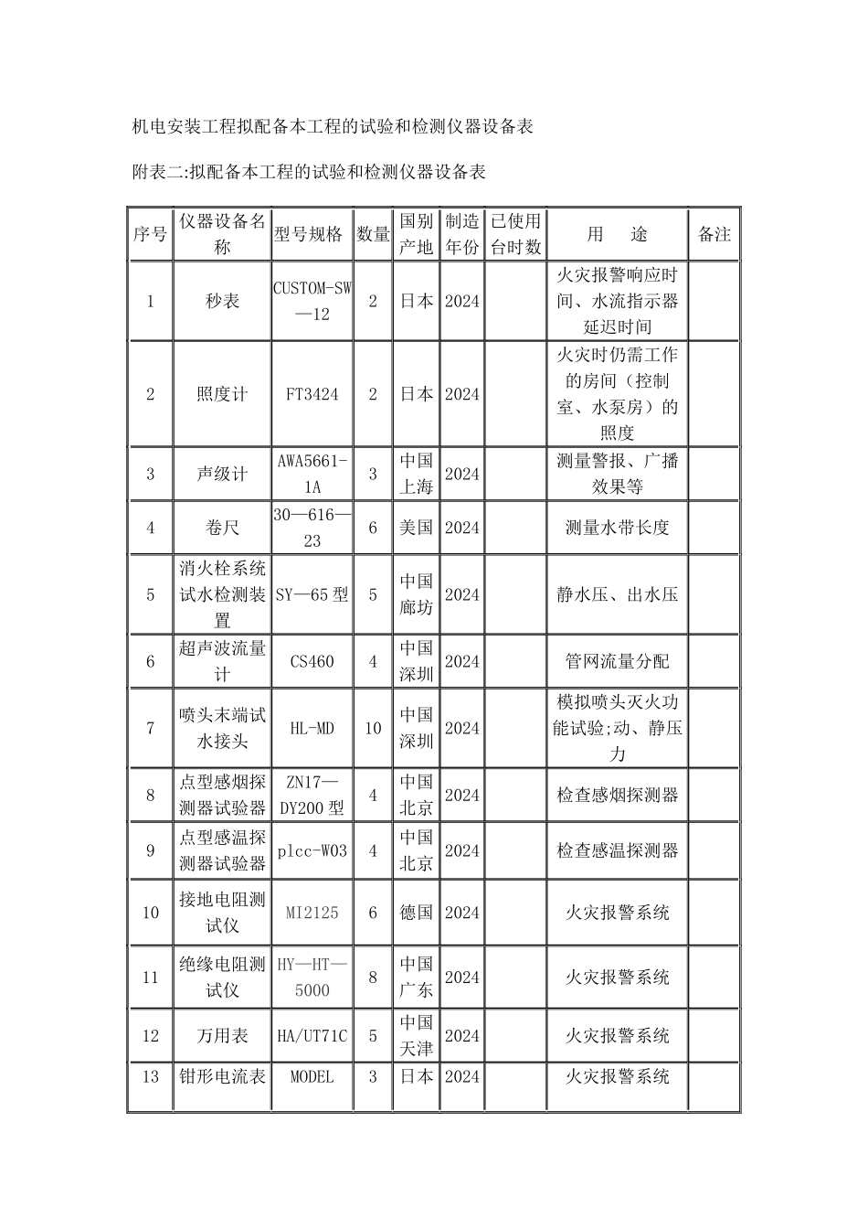
机电安装工程拟配备本工程的试验和检测仪器设备表附表二:拟配备本工程的试验和检测仪器设备表序号 仪器设备名称型号规格 数量 国别产地制造年份已使用台时数用 途备注1秒表CUSTOM-SW—122日本 2024火灾报警响应时间、水流指示器延迟时间2照度计FT34242日本 2024火灾时仍需工作的房间(控制室、水泵房)的照度3声级计AWA5661-1A3中国上海 2024测量警报、广播效果等4卷尺30—616—236美国 2024测量水带长度5消火栓系统试水检测装置SY—65 型5中国廊坊 2024静水压、出水压6超声波流量计CS4604中国深圳 2024管网流量分配7喷头末端试水接头HL-MD10中国深圳 2024模拟喷头灭火功能试验;动、静压力8点型感烟探测器试验器ZN17—DY200 型4中国北京 2024检查感烟探测器9点型感温探测器试验器 plcc-W034中国北京 2024检查感温探测器10接地电阻测试仪MI21256德国 2024火灾报警系统11绝缘电阻测试仪HY—HT—50008中国广东 2024火灾报警系统12万用表HA/UT71C5中国天津 2024火灾报警系统13钳形电流表MODEL 3日本 2024火灾报警系统241314测力计DS—2000LED2美国 2024消防水带的单位长度质量

1、当您付费下载文档后,您只拥有了使用权限,并不意味着购买了版权,文档只能用于自身使用,不得用于其他商业用途(如 [转卖]进行直接盈利或[编辑后售卖]进行间接盈利)。
2、本站所有内容均由合作方或网友上传,本站不对文档的完整性、权威性及其观点立场正确性做任何保证或承诺!文档内容仅供研究参考,付费前请自行鉴别。
3、如文档内容存在违规,或者侵犯商业秘密、侵犯著作权等,请点击“违规举报”。

碎片内容

机电安装工程拟配备本工程的试验和检测仪器设备表

您可能关注的文档

确认删除?
VIP
微信客服
  • 扫码咨询
会员Q群
  • 会员专属群点击这里加入QQ群
客服邮箱
回到顶部