电脑桌面
添加小米粒文库到电脑桌面
安装后可以在桌面快捷访问

2025年公路工程全套表格

2025年公路工程全套表格_第1页
1/151
2025年公路工程全套表格_第2页
2/151
2025年公路工程全套表格_第3页
3/151
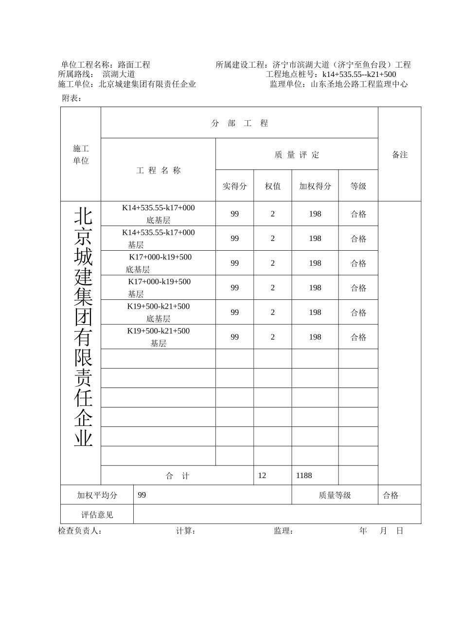
工程竣工资料编制原则表格山东省公路工程建设项目质量检查评估表项目名称: 路线名称: 起讫桩号: 竣工日期: 协议段实得分投资额(万元)实得分×投资额(万元)质量等级备注合 计鉴定得分质量等级检查负责人: 计算: 复核: 年 月 日山东省公路工程协议段工程质量检查评估表协议段名称: 所属建设项目: 施工单位: 监理单位: 起讫桩号: 竣工日期:单位工程名称实得分投资额(万元)实得分×投资额(万元)质量等级备注合 计协议段实测得分内业资料扣分协议段鉴定得分质 量 等 级检查负责人: 计算: 监理: 年 月 日单位工程质量检查评估表 单位工程名称:路面工程 所属建设工程:济宁市滨湖大道(济宁至鱼台段)工程 所属路线: 滨湖大道 工程地点桩号:k14+535.55--k21+500 施工单位:北京城建集团有限责任企业 监理单位:山东圣地公路工程监理中心 附表:施工单位分 部 工 程备注工 程 名 称质 量 评 定实得分权值加权得分等级北京城建集团有限责任企业K14+535.55-k17+000底基层992198合格K14+535.55-k17+000 基层992198合格 K17+000-k19+500 底基层992198合格 K17+000-k19+500 基层992198合格K19+500-k21+500底基层992198合格K19+500-k21+500基层992198合格合 计121188加权平均分99质量等级合格评估意见检查负责人: 计算: 监理: 年 月 日山东省公路工程分部工程质量检查评估表 分部工程名称: 所属单位工程: 所属建设项目: 工程部位: (桩号、墩台号、孔号) 施工单位: 监理单位:施工单位分 项 工 程备注工 程 名 称质 量 评 定实得分权值加权得分等级合 计加权平均分质量等级评估意见检查负责人: 计算: 监理: 年 月 日山东省公路工程分项工程质量检查评估表(一级路)分项工程名称:土方路基 所属分部工程名称:路基土石方工程 所属建设项目: 工 程 部 位: 施 工 单 位: : (桩号、墩台号、孔号)基本规定在路基用地和取土坑范围内应清除地表植被、杂物、积水、淤泥和表土,处理坑塘,并按规范和设计规定对基底进行压实。路基填料应符合规范和设计的规定,经认真调查、试验后合理选用。填方路基需分层填筑压实,每层表面平整,路拱合适,排水良好。施工临时排水系统应与设计排水系统结合,避免冲刷边坡,勿使路基附近积水。在设定取土区内合理取土,不得滥开滥挖。竣工后应按规定对取土坑和弃土场进行修整,保持合理的几何外形。实...

1、当您付费下载文档后,您只拥有了使用权限,并不意味着购买了版权,文档只能用于自身使用,不得用于其他商业用途(如 [转卖]进行直接盈利或[编辑后售卖]进行间接盈利)。
2、本站所有内容均由合作方或网友上传,本站不对文档的完整性、权威性及其观点立场正确性做任何保证或承诺!文档内容仅供研究参考,付费前请自行鉴别。
3、如文档内容存在违规,或者侵犯商业秘密、侵犯著作权等,请点击“违规举报”。

碎片内容

2025年公路工程全套表格

您可能关注的文档

确认删除?
VIP
微信客服
  • 扫码咨询
会员Q群
  • 会员专属群点击这里加入QQ群
客服邮箱
回到顶部