电脑桌面
添加小米粒文库到电脑桌面
安装后可以在桌面快捷访问

某商场电气工程施工方案

某商场电气工程施工方案_第1页
1/20
某商场电气工程施工方案_第2页
2/20
某商场电气工程施工方案_第3页
3/20
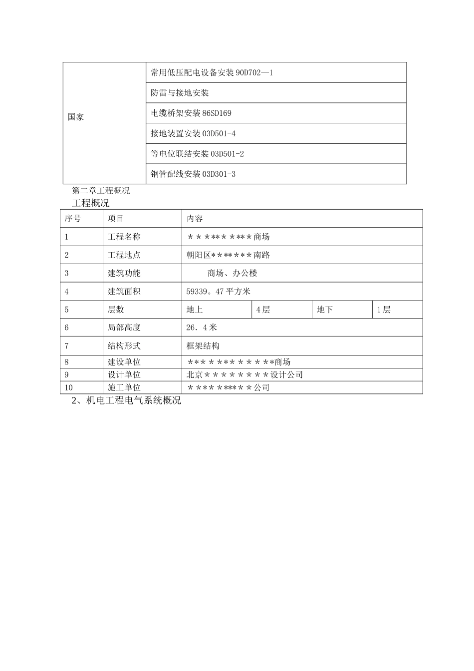
目录第一章 编制依据 2第二章工程概况Error: Reference source not found第三章 施工部署及施工准备4第一节 项目管理策划4第二节施工准备及部署4第四章主要施工方法及技术措施6第一节主要施工方法Error: Reference source not found第二节成品保护措施14第三节冬雨期施工措施15第五章主要施工管理措施16第一节质量保证措施16第二节工期保证措施17第三节安全生产方针与目标、职业卫生措施及规定17第四节安全管理18第五节消防保卫措施19第六节文明及环境保护措施19第一章编制依据1、施工图纸图纸名称图纸编号批准日期强电电施—1-152024 年 2 月弱电电施—16—342024 年 2 月2、行国家法律规范、规程、标准类别名称编号国家《民用建筑电气设计法律规范》JGJ/T16—92《建筑物防雷设计法律规范》GB50057-94(2000 版)《高层民用建筑设计防火法律规范》GB50045-95(2001 版)《低压配电设计法律规范》GB50054-95《火灾自动报警系统设计法律规范》GB50116—98《10KV 及以下变配电所设计法律规范》GB50053—94《建筑电气安装工程施工质量验收法律规范》GB50303—2024地方《建筑安装分项工程施工工艺规程》DBJ/T01-26-2003企业《建筑电气工程施工工艺标准》ZJQ00—SG-006-20243、施工图集类别名称国家常用低压配电设备安装 90D702—1防雷与接地安装电缆桥架安装 86SD169接地装置安装 03D501-4等电位联结安装 03D501-2钢管配线安装 03D301-3第二章工程概况工程概况序号项目内容1工程名称**********商场2工程地点朝阳区*******南路3建筑功能 商场、办公楼4建筑面积59339。47 平方米5层数地上4 层地下1 层6局部高度26.4 米7结构形式框架结构8建设单位************商场9设计单位北京********设计公司10施工单位**********公司2、机电工程电气系统概况供 配电 系统本工程电力负荷等级为:二级负荷:消防用电,电梯,消防应急照明等;三级负荷:其他电力负荷及一般照明.消防及网络中心为一级负荷。电力系统低压配电系统采纳 220/380V 放射式与树干式相结合的方式,对于单台容量较大的负荷或重要负荷采纳放射式供电;对于照明及一般负荷采纳放射式与树干式相结合的供电方式。二级负荷采纳双电源供电,在末端互投.三级负荷采纳单电源供电。本工程小于 15KW 的电动机采纳全压启动方式;18KW 及以上电动机采纳星—三角启动方式。排风兼补风风机平常,由手动控制,火灾时,由消防控制室控制,消防...

1、当您付费下载文档后,您只拥有了使用权限,并不意味着购买了版权,文档只能用于自身使用,不得用于其他商业用途(如 [转卖]进行直接盈利或[编辑后售卖]进行间接盈利)。
2、本站所有内容均由合作方或网友上传,本站不对文档的完整性、权威性及其观点立场正确性做任何保证或承诺!文档内容仅供研究参考,付费前请自行鉴别。
3、如文档内容存在违规,或者侵犯商业秘密、侵犯著作权等,请点击“违规举报”。

碎片内容

某商场电气工程施工方案

您可能关注的文档

确认删除?
VIP
微信客服
  • 扫码咨询
会员Q群
  • 会员专属群点击这里加入QQ群
客服邮箱
回到顶部