电脑桌面
添加小米粒文库到电脑桌面
安装后可以在桌面快捷访问

某拆除工程专项施工方案

某拆除工程专项施工方案_第1页
1/5
某拆除工程专项施工方案_第2页
2/5
某拆除工程专项施工方案_第3页
3/5
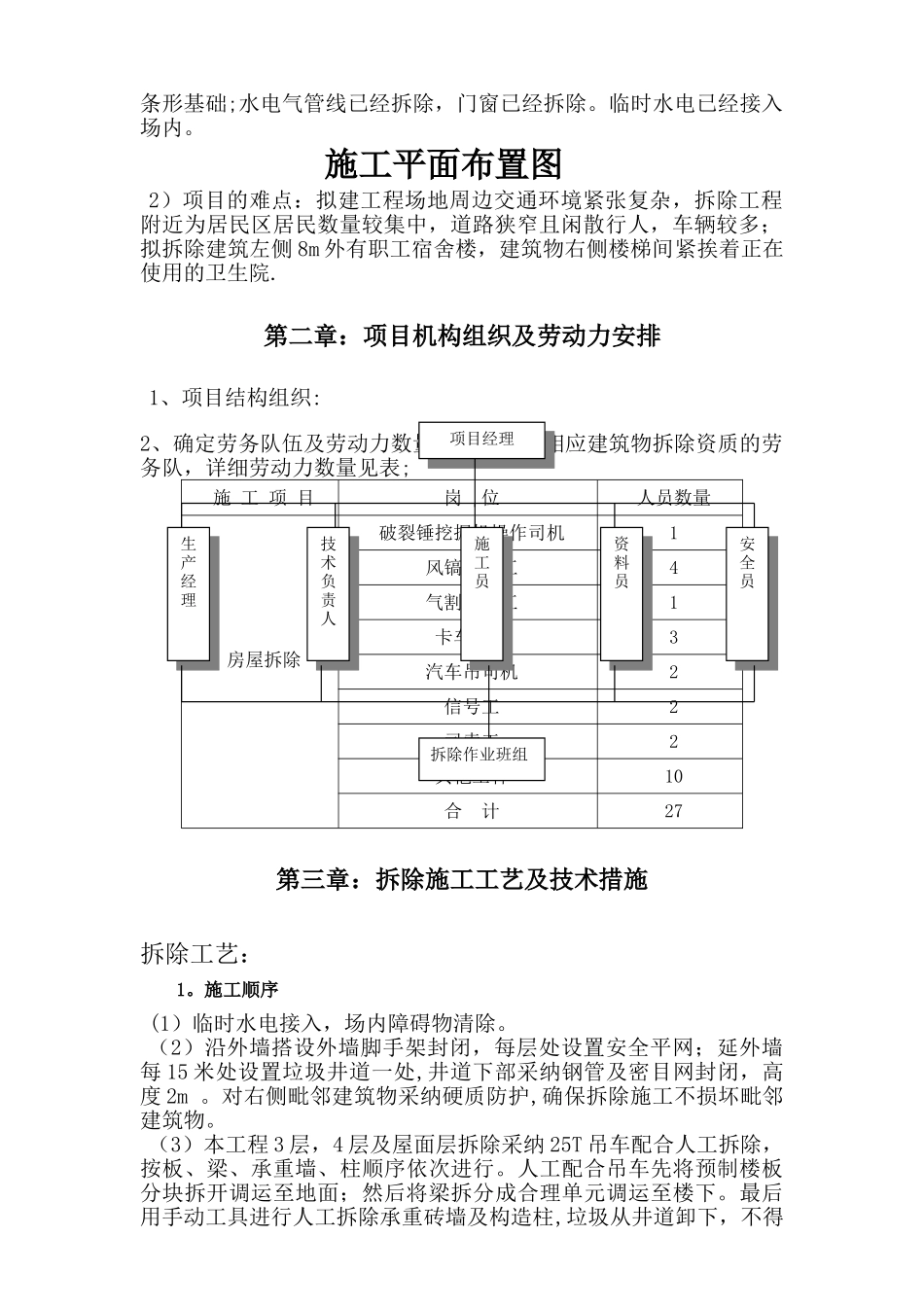
宜都市职业病医疗康复休养中心拆除工程专 项 施 工 方 案 编制单位: 二零一六年四月八日第一章:工程概况1、本工程建设单位是宜都市松宜矿区管委会,拆除工程位于宜都市松宜矿区卫生院内;拆除工程建筑面积 3293㎡,单层建筑面积823。25㎡,建筑高度 16。2m,共四层,一楼层高 3.9m,二至四层层高 3.6m,屋面层层高 1.2 米。拆除建筑物为砖混结构;结构特点:承重墙体为 240 厚烧结砖砌筑,梁为现浇钢筋混凝土,楼板为预制钢筋混凝土板。2、现场环境情况及项目的难点、特点 1)场地内有一座四层平房需要拆除;长 49m,宽 15m,基础为条形基础;水电气管线已经拆除,门窗已经拆除。临时水电已经接入场内。 施工平面布置图2)项目的难点:拟建工程场地周边交通环境紧张复杂,拆除工程附近为居民区居民数量较集中,道路狭窄且闲散行人,车辆较多;拟拆除建筑左侧 8m 外有职工宿舍楼,建筑物右侧楼梯间紧挨着正在使用的卫生院.第二章:项目机构组织及劳动力安排1、项目结构组织:2、确定劳务队伍及劳动力数量:选择具有相应建筑物拆除资质的劳务队,详细劳动力数量见表;施 工 项 目岗 位人员数量房屋拆除破裂锤挖掘机操作司机1风镐操作工4气割操作工1卡车司机3汽车吊司机2信号工2司索工2其他工种10合 计27第三章:拆除施工工艺及技术措施拆除工艺:1。施工顺序(1)临时水电接入,场内障碍物清除。(2)沿外墙搭设外墙脚手架封闭,每层处设置安全平网;延外墙每 15 米处设置垃圾井道一处,井道下部采纳钢管及密目网封闭,高度 2m 。对右侧毗邻建筑物采纳硬质防护,确保拆除施工不损坏毗邻建筑物。(3)本工程 3 层,4 层及屋面层拆除采纳 25T 吊车配合人工拆除,按板、梁、承重墙、柱顺序依次进行。人工配合吊车先将预制楼板分块拆开调运至地面;然后将梁拆分成合理单元调运至楼下。最后用手动工具进行人工拆除承重砖墙及构造柱,垃圾从井道卸下,不得项目经理项目经理技术负责人技术负责人施工员施工员资料员资料员安全员安全员生产经理生产经理拆除作业班组高空随意抛掷。(4)工程 1,2 层板梁墙等构件采纳挖机,啄木鸟拆除。当建筑物拆除到 2 层时,人工拆除所有外墙脚手架,及垃圾井道,并沿建筑外墙 3—5 米搭设 1。8 米高封闭围挡;挖机进入场内,将上层拆除的垃圾平整,铺设 2。5m 平台.挖掘机行驶在平台上分段分层拆除建筑物的1,2 层。(5)建筑物拆除完成后,垃圾由挖机装运,汽车转运至场外.(6)屋檐、阳台、...

1、当您付费下载文档后,您只拥有了使用权限,并不意味着购买了版权,文档只能用于自身使用,不得用于其他商业用途(如 [转卖]进行直接盈利或[编辑后售卖]进行间接盈利)。
2、本站所有内容均由合作方或网友上传,本站不对文档的完整性、权威性及其观点立场正确性做任何保证或承诺!文档内容仅供研究参考,付费前请自行鉴别。
3、如文档内容存在违规,或者侵犯商业秘密、侵犯著作权等,请点击“违规举报”。

碎片内容

某拆除工程专项施工方案

文森传品+ 关注
实名认证
内容提供者

一家传播文化教育的小店,资料丰富,随意挑选。

确认删除?
VIP
微信客服
  • 扫码咨询
会员Q群
  • 会员专属群点击这里加入QQ群
客服邮箱
回到顶部