电脑桌面
添加小米粒文库到电脑桌面
安装后可以在桌面快捷访问

2025年数控大作业加工中心零件加工编程

2025年数控大作业加工中心零件加工编程_第1页
1/8
2025年数控大作业加工中心零件加工编程_第2页
2/8
2025年数控大作业加工中心零件加工编程_第3页
3/8
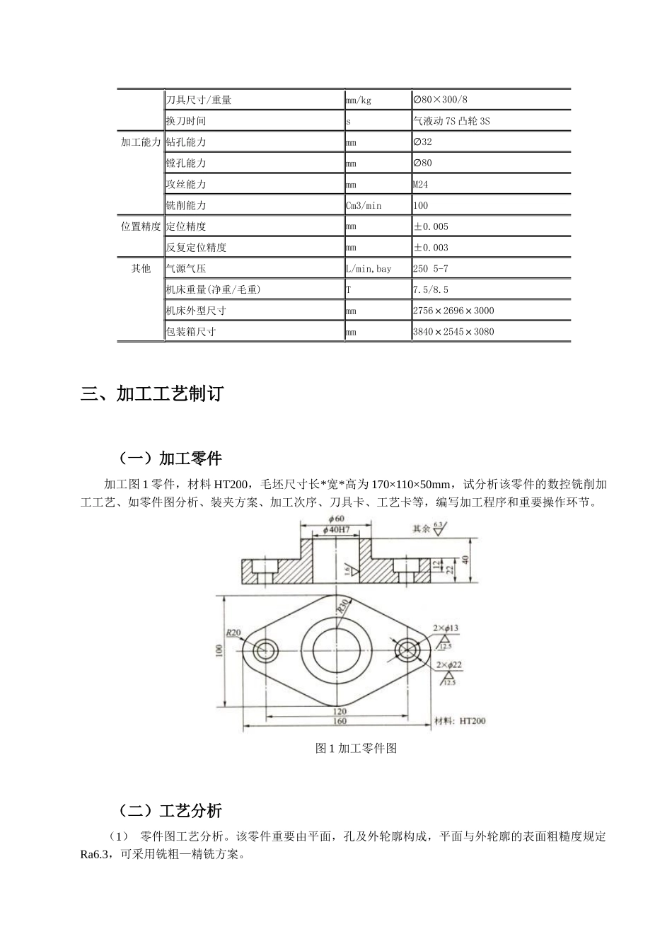
数控大作业一加工中心零件加工编程一、目的和规定本作业通过给定一台数控机床详细技术参数和零件加工工艺卡,使学生对数控机床详细参数、加工能力和加工工艺流程有直观理解和认识。同步,锻炼学生处理实际加工问题的能力。1.理解加工中心的详细技术参数,加工范围和加工能力;2.理解实际加工中,从零件图纸分析到制定零件加工工艺过程; 3.按照加工工艺编写指定的工序的零件数控加工程序。 二、数控机床设备 (1)机床构造 重要由床身、铣头、横进给、升降台、冷却、润滑及电气等部分构成。XKJ325-1 数控铣床配用GSK928 型数控系统,对主轴和工作台纵横向进行控制,顾客按照加工零件的尺寸及工艺规定,先编成零件的加工程控,最终完毕多种几何形状的加工。 (2)机床的用途和加工特点 本机床合用于多品种中、小批量生产的零件,对多种复杂曲线的凸轮、孔、样板弧形糟等零件的加工效能尤为明显;该机床高速性能好,工作稳定可靠,定位精度和反复精度较高,不需要模具就能保证零件的加工精度,减少辅助时间,提高劳动生产率。 (3)加工中心的重要技术参数 数控机床的技术参数,反应了机床的性能及加工范围。表 1 TH5640D 立式加工中心的重要技术参数名称参数工作台工作台尺寸mm 400×550T 型槽mm 18H8容许负载kg 600 主轴主轴锥孔No BT40主轴直径mm ∅85 主周转速(原则型/高速型)rpm 22.5-2250/45-4500 主轴电机kw 5.5/7.5 行程移动范围mm 1000×500×470主轴端面至工作台面距离mm150-620(380-850)主轴中心线至立柱面mm 510 进给切削进行速度mm/min1-4000 迅速移动速度m/min15/10 刀库 刀库容量把20(24) 刀具尺寸/重量mm/kg∅80×300/8 换刀时间s 气液动 7S 凸轮 3S 加工能力 钻孔能力mm ∅32 镗孔能力mm ∅80 攻丝能力mmM24 铣削能力Cm3/min100 位置精度 定位精度mm±0.005反复定位精度mm±0.003其他 气源气压L/min,bay250 5-7机床重量(净重/毛重)T 7.5/8.5 机床外型尺寸mm 2756×2696×3000包装箱尺寸mm 3840×2545×3080三、加工工艺制订(一)加工零件加工图 1 零件,材料 HT200,毛坯尺寸长*宽*高为 170×110×50mm,试分析该零件的数控铣削加工工艺、如零件图分析、装夹方案、加工次序、刀具卡、工艺卡等,编写加工程序和重要操作环节。图 1 加工零件图(二)工艺分析(1) 零件图工艺分析。该零件重要由平面,孔及外轮廓构成,平面与外轮廓的表面粗糙度规定Ra6.3,可采用铣粗...

1、当您付费下载文档后,您只拥有了使用权限,并不意味着购买了版权,文档只能用于自身使用,不得用于其他商业用途(如 [转卖]进行直接盈利或[编辑后售卖]进行间接盈利)。
2、本站所有内容均由合作方或网友上传,本站不对文档的完整性、权威性及其观点立场正确性做任何保证或承诺!文档内容仅供研究参考,付费前请自行鉴别。
3、如文档内容存在违规,或者侵犯商业秘密、侵犯著作权等,请点击“违规举报”。

碎片内容

2025年数控大作业加工中心零件加工编程

您可能关注的文档

确认删除?
VIP
微信客服
  • 扫码咨询
会员Q群
  • 会员专属群点击这里加入QQ群
客服邮箱
回到顶部