电脑桌面
添加小米粒文库到电脑桌面
安装后可以在桌面快捷访问

标准化变电站建设实施规范

标准化变电站建设实施规范_第1页
1/11
标准化变电站建设实施规范_第2页
2/11
标准化变电站建设实施规范_第3页
3/11
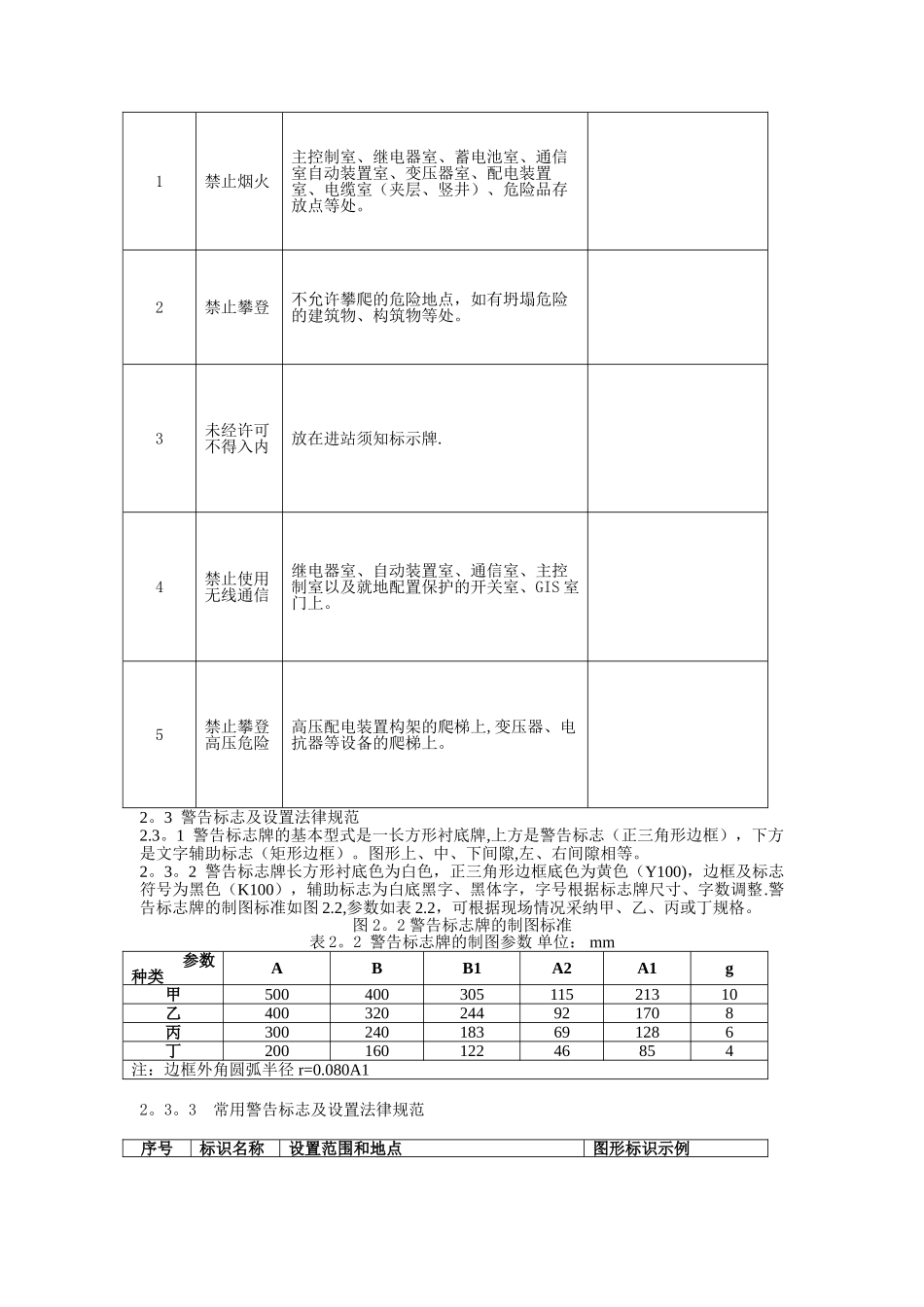
附件 3:标准化变电站建设实施法律规范(公共设备及安全标识)变电运维工区 二〇一二年九月公共设备及安全标识1 总体要求1。1 公共设备及安全标识应清楚醒目、法律规范统一、安装可靠、便于维护,适应使用环境要求.1.2 标志牌标高可视现场情况自行确定,但对于同一变电站/同类设备(设施)的标志牌标高应统一.1。3 标志牌规格、尺寸、安装位置可视现场情况进行调整,但对于同一变电站、同类设备(设施)的标志牌规格、尺寸及安装位置应统一。1。4 标志牌应采纳坚固耐用的材料制作,并满足安全要求。对于照明条件差的场所,标志牌宜用荧光材料制作。1.5 低压配电屏( 箱)、二次设备屏等有触电危险或易造成短路的作业场所悬挂的标志牌应使用绝缘材料制作.1。6 除特别要求外,安全标志牌、设备标志牌宜采纳工业级反光材料制作。1。7 涂刷类标志材料应选用耐用、不褪色的涂料或油漆.各类标线应采纳道路线漆涂刷。1。8 所有矩形标志牌应保证边缘光滑,无毛刺,无尖角。1.9 标志牌应设在与安全有关场所的醒目位置,便于进入变电站的人们看到,并有足够的时间来注意它所表达的内容。 环境信息标志宜设在有关场所的入口处和醒目处; 局部环境信息应设在所涉及的相应危险地点或设备(部件)的醒目处。1.10 标志牌不宜设在可移动的物体上,以免标志牌随母体物体相应移动,影响认读。标志牌前不得放置阻碍认读的障碍物。1。11 标志牌的固定方式分附着式、悬挂式和柱式。附着式和悬挂式的固定应稳固不倾斜,柱式的标志牌和支架应联接牢固。临时标志牌应实行防止脱落、移位措施。1。12 标志牌应定期检查,如发现破损、变形、褪色等不符合要求时,应及时修整或更换。修整或更换时,应有临时的标志替换,以避开发生意外损害.2 安全标识2.1 一般规定2。1。1 变电站设置的安全标志包括禁止标志、警告标志、指令标志、提示标志四种基本类型。2。1.2 多个标志在一起设置时,应根据警告、禁止、指令、提示类型的顺序,先左后右、先上后下地排列,且应避开出现相互矛盾、重复的现象.也可以根据实际,使用多重标志.2。1.3 各设备间入口、门上,应根据内部设备、电压等级等具体情况,在醒目位置按配置法律规范设置相应的安全标志牌,具体要求参照“附录"。2。2 禁止标志及设置法律规范 2。2。1 禁止标志牌的基本型式是一长方形衬底牌,上方是禁止标志(带斜杠的圆边框),下方是文字辅助标志(矩形边框)。图形上、中、下间隙,左、右间隙相等。2.2。2 ...

1、当您付费下载文档后,您只拥有了使用权限,并不意味着购买了版权,文档只能用于自身使用,不得用于其他商业用途(如 [转卖]进行直接盈利或[编辑后售卖]进行间接盈利)。
2、本站所有内容均由合作方或网友上传,本站不对文档的完整性、权威性及其观点立场正确性做任何保证或承诺!文档内容仅供研究参考,付费前请自行鉴别。
3、如文档内容存在违规,或者侵犯商业秘密、侵犯著作权等,请点击“违规举报”。

碎片内容

标准化变电站建设实施规范

您可能关注的文档

文森传品+ 关注
实名认证
内容提供者

一家传播文化教育的小店,资料丰富,随意挑选。

确认删除?
VIP
微信客服
  • 扫码咨询
会员Q群
  • 会员专属群点击这里加入QQ群
客服邮箱
回到顶部