电脑桌面
添加小米粒文库到电脑桌面
安装后可以在桌面快捷访问

2025年基建施工员VIP专享

2025年基建施工员_第1页
1/2
2025年基建施工员_第2页
2/2
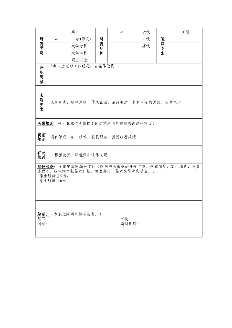
泰山生力源职位阐明书职位编码:职位标识:职位名称: 基建施工员所属部门:财务部所属职类职种:工作地点: 总部职位设置日期:职位目的:详细负责基础设施的新建、维修和改造,施工全过程控制,工程交付及时,保证工程质量合格,以满足生产经营的需要。工作关系:直接上级: 基建主管同 僚: 直接下属: 重要职责: 重要性应负职责工作特点衡量原则1立项手续 根据企业布署,办理审批手续参与手续齐全2施工手续 严格按审批内容、范围施工,办理有关手续,规范工程管理。独立手续完备3现场管理 严格按照建筑施工技术、验收规范,盯靠现场,及时协调,监督组织施工、验收,保证工程质量合乎规定。独立交付使用工程质量合格4档案管理 做好全施工过程的工作记录,编制基建报表,整理保管工程有关资料准时归档,保证资料完备。独立记 录 和 资 料 完整、齐全,归档及时5帐面登记管理 做好工程账目登记,及时与财务部对账,精确提供付款状况。独立账账相符,账实相符6审核 详细负责审核排污费,规范管理。独立精确无误任职规定:(列出此职位最低需要的基本规定、任职资格和素质等。)适应年龄不限适应性别男√女所需学历高中所需职称√初级适应专业工程√ 中专(职高)中级大学专科高级大学本科硕士以上任职资格3 年以上基建工作经历,会操作微机素质要求认真负责,坚持原则,作风正派,清政廉洁,具有一定的沟通、协调能力所需培训(列出此职位所需接受的岗前培训与在职培训课程项目)岗前培训项目管理、施工技术、验收规范;排污收费政策在岗培训工程预决算、环境保护法律法规职位根据:(重要填写编写本职位阐明书所根据的任命文献、规章制度、部门职责、业务流程等,应包括文献签发日期、签发部门、签发文号和文献名。)泰生股份[]5 号,泰生股份[]6 号编制:(本职位阐明书编写信息。)编写: 同意:审核:编制日期:

1、当您付费下载文档后,您只拥有了使用权限,并不意味着购买了版权,文档只能用于自身使用,不得用于其他商业用途(如 [转卖]进行直接盈利或[编辑后售卖]进行间接盈利)。
2、本站所有内容均由合作方或网友上传,本站不对文档的完整性、权威性及其观点立场正确性做任何保证或承诺!文档内容仅供研究参考,付费前请自行鉴别。
3、如文档内容存在违规,或者侵犯商业秘密、侵犯著作权等,请点击“违规举报”。

碎片内容

2025年基建施工员

您可能关注的文档

确认删除?
VIP
微信客服
  • 扫码咨询
会员Q群
  • 会员专属群点击这里加入QQ群
客服邮箱
回到顶部