电脑桌面
添加小米粒文库到电脑桌面
安装后可以在桌面快捷访问

桥梁、道路、涵洞冬季专项施工方案

桥梁、道路、涵洞冬季专项施工方案_第1页
1/13
桥梁、道路、涵洞冬季专项施工方案_第2页
2/13
桥梁、道路、涵洞冬季专项施工方案_第3页
3/13
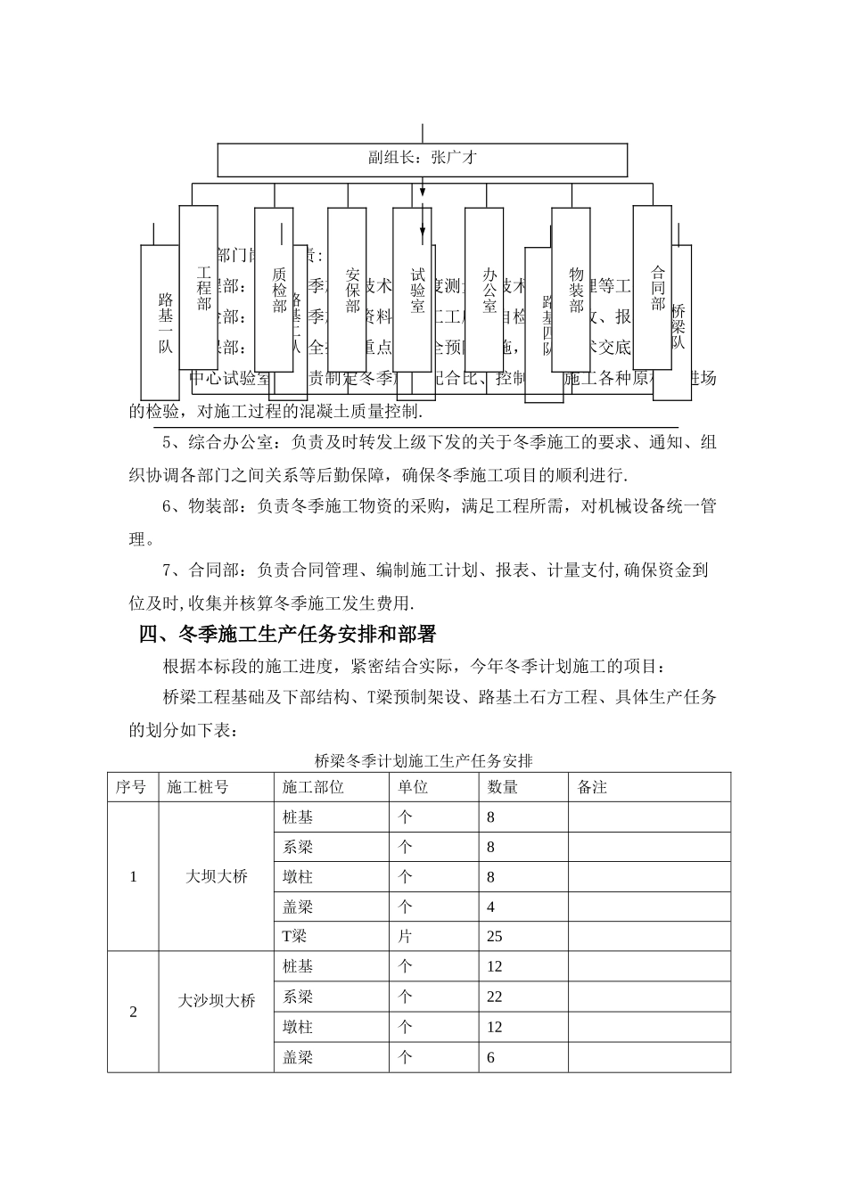
冬季施工方案一、编制依据1、施工技术规程、法律规范、有关冬季施工的技术标准.《公路路基施工技术法律规范》(JTG F10—2024)《公路桥涵施工技术法律规范》(JTJ 041-2000)2、国家现行法律、法规及地方有关施工安全、环境保护与文明施工方面的具体规定和技术标准。3、气象局、水利局国家有关规定.4、驻地办针对冬季施工的通知要求。5、我公司多年积累的冬季施工经验.二、编制目的根据《混凝土结构工程施工质量验收法律规范》(GB50204—2024)规定,当环境昼夜平均气温(最高和最低气温的平均值或当地时间6时、14时及21时室外气温的平均值)连续五天低于5℃或最低气温低于-3℃的时,需实行冬季施工措施,当室外平均气温连续5天高于5℃时解除冬季施工。根据中央电视台历年平均气温统计,仁怀地区12月至次年2月最低温度低于5℃。根据施工计划安排,我标段剩余桥梁桩基、墩柱、盖梁、T梁预制、涵洞、路基均需在冬季进行施工,为减少冬季低温环境对施工的影响,保证工程施工质量及工程进度,根据有关法律规范规定及技术要求,特制定本冬季施工方案.三、施工组织机构的设置为加强冬季施工管理,做好冬季施工的各项准备工作,确保冬季施工的工程质量和安全,我项目组建冬季施工领导组织机构,由项目经理任组长,负责本合同段冬季施工的组织,指挥计划。项目总工负责冬季施工技术交底,组织对冬季施工质量的自检、验收、评定等工作,项目副经理负责协助项目经理组织生产、协调安全、文明施工等过程的控制管理.各职能部门根据具体的分工情况逐级落实到位.冬季施工组织机构图冬季施工领导小组组长:沈秀本各职能部门岗位职责:1、工程部:负责冬季施工技术、温度测量、技术交底管理等工作。2、质检部:负责冬季施工资料及施工工序的自检以及验收、报验。3、安保部:制定安全控制重点、安全预防措施,安全技术交底。4、中心试验室:负责制定冬季施工配合比、控制冬季施工各种原材料进场的检验,对施工过程的混凝土质量控制.5、综合办公室:负责及时转发上级下发的关于冬季施工的要求、通知、组织协调各部门之间关系等后勤保障,确保冬季施工项目的顺利进行.6、物装部:负责冬季施工物资的采购,满足工程所需,对机械设备统一管理。7、合同部:负责合同管理、编制施工计划、报表、计量支付,确保资金到位及时,收集并核算冬季施工发生费用.四、冬季施工生产任务安排和部署根据本标段的施工进度,紧密结合实际,今年冬季计划施工的项目:桥梁工程基础及下部结构、T...

1、当您付费下载文档后,您只拥有了使用权限,并不意味着购买了版权,文档只能用于自身使用,不得用于其他商业用途(如 [转卖]进行直接盈利或[编辑后售卖]进行间接盈利)。
2、本站所有内容均由合作方或网友上传,本站不对文档的完整性、权威性及其观点立场正确性做任何保证或承诺!文档内容仅供研究参考,付费前请自行鉴别。
3、如文档内容存在违规,或者侵犯商业秘密、侵犯著作权等,请点击“违规举报”。

碎片内容

桥梁、道路、涵洞冬季专项施工方案

您可能关注的文档

确认删除?
VIP
微信客服
  • 扫码咨询
会员Q群
  • 会员专属群点击这里加入QQ群
客服邮箱
回到顶部