电脑桌面
添加小米粒文库到电脑桌面
安装后可以在桌面快捷访问

2025年岩棉板工程全套

2025年岩棉板工程全套_第1页
1/62
2025年岩棉板工程全套_第2页
2/62
2025年岩棉板工程全套_第3页
3/62
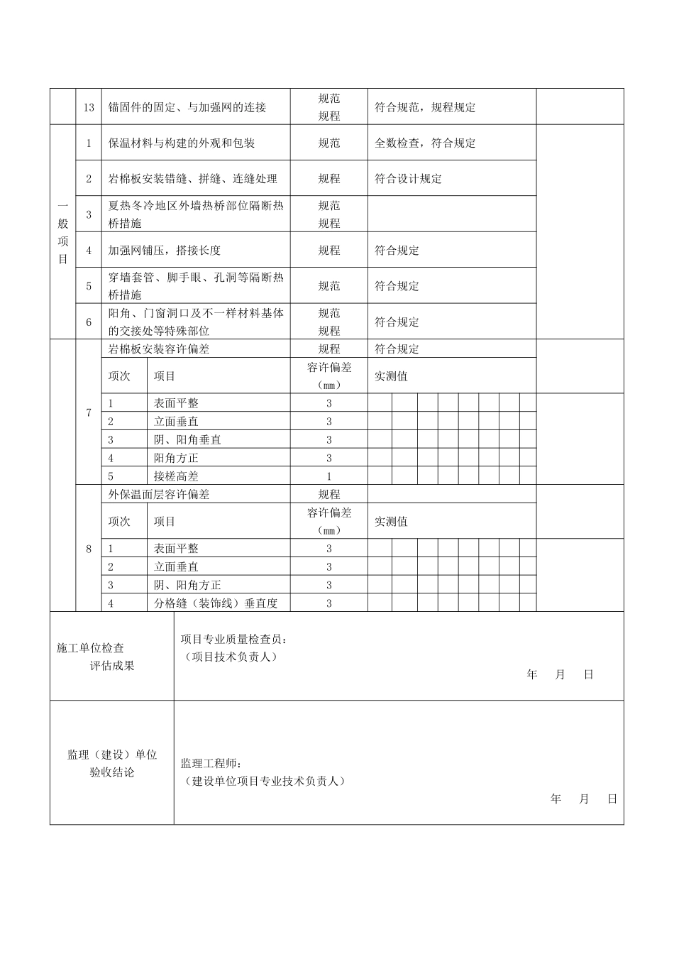
工序质量报验单工程名称:海普瑞斯综合办公楼 编号:A 3.3 — 致: 建卫工程建设监理 (监理单位)兹报验: 口 1 地基与基础 口 2 主题构造 口 3 建筑装饰装修 口 4 建筑房屋 口 5 建筑给水排水及采暖 口 6 建筑电器 口 7 智能建筑 口 8 通风与空调 口 9 电梯 口 10 建筑节能 子分项/分项/检查批名称: 岩棉板保温 部位: 东面外墙 验收时间: 本次报验内容系第 1 次报验,本项目经理部已完毕自检工作且资料完整, 并呈报对应资料。 承包单位项目经理部(章): 项目经理: 日期: 项目监理机构签收人姓名及时间承包单位签收人姓名及时间监理抽查数据及状况记录: 1、收到施工对应自评/检查资料和验收登记表共 页,收届时间: 2、 检查人: 日期: 监理审查意见: □ 可进行后续施工。 □ 核验未通过,不得进入下道工序施工,整改后再报。 项目监理机构(章): 专业监理工程师: 日期: 注:1、未经项目监理机构验收通过,承包单位不得进入下道工序施工。 2、承包单位项目经理部应提前提出本报验单,并予以配合。江苏省建设厅监制岩棉板外保温系统墙体节能工程检查批/分项工验收 JN 编号: 工程名称海普瑞斯综合办公楼 分项工程名称外墙保温 检查批/分项系统、部位 施工单位中机环建建设工程有限企业分业工长项目经理施工执行原则名称及编号分包单位扬州诚泉建材科技有限企业第一分企业 分包项目经理 施工班组长国家验收规范、省验收规程规定施工单位检查评估记录监理(建设)单位验收记录主控项目1材料,构建等进场验收规范规程符合设计及有关验收规定2保温隔热材料粘结材料的复验及性能规范规范规程质 量 证 明 文 献 齐 全 , 复 试 检查,复试汇报标号为:编号 0013寒冷地区外保温粘结的冻融试验成果规范4各层构造做法规范符合设计规范规定,隐蔽工程检查记录:编号 0025墙体节能工程的施工规范规范符合规定,隐蔽工程检查记录6预制保温板浇筑混凝土墙体规范7各类饰面层基层及面层施工规范规程8隔气层的设置及做法规范9外墙或毗邻不采暖空间墙体上的门窗洞口侧面、凸窗四周侧面的保温措施规范鬼曾符合规定,隐蔽工程检查记录10寒冷地区外墙热桥部位的隔断热桥措施规范规程11外保温粘贴面砖拉拔试验规程本工程饰面层不采用贴面砖的做法13锚固件的固定、与加强网的连接规范规程符合规范,规程规定一般项目1保温材料与构建的外观和包装规范全数检查,符合规定2...

1、当您付费下载文档后,您只拥有了使用权限,并不意味着购买了版权,文档只能用于自身使用,不得用于其他商业用途(如 [转卖]进行直接盈利或[编辑后售卖]进行间接盈利)。
2、本站所有内容均由合作方或网友上传,本站不对文档的完整性、权威性及其观点立场正确性做任何保证或承诺!文档内容仅供研究参考,付费前请自行鉴别。
3、如文档内容存在违规,或者侵犯商业秘密、侵犯著作权等,请点击“违规举报”。

碎片内容

2025年岩棉板工程全套

您可能关注的文档

确认删除?
VIP
微信客服
  • 扫码咨询
会员Q群
  • 会员专属群点击这里加入QQ群
客服邮箱
回到顶部