电脑桌面
添加小米粒文库到电脑桌面
安装后可以在桌面快捷访问

桥梁桩基施工方案45423

桥梁桩基施工方案45423_第1页
1/18
桥梁桩基施工方案45423_第2页
2/18
桥梁桩基施工方案45423_第3页
3/18
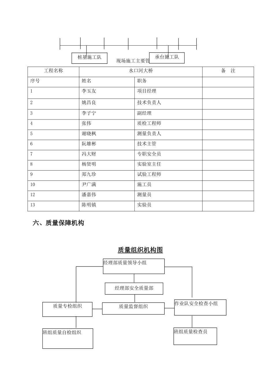
开平市环城公路北环东延线一期工程桩基施工方案编制:审核:四川公路桥梁建设集团有限公司开平市环城公路北环东延线一期工程项目经理部2024 年 9 月目录一、工程概况 3二、编制依据 2 三、桩基数量 : 2 四、施工组织计划 2 五、施工组织机构图 2 六、质量保障机构 3 七、施工准备 4 八、钻孔灌注桩施工工艺 4 九、承台施工 10 十、质量保证措施 : 14 十一、安全、环保措施 14 水口河大桥桩基施工方案一、工程概况本标段共有独立桥梁 1 座,分七联布置,桥梁跨径组合为 30+4*30+4*30+(30+50+30)+4*30+4*30+30m,单幅桥宽 15。75m;主桥主跨跨越水口河,主桥上部为连续梁;下部采纳花瓶墩,基础采纳群桩基础,桩基采纳 4 根 1.6m 直径钻孔灌注桩;引桥采纳 30m 跨预制小箱梁结构,桥梁中心桩号 K3+245 起点桩号 K2+916.8,终点桩号 K3+573。2 桥梁全长为656.4 米,桥台采纳 16 根 1.2m 直径钻孔灌注桩基础。二、编制依据本施工组织设计经过仔细学习体会合同文件,领悟设计意图和现场实地考察的基础上,针对本工程的特点,结合工程施工经验,在满足合同文件要求的前提下进行编制。1、开平市环城公路北环东延线一期工程施工合同文件2、国家及部颁技术标准及相关法律规范3、开平市环城公路北环东延线一期工程施工图4、招投标文件三、桩基数量:序号桥梁名称桩径(cm)数量(根)总桩长(m)1水口河大Φ1608850402Φ120(台)321182四、施工组织计划根据总体施工组织计划,桩基施工,将于 2024 年 10 月 1 日开始施工,计划工期为 180 天,分 1 个专业桥涵桩基施工班组进行实施,计划投入 10 台钻机、 2 台空压机、风镐 4 套(凿桩头)、挖机 1 台、25T 吊车1 台、混凝土运输车 6 辆 、200KW 、150 KW 发电机各 1 台、钢筋加工设备一套、试验检测设备等配合施工。五、施工组织机构图 施工组织机构图项目经理:李玉友项目总工:姚昌良质检安全部施工技术部材料部副经理:李子宁协调部设备部协调部试验室现场施工主要管理人员工程名称水口河大桥备 注序号姓名职务1李玉友项目经理2姚昌良技术负责人3李子宁副经理4张伟质检工程师5谢晓枫测量负责人6阮雄彬技术主管7冯大财专职安全员8杨贤明实验室主任9郑九珍试验工程师10尹广满施工员12潘嘉伟测量员13陈明镇实验员六、质量保障机构质量组织机构图桩基施工队承台施工队经理部质量领导小组作业队安全检查小组经理部安全质量部班组质...

1、当您付费下载文档后,您只拥有了使用权限,并不意味着购买了版权,文档只能用于自身使用,不得用于其他商业用途(如 [转卖]进行直接盈利或[编辑后售卖]进行间接盈利)。
2、本站所有内容均由合作方或网友上传,本站不对文档的完整性、权威性及其观点立场正确性做任何保证或承诺!文档内容仅供研究参考,付费前请自行鉴别。
3、如文档内容存在违规,或者侵犯商业秘密、侵犯著作权等,请点击“违规举报”。

碎片内容

桥梁桩基施工方案45423

您可能关注的文档

确认删除?
VIP
微信客服
  • 扫码咨询
会员Q群
  • 会员专属群点击这里加入QQ群
客服邮箱
回到顶部