电脑桌面
添加小米粒文库到电脑桌面
安装后可以在桌面快捷访问

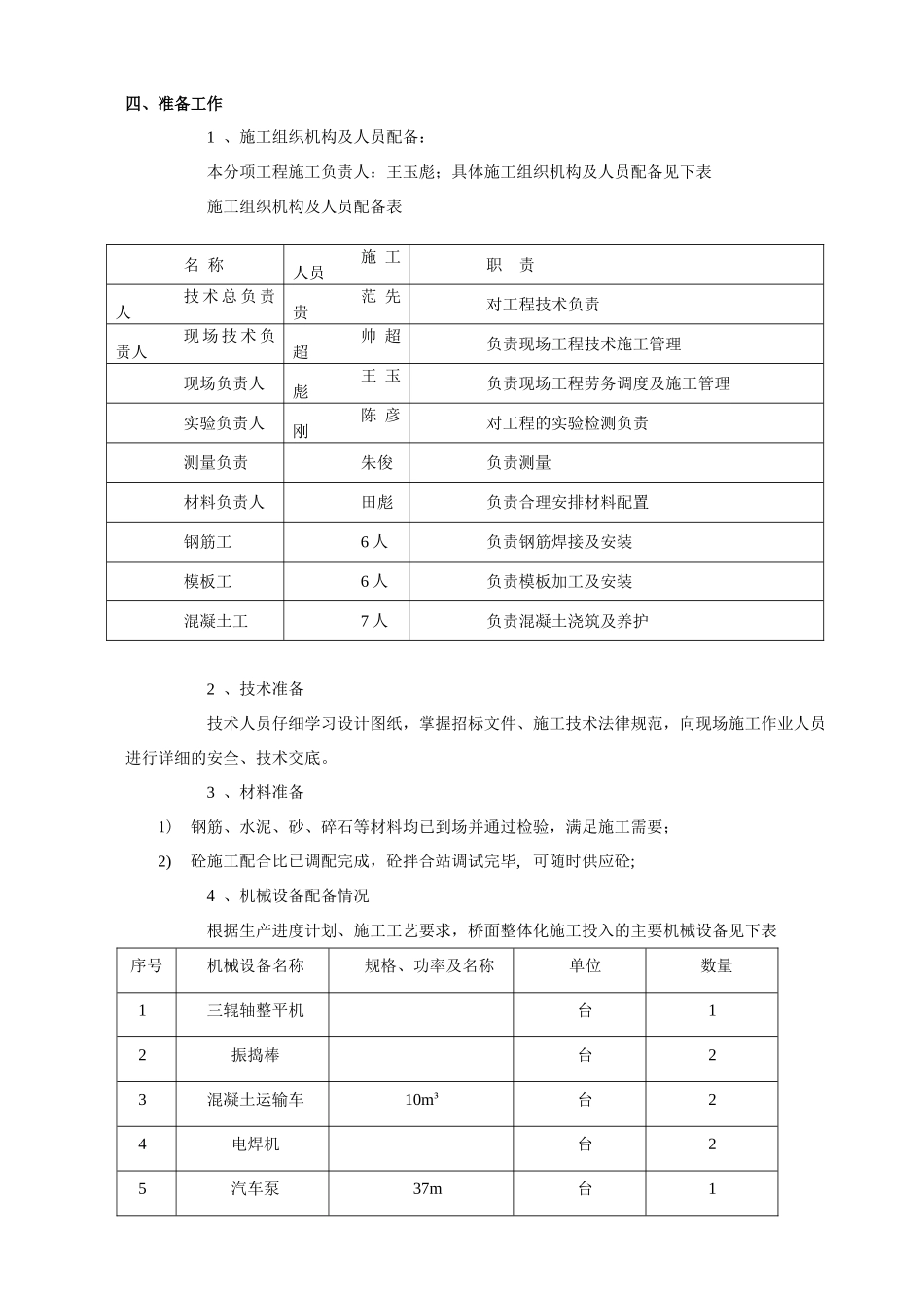
桥面整体化层首件工程施工方案

桥面整体化层首件工程施工方案_第1页
1/7
桥面整体化层首件工程施工方案_第2页
2/7
桥面整体化层首件工程施工方案_第3页
3/7
汕 湛 高 速 揭 博 项 目 T14标 桥 面 整 体 化 层 首 件 工 程 施 工方 案中 铁 十 二 局 集 团 第 四 工 程 有 限 公 司汕 湛 高 速 揭 博 项 目 T14 标 项 目 经 理 部二 〇 一 四 年 十 月汕 湛 高 速 揭 博 项 目 T14 标桥 面 整 体 化 层 首 件 工 程 施 工 方案编 制 :审 核 :审 批 :中 铁 十 二 局 集 团 第 四 工 程 有 限 公 司汕 湛 高 速 揭 博 项 目 T14 标 项 目 经 理 部二 〇 一 四 年 十 月 目 录一 、 编 制 依 据 0 二 、 编 制 原 则 Error: Reference source not found 三 、 工 程 概 况 0 四 、 准 备 工 作 1 五 、 整 体 化 层 施 工 2 六 . 质 量 控 制 4 七 、 安 全 控 制 5 桥 面 整 体 化 层 首 件 工 程 施 工 方 案一、编制依据⑴招标文件⑵《广东省高速公路建设标准化管理规定》⑶汕头至湛江高速公路揭西大溪至博罗石坝段两阶段施工图设计文件⑷《公路工程质量检验评定标准》(JTG F80/1-2024 )⑸《公路路基施工技术法律规范》(JTG F10 -2024)⑹《公路桥涵施工技术法律规范》(JTG/T F50-2024 )二、编制原则(1 )全面响应并严格遵守本项目招标文件的要求;(2)遵守各有关设计、施工法律规范、技术规程和质量评定及验收标准,确保工程质量达到业主的要求;(3 )本施工技术方案根据本合同段各类型的预制梁的数量、技术特点、工期要求多方面的因素而编制;(4 )控制施工质量,制定安全文明施工方案。三、工程概况1 、工程概况:本标段为第14标段,起点桩号为K210+575.226(与第13标段终点K207+735.594衔接),位于紫金县义容镇邓屋村南侧山体,沿省道S340南侧山体布线,经过中兴村、大新村、至坑口村之前终止,终点桩号为K219+840, 路线全长9.265km, 桥梁全长1687m 。桥梁上部结构主梁采纳20m 、25m 跨简支预应力混凝土小箱梁, 箱梁采纳集中预制,双幅每跨共10片( 大同村大桥0 #~1 #、1 #~2#跨为11片). 标段内共有大桥6 座, 中、小桥4 座, 天桥1 座,共计需预制25m小箱梁507 片,20m 小箱梁140 片。2 、工程特点桥面铺装三度(强度、厚度、平整度)和裂缝是桥面铺装施工控制的关键,尤其是平整度与裂缝的控制,这将直接影响到沥青混凝土面层的施工质量, 乃至影响今后通车的...

1、当您付费下载文档后,您只拥有了使用权限,并不意味着购买了版权,文档只能用于自身使用,不得用于其他商业用途(如 [转卖]进行直接盈利或[编辑后售卖]进行间接盈利)。
2、本站所有内容均由合作方或网友上传,本站不对文档的完整性、权威性及其观点立场正确性做任何保证或承诺!文档内容仅供研究参考,付费前请自行鉴别。
3、如文档内容存在违规,或者侵犯商业秘密、侵犯著作权等,请点击“违规举报”。

碎片内容

桥面整体化层首件工程施工方案

MY shop+ 关注
实名认证
内容提供者

欢迎挑选适合自己的材料。

确认删除?
VIP
微信客服
  • 扫码咨询
会员Q群
  • 会员专属群点击这里加入QQ群
客服邮箱
回到顶部