电脑桌面
添加小米粒文库到电脑桌面
安装后可以在桌面快捷访问

桩基检测合同书

桩基检测合同书_第1页
1/2
桩基检测合同书_第2页
2/2
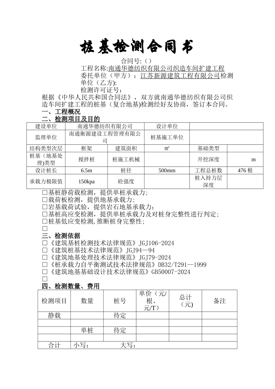
桩基检测合同书合同号:()工程名称:南通华德纺织有限公司织造车间扩建工程委托单位(甲方):江苏新源建筑工程有限公司检测单位(乙方):检测许可证号:根据《中华人民共和国合同法》,双方就南通华德纺织有限公司织造车间扩建工程的桩基(复合地基)检测经好友协商,签订本合同。一、工程概况二、检测项目及目的 建设单位南通华德纺织有限公司设计单位监理单位南通衡源建设工程管理有限公司桩基施工单位结构类型次层框架建筑面积㎡基础类型桩基(地基处理)类型搅拌桩桩施工机械开挖深度m设计桩长6.5m桩径500mm工程总桩数476 根承载力极限值150kpa砼强度桩入持力层深度□基桩静荷载检测,提供单桩承载力;□载荷板检测,提供地基承载力;□岩基载荷试验,提供岩石地基承载力;□基桩高应变检测,提供单桩承载力及对桩身完整性进行判定;□桩基低应变检测,推断桩身完整性;□三、检测依据□《建筑基桩检测技术法律规范》JGJ106-2024□《建筑桩基技术法律规范》JGJ94—94□《建筑地基处理技术法律规范》JGJ79-2024□《桩承载力自平衡测试技术法律规范》DB32/T291—1999□《建筑地基基础设计技术法律规范》GB50007-2024□四、检测数量、费用检测项目数量桩号单价(元/根、元/T)总计(元)备注静载待定单桩待定合计小写: 大写:费用支付方式:五、双方权力及义务(一)甲方负责:1、提供桩基设计资料、施工记录、工程地质报告;2、场地三通(水、电、路),保证乙方仪器及运输设备能顺利进场;3、确定检测桩数、桩位,桩头开挖及处理、以保证桩头满足现场测试要求;4、确定最大静荷载试验的吨位:kN。(二)乙方负责:1、根据国家和省市有关规定及本合同要求进行检测,并对检测结果负责;2、现场测试完毕后 7 天内向甲方提供五份正式检测报告.六、附则1、本合同一式份,甲方 壹 份,乙方 壹 份。2、本合同如遇不可避开的客观原因,而导致无法全部按规定执行,必须修订或终止时,由甲乙双方协商解决。3、本合同履行过程中,如有争议,双方应当协商解决.协商不成时,可申请仲裁,并根据《中华人民共和国经济合同法》中的有关规定处理。4、对检测报告若有异议,应在收到报告之日起 15 天内向检测单位提出.委托单位(甲方)法人代表: 检测单位()乙方法人代表:联系人: 联系人:电话: 电话:开户行: 开户行:账号: 账号: (公章) (公章)年 月 日 年 月 日

1、当您付费下载文档后,您只拥有了使用权限,并不意味着购买了版权,文档只能用于自身使用,不得用于其他商业用途(如 [转卖]进行直接盈利或[编辑后售卖]进行间接盈利)。
2、本站所有内容均由合作方或网友上传,本站不对文档的完整性、权威性及其观点立场正确性做任何保证或承诺!文档内容仅供研究参考,付费前请自行鉴别。
3、如文档内容存在违规,或者侵犯商业秘密、侵犯著作权等,请点击“违规举报”。

碎片内容

桩基检测合同书

您可能关注的文档

一帆文传+ 关注
实名认证
内容提供者

欢迎光临店铺,各类公文供您挑选。

确认删除?
VIP
微信客服
  • 扫码咨询
会员Q群
  • 会员专属群点击这里加入QQ群
客服邮箱
回到顶部