电脑桌面
添加小米粒文库到电脑桌面
安装后可以在桌面快捷访问

梁柱拆除报价单及施工方案

梁柱拆除报价单及施工方案_第1页
1/3
梁柱拆除报价单及施工方案_第2页
2/3
梁柱拆除报价单及施工方案_第3页
3/3
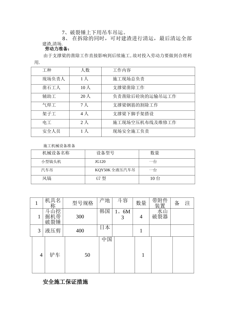
拆除方案及价格本工程预算单价为;1.不含垃圾清运和钢筋切割每立方 180×800 立方=144000 元 废料归甲方所有(以实际工程量计算)2。 含垃圾清运和钢筋切割每立方 30×800 立方=24000 元废料归乙方所有(以实际工程量计算)基本情况一、工程概况根据天津市项目建设规划要求,现需将基坑混泥土梁进行拆除。待拆迁建筑物为 2 层钢筋混泥土梁,总面积约为立方米。根据本次工程实际情况,估计拆除工期为 10 天.二、 施工环境拟拆除的建筑物位于内,与其它单位均有围墙隔离,待拆除的建筑物与隔离围墙均有一定距离。施工环境较好。三、拆除方案的选择 根据本次工程的实际情况,工期短,为保证拆除工程的安全、高效。拟采纳机械、人工配合拆除。液压剪和破裂锤粱体进行定向破裂梁柱,人工进行局部清理.四、施工步骤1、 在拆除施工单位进场进行拆除作业前,做好施工标识及警示,严禁无关人员进入作业区域及建渣可能溅落区域;2、 拟拆除建筑物内物品,设施等,在施工前必须全部搬迁;3、 施工人员进场,对需保护的部位进行覆盖防护,以免建渣溅落伤及.;4、破裂锤进场,并用 50T 的吊车把破裂锤吊至施工位置,对梁柱划定区域内进行分段式破裂钢筋混凝土。五、拆除施工安排及方法1。液压破裂锤进场时,如需要用竹夹板铺设临时道路,以免机械前进时压坏地面。2、液压破裂机对其直接进行破裂拆除. 3、人工清理废渣和残值。4、人工清理死角混凝土。在专职技术指挥人员下对划定的区域破裂。破裂同时洒水降尘。严禁在非破裂区域内破裂.非破裂区域内的混凝土由人工清理.5、破裂一块后,破裂机后退,人工铺设跳板,用氧割切断钢筋和镀锌板,用撬棍、凿子、铁锤小心清理洁净主梁上剩余混泥土。清理出来的钢筋及其他残值运送至指定地点码放。6、完成后破裂机再对另一块破裂,按以上方法进行施工,批次进行,直至整个拆除完成。7、破裂锤上下用吊车吊运。8、 在拆除的同时,可对建渣进行清运,最后清运全部建渣,清场.劳动力准备:由于支撑梁的凿除工作直接影响到后续施工,故对投入劳动力要做到合理利用.工种人数工作内容现场负责人1 人施工现场总负责凿石工人10 人支撑梁凿除工作辅助工20 人负责凿除后砼块的运输吊运工作气焊工7 人支撑梁钢筋的割除工作架子工4 人支撑梁下脚手架搭设电工2 人施工现场空压机布线及维修工作安全人员1 人现场安全施工负责 施工机械设备准备机械设备名称设备型号数量小型镐头机JG120一台汽车吊KQY50K 全液压汽...

1、当您付费下载文档后,您只拥有了使用权限,并不意味着购买了版权,文档只能用于自身使用,不得用于其他商业用途(如 [转卖]进行直接盈利或[编辑后售卖]进行间接盈利)。
2、本站所有内容均由合作方或网友上传,本站不对文档的完整性、权威性及其观点立场正确性做任何保证或承诺!文档内容仅供研究参考,付费前请自行鉴别。
3、如文档内容存在违规,或者侵犯商业秘密、侵犯著作权等,请点击“违规举报”。

碎片内容

梁柱拆除报价单及施工方案

您可能关注的文档

确认删除?
VIP
微信客服
  • 扫码咨询
会员Q群
  • 会员专属群点击这里加入QQ群
客服邮箱
回到顶部