电脑桌面
添加小米粒文库到电脑桌面
安装后可以在桌面快捷访问

模板专项施工方案(样本)

模板专项施工方案(样本)_第1页
1/23
模板专项施工方案(样本)_第2页
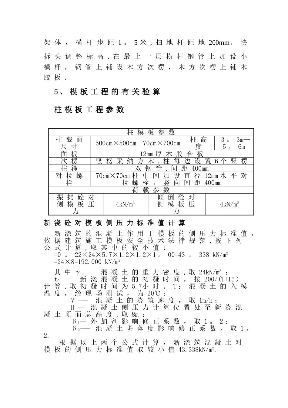
2/23
模板专项施工方案(样本)_第3页
3/23
南 水 北 调 东 线 一 期 工 程 江 苏 通 水 应 急 调 度 中 心( 调 度 灾 备 中 心 )模 板 工 程 专 项 方 案编 制 :审 核 :批 准 :江 苏 江 都 建 设 集 团 有 限 公 司2024年 1月 4日1 、 工 程 概 况 南 水 北 调 东 线 一 期 工 程 江 苏 通 水 应 急 调 度中 心 ( 调 度 灾 备 中 心 ) 工 程 为 二 层 建 筑 , 建 筑高度13。95m, 其中一层高度为3.3m ,二层6 。 36m, 建 筑 物 室 内 外 高 差 0.45m 。 一 层 用 途 :活 动 室 、 门 厅 、 讯 问 室 、 医 务 室 、 警 卫 室 等 ,二 层 为 办 公 区 、 休 息 厅 、 会 议 室 、 监 控 室 , 三层 为 大 会 议 室 、 休 息 厅 、 办 公 室 、 贮 藏 室 、 音控 室 等 , 本 工 程 外 形 为 长 方 形 , 长 64 。 8m ( 轴线 间 长 度 ) , 宽 49 。 00m( 轴 线 间 宽 度 ) 纵 向 共 16个 轴 线 , 为 1 ~ 14 轴 , 横 向 为 11 个 轴 线 分 别 为 A~ L 轴 .结 构 形 式 :基 础 为 桩 承 台 独 立 基 础 , 上 部 为 框 架 结 构 ,结 构 安 全 等 级 为 二 级 , 抗 震 设 防 烈 度 为 7 度 , 框架 抗 震 等 级 三 级 , 按 抗 震 等 级 二 级 实 行 抗 震 措施 ; 墙 体 拉 结 筋 按 8 度 设 防 ; 楼 梯 间 抗 震 等 级 为二 级 , 抗 震 按 一 级 等 级 执 行 。2 、材料选用及要求材 料 种类规 格 型 号材 质模 板12mm 厚木 胶 合 板木 方40×100mm杉 木钢 管Ø48×2。 7mmQ235扣 件/锻 铸 铁3.1本 工 程 采 纳 12mm 厚 木 胶 板 , 其 强 度 、 刚 度满 足 施 工 要 求 , 木 胶 板 表 面 平 整 光 滑 , 易 脱 模 。3 。 2 钢 管 : 采 纳 Ф48×2 。 7mm钢 管 , 有 弯 折 、空 洞 、 锈 蚀 、 裂 纹 等 严 重 影 响 架 体 结 构 实 体 稳定 性 的 管 体 严 谨 使 用 。3 。 3 扣 件 : 有 裂 纹 、 滑 丝 的 扣 件 严 禁 使 用 。3.4架 体 底 座 采 纳 木 垫 板 , 木 垫 板 宽 不 小 于30...

1、当您付费下载文档后,您只拥有了使用权限,并不意味着购买了版权,文档只能用于自身使用,不得用于其他商业用途(如 [转卖]进行直接盈利或[编辑后售卖]进行间接盈利)。
2、本站所有内容均由合作方或网友上传,本站不对文档的完整性、权威性及其观点立场正确性做任何保证或承诺!文档内容仅供研究参考,付费前请自行鉴别。
3、如文档内容存在违规,或者侵犯商业秘密、侵犯著作权等,请点击“违规举报”。

碎片内容

模板专项施工方案(样本)

您可能关注的文档

确认删除?
VIP
微信客服
  • 扫码咨询
会员Q群
  • 会员专属群点击这里加入QQ群
客服邮箱
回到顶部