电脑桌面
添加小米粒文库到电脑桌面
安装后可以在桌面快捷访问

模板工程质量保证措施VIP专享

模板工程质量保证措施_第1页
1/5
模板工程质量保证措施_第2页
2/5
模板工程质量保证措施_第3页
3/5
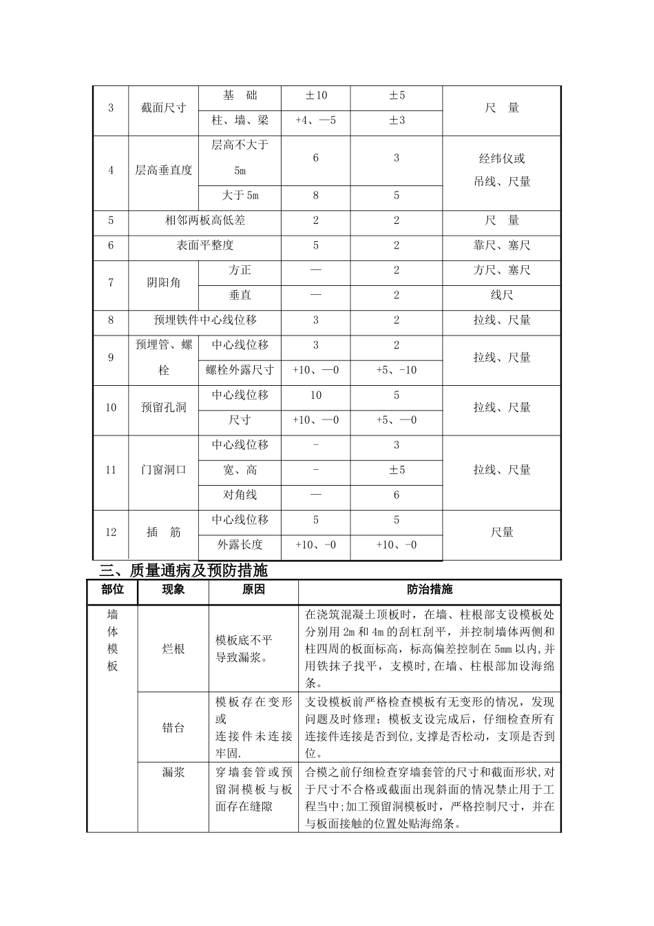
模板工程质量保证措施一、质量预控措施1、加强模板工程的质量预检1。1 组装好的模板需经技术质量部门检查验收合格后方可使用,仔细检查模板的板面特别是接缝处板面是否有错台现象,局部板面是否有凹凸现象,及时向有关人员反映进行处理。1。2 检查组装好模板的几何尺寸和阴阳角模尺寸是否和设计尺寸吻合。1。3 板面要仔细进行清理和除锈,涂刷脱膜剂,不得硬性敲打板面。第一次使用模板必要时可涂刷一道新机油隔离剂.1.4 支模前应仔细检查房间四角标高是否一致,并实行措施,必须保持在同一标高位置,仔细检查墙体尺寸线是否符合要求;仔细检查钢筋支模定位筋的尺寸、位置、数量是否正确。1。5 门窗洞口模板在使用过程中应加强管理。支、拆模及运输时,应轻搬轻放;发现钢框有损坏变形,应及时修理;模板分类分规格码放,对钢框要定期涂刷防锈漆;2、浇注混凝土过程中,要设专人看模,如发现变形、松动现象,及时修整加固。3、加强施工过程中的成品保护1. 模板平放时,要有木方垫架。立放时,要搭设分类模板架,模板触地处要垫木方,保证模板不扭曲不变形.不可乱堆乱放或在组拼的模板上堆放分散模板和配件.2. 工作面已安装完毕的墙、柱模板,不准在吊运其它模板时碰撞,不准在预拼装模板就位前作为临时椅靠,以防止模板变形或产生垂直偏差。工作面已安装完毕的平面模板,不可做临时堆料和作业平台,以保证支架的稳定,防止平面横板标高和平整产生偏差。二、模板安装允许偏差项次项 目允许偏差值(mm)检查方法国家标准企业标准1轴线位移柱、墙、梁53尺 量2底模上表面表高±5±3水准仪或拉线尺量3截面尺寸基 础±10±5尺 量柱、墙、梁+4、—5±34层高垂直度层高不大于5m63经纬仪或吊线、尺量大于 5m855相邻两板高低差22尺 量6表面平整度52靠尺、塞尺7阴阳角方正—2方尺、塞尺垂直—2线尺8预埋铁件中心线位移32拉线、尺量9预埋管、螺栓中心线位移32拉线、尺量螺栓外露尺寸+10、—0+5、-1010预留孔洞中心线位移105拉线、尺量尺寸+10、—0+5、—011门窗洞口中心线位移-3拉线、尺量宽、高-±5对角线—612插 筋中心线位移55尺量外露长度+10、-0+10、-0三、质量通病及预防措施部位现象原因防治措施墙体模板烂根模板底不平导致漏浆。在浇筑混凝土顶板时,在墙、柱根部支设模板处分别用 2m 和 4m 的刮杠刮平,并控制墙体两侧和柱四周的板面标高,标高偏差控制在 5mm 以内,并用铁抹子找平,支模时,在墙、柱根部加设海绵条。错台模板存在变形或连接...

1、当您付费下载文档后,您只拥有了使用权限,并不意味着购买了版权,文档只能用于自身使用,不得用于其他商业用途(如 [转卖]进行直接盈利或[编辑后售卖]进行间接盈利)。
2、本站所有内容均由合作方或网友上传,本站不对文档的完整性、权威性及其观点立场正确性做任何保证或承诺!文档内容仅供研究参考,付费前请自行鉴别。
3、如文档内容存在违规,或者侵犯商业秘密、侵犯著作权等,请点击“违规举报”。

碎片内容

模板工程质量保证措施

确认删除?
VIP
微信客服
  • 扫码咨询
会员Q群
  • 会员专属群点击这里加入QQ群
客服邮箱
回到顶部