电脑桌面
添加小米粒文库到电脑桌面
安装后可以在桌面快捷访问

模板验收用表

模板验收用表_第1页
1/4
模板验收用表_第2页
2/4
模板验收用表_第3页
3/4
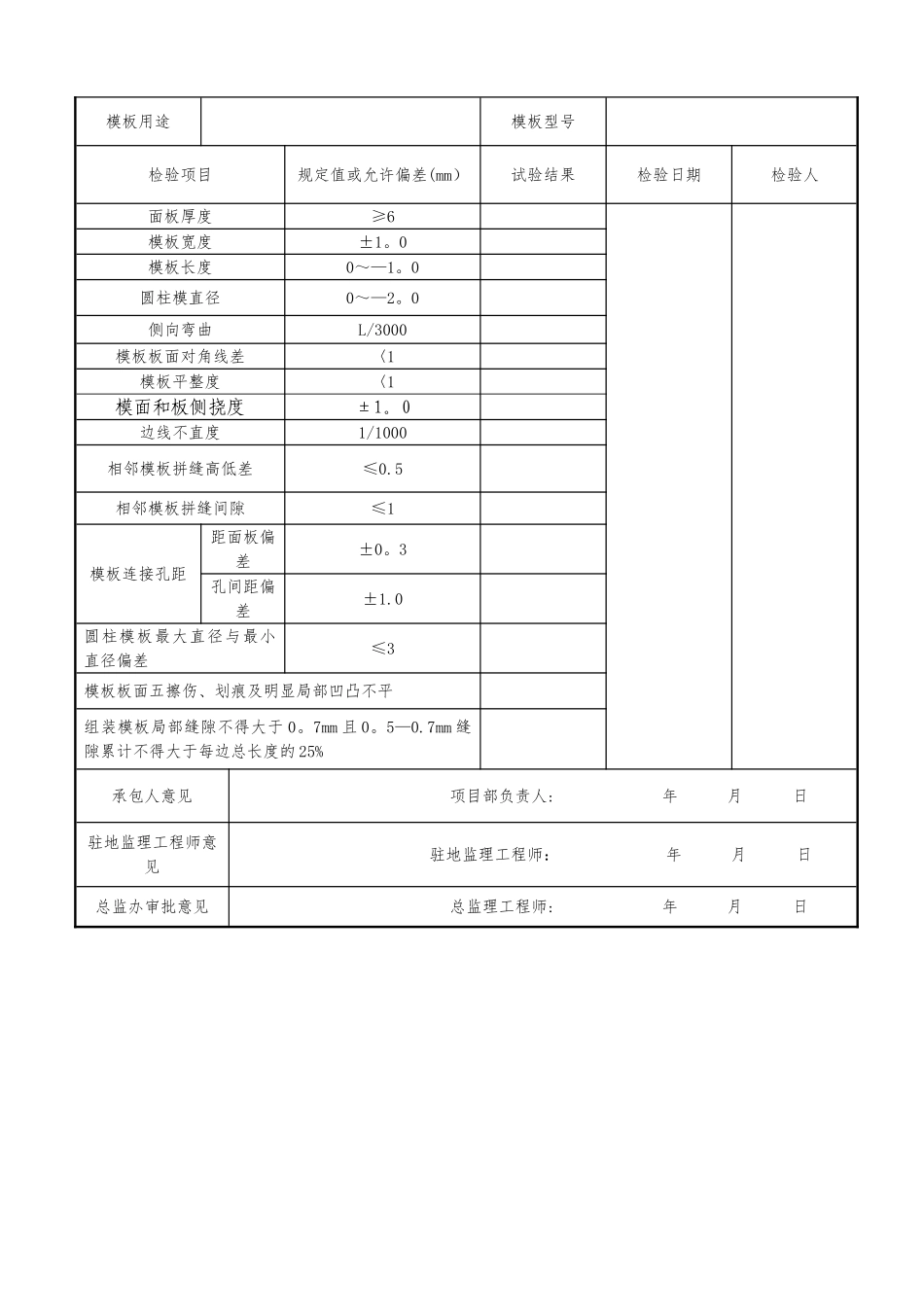
附表一:《钢模板质量验收标准》、附表二:《模板验收单》、附表三:《钢模板进场准入表》、附表四:《钢模板板质量检验评定表》附表一钢模板检验标准项次项 目允许偏差(mm)检验方法1面板厚度≥6千分尺检查2模板宽度±1。0钢卷尺量检查3模板长度0~—1.0钢卷尺量检查4圆柱模直径0~-2。0钢卷尺量检查5侧面弯曲L/3000拉线用钢板尺测量最大弯曲处6模板板面对角线差﹤1钢卷尺量检查7模板平整度﹤12m 靠尺,塞尺钢板尺检查8模面和板侧挠度±1.02m 靠尺,塞尺或钢板尺检查9边线平直度1/10002m 靠尺,塞尺检查10相邻模板拼缝高低差≤1平尺,塞尺、钢板尺检查11相邻模板拼缝间隙≤1塞尺检查12模板连接孔距距面板面偏差±0。3卡尺检查13孔间距偏差±1。0钢卷尺量检查14圆柱模板最大直径与最小直径偏差≤3钢卷尺量检查15模板板面无擦伤、划痕及明显局部凹凸锤痕16组装模板局部缝隙不得大于 0。7mm 且 0。5—0。7mm 缝隙累计不得大于每边总长度的 25%附表二模 板 验 收 单单位部门姓名职务备注承包商工程部质检部项目总工程师驻地办结构监理工程师驻地监理工程师总监办(或代表处)总监办生产厂家结 论 年 月 日附表三钢模板进场准入表(编号: )合同段号:TJ—07施工单位河南省路桥建设集团有限公司监理单位育才—布朗交通咨询监理有限公司申报单位巩义永新机械模板厂模板名称模板用途模板型号检验项目规定值或允许偏差(mm)试验结果检验日期检验人面板厚度≥6模板宽度±1。0模板长度0~—1。0圆柱模直径0~—2。0侧向弯曲L/3000模板板面对角线差〈1模板平整度〈1模面和板侧挠度±1。0边线不直度1/1000相邻模板拼缝高低差≤0.5相邻模板拼缝间隙≤1模板连接孔距距面板偏差±0。3孔间距偏差±1.0圆柱模板最大直径与最小直径偏差≤3模板板面五擦伤、划痕及明显局部凹凸不平组装模板局部缝隙不得大于 0。7mm 且 0。5—0.7mm 缝隙累计不得大于每边总长度的 25%承包人意见 项目部负责人: 年 月 日驻地监理工程师意见 驻地监理工程师: 年 月 日总监办审批意见 总监理工程师: 年 月 日附 表 四钢 模 板 质 量 检 验 评 定 表工程部位: 施工单位:河南省路桥建设集团有限公司 监理单位:育才—布朗交通咨询监理有限公司项次项目规定值或允许偏差(mm)检验方法及量具实测值或实测偏差值1231面板厚度≥6千分尺检查2模板宽度±1 。0钢卷尺测量一端及中部3模板长度0 ~-1.0钢卷尺测量两角边4圆柱模直径0 ~-2 。0卷...

1、当您付费下载文档后,您只拥有了使用权限,并不意味着购买了版权,文档只能用于自身使用,不得用于其他商业用途(如 [转卖]进行直接盈利或[编辑后售卖]进行间接盈利)。
2、本站所有内容均由合作方或网友上传,本站不对文档的完整性、权威性及其观点立场正确性做任何保证或承诺!文档内容仅供研究参考,付费前请自行鉴别。
3、如文档内容存在违规,或者侵犯商业秘密、侵犯著作权等,请点击“违规举报”。

碎片内容

模板验收用表

您可能关注的文档

确认删除?
VIP
微信客服
  • 扫码咨询
会员Q群
  • 会员专属群点击这里加入QQ群
客服邮箱
回到顶部