电脑桌面
添加小米粒文库到电脑桌面
安装后可以在桌面快捷访问

2025年数控车床高级工试题库

2025年数控车床高级工试题库_第1页
1/6
2025年数控车床高级工试题库_第2页
2/6
2025年数控车床高级工试题库_第3页
3/6
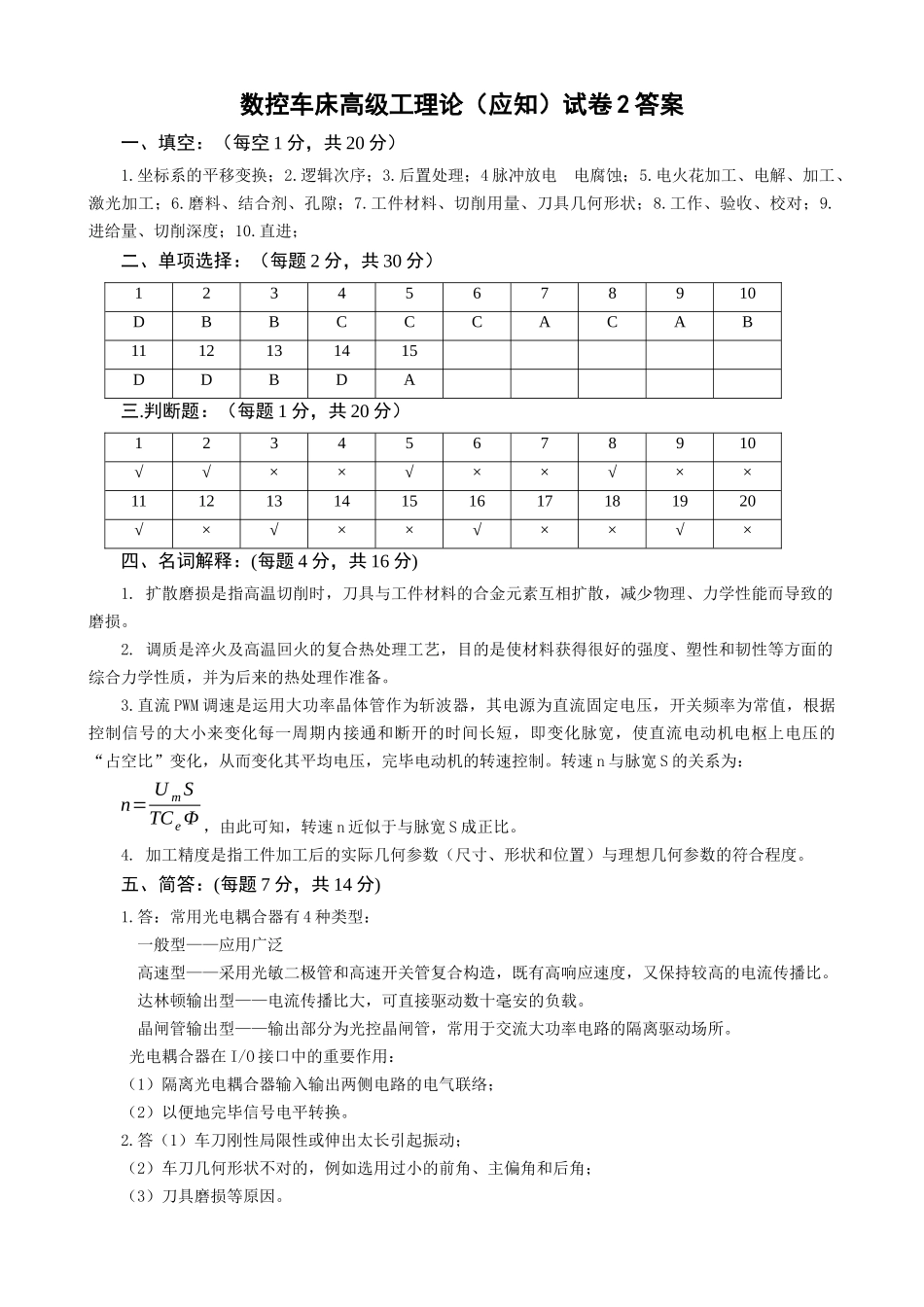
数控车床高级工试题库 数控车床高级工理论(应知)试题库答案数控机床高级工理论(应知)试卷 1 答案一、填空:(每空 1 分,共 20 分)1.插补循环数;2.最大轴向窜动量;3.纯液体;4.步进电动机、传动系统;5.π/2;6.电磁感应;7.耐热;8.振动;9.软;10.切削深度、进给量、切削速度;11.带状切屑、粒状切屑、状切屑、 崩碎状切屑;12.磨料、结合剂;13.反复定位精度;二、单项选择:(每题 2 分,共 30 分)12345678910CAAACCBBBB1112131415CCDAC三、判断题:(每题 1 分,共 20 分)12345678910×××√√√√√√√11121314151617181920×√×√√√××××四、名词解释:(每题 4 分,共 16 分)1. 刀位点是指在加工程序编制时,用以表达刀具特征的点,也是对刀和加工的基准点。2. FMC(柔性制造单元)由加工中心和自动互换装置所构成,同步数控系统还增长了自动检测与工况自动监控等功能。这里的柔性是指可以容易地适应多品种、小批量的生产功能。3. 逐点比较插补法通过比较刀具与加工曲线的相对位置来确定刀具的运动。逐点比较法的一种插补循环包括四个节拍:(1)偏差鉴别 、(2)进给、(3)偏差计算、(4)终点判断4. 闭环控制伺服系统的位置检测元件安装在执行元件上,用以实测执行元件的位置或位移。数控装置对位移指令与位置检测元件测得的实际位置反馈信号随时进行比较,根据其差值及指令进给速度的规定,按照一定规律进行转换后,得到进给伺服系统的速度指令。此外还运用与伺服驱动电动机同轴刚性连接的测速元器件,随时实测驱动电动机的转速,得到速度反馈信号,将它与速度指令信号相比较,得到速度误差信号,对驱动电动机的转速随时进行校正五、简答:(每题 7 分,共 14 分)1. 答:根据使用功能不一样可分为:(1)读写存储器(RAM):重要用来寄存加工程序、加工现场参数和系统的工作缓冲区。由于系统掉电后,读写存储器中的信息会丢失,因此一般系统都设有掉电保护装置。(2)只读存储器(ROM) 在程序执行过程中只能读出,不能写入,掉电后仍可保持信息。因此,只读存储器一般用来寄存固定的程序,如微机的管理程序、监控程序、汇编语言、顾客控制程序等。2. 答:机床中有些检测元件的输出信息不是数字量,而是模拟量。由于微机是以数字为基础工作的 ,因此这些模拟量在输入微机之前,一定要进行 A/D(模拟/数字量)转换。对于采用直流伺服电动机的计算机数控系统,由于电动机的控制信...

1、当您付费下载文档后,您只拥有了使用权限,并不意味着购买了版权,文档只能用于自身使用,不得用于其他商业用途(如 [转卖]进行直接盈利或[编辑后售卖]进行间接盈利)。
2、本站所有内容均由合作方或网友上传,本站不对文档的完整性、权威性及其观点立场正确性做任何保证或承诺!文档内容仅供研究参考,付费前请自行鉴别。
3、如文档内容存在违规,或者侵犯商业秘密、侵犯著作权等,请点击“违规举报”。

碎片内容

2025年数控车床高级工试题库

您可能关注的文档

确认删除?
VIP
微信客服
  • 扫码咨询
会员Q群
  • 会员专属群点击这里加入QQ群
客服邮箱
回到顶部