电脑桌面
添加小米粒文库到电脑桌面
安装后可以在桌面快捷访问

毛石垫层施工方案

毛石垫层施工方案_第1页
1/4
毛石垫层施工方案_第2页
2/4
毛石垫层施工方案_第3页
3/4
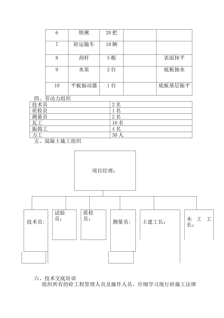
毛石垫层施工方案一、工程概况本工程位于平泉县平泉镇七家村,场地较为平坦, 1#、2#楼建筑面积均为 20956.64㎡,其中地下 2 层、面积 1690。07㎡;地上 24 层,建筑高度 72.35m。 3#楼建筑面积 25027。86㎡,其中地下 2 层、面积1721。 01㎡;地上二十六层,建筑高度 79。 45m. 地基承载力为320kpa。二、设计更改原因本工程设计槽底标高分别为:1#楼—7.96m、2#楼-7。96m、3#楼—8.06m.土层为圆砾层,地基承载力 320kpa,当挖至标高时,发现大部位地质为粗砂层或粉夹层,不能满足设计要求,实行了加深地基措施,深度分别为:1#楼 1.2m、2#楼 1。5m、3#楼 1.2m.静压试验满足设计要求后,经设计、勘察、建设、监理多方论证,所有加深位置采纳C15 毛石混凝土地基,地基毛石砼宽度为外墙轴线外 400mm。砼用量及毛石大约用量 :1#楼砼 680m³ 毛石 227m³2#楼砼 960m³ 毛石 320m³ 3#楼 645m³ 毛石 214m³三、毛石混凝土施工工艺1. 材料的选用毛石选用不规则青石块,规格 20cm 左右,但不小于 10cm,坚实、未风化、无裂痕、干净的石料,强度等级大于 MU20。混凝土为普通 C15 混凝土,塌落度为 180mm-200mm。2. 毛石砼浇筑方案选择为了满足混凝土用量及时供应 ,以及毛石的储存。混凝土为指定混凝土公司提供,提前预约时间,确定用量,毛石根据计划计划提前储存.毛石混凝土用长臂为 42m 混凝土汽车运送泵 1 台,进行浇筑,每栋楼分为 2 个流水段,使汽车泵覆盖整个作业面,毛石用塔吊装,小推车配合使用。施工机具计划表序号名称数量规格要求1汽车泵1 台臂长 42m2塔吊1 座臂长 50m3小推车10 辆4振动器4 台5振动棒10 根6铁锹20 把7砼运输车10 辆8刮杆5 根表面抹平9水泵2 台底板抽水10平板振动器1 台底板基层振平四、劳动力组织技术员2 名质检员1 名测量员2 名瓦工10 名振捣工4 名力工30 人五、混凝土施工组织项目经理:技术员:试验员:质检员:测量员:土建工长:木工工长:六、技术交底培训组织所有的砼工程管理人员及操作人员,仔细学习现行砼施工法律规范工艺标准和技术交底,杜绝施工现场盲目指挥和作业七、施工准备技术部编制毛石砼工程技术交底,对基槽抄平,放线,包括基础的外边线,集水坑、电梯井的位置确定,木工进行模板的支护,经监理检查合格后进行浇筑。八、毛石混凝土的浇筑首先控制砼运输、搅拌至浇筑时间不超过 120min,以及对砼泵车的保温,使砼不产生离析分层,确保砼...

1、当您付费下载文档后,您只拥有了使用权限,并不意味着购买了版权,文档只能用于自身使用,不得用于其他商业用途(如 [转卖]进行直接盈利或[编辑后售卖]进行间接盈利)。
2、本站所有内容均由合作方或网友上传,本站不对文档的完整性、权威性及其观点立场正确性做任何保证或承诺!文档内容仅供研究参考,付费前请自行鉴别。
3、如文档内容存在违规,或者侵犯商业秘密、侵犯著作权等,请点击“违规举报”。

碎片内容

毛石垫层施工方案

人从众+ 关注
实名认证
内容提供者

欢迎光临小店,本店以公文和教育为主,希望符合您的需求。

确认删除?
VIP
微信客服
  • 扫码咨询
会员Q群
  • 会员专属群点击这里加入QQ群
客服邮箱
回到顶部