电脑桌面
添加小米粒文库到电脑桌面
安装后可以在桌面快捷访问

气溶胶更换施工方案

气溶胶更换施工方案_第1页
1/15
气溶胶更换施工方案_第2页
2/15
气溶胶更换施工方案_第3页
3/15
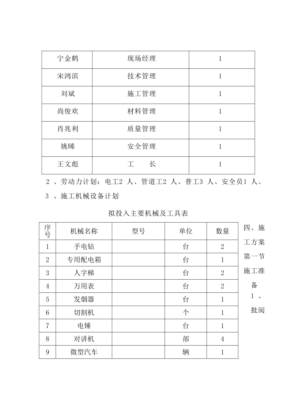
施 工 方 案一、工程概况及范围1.220KV变电站气体灭火系统改造:EBM气溶胶已近使用期限(2024年4月到有效期),现对EBM气溶胶灭火系统进行全面更换,采纳无管网七氟丙烷灭火系统,包括天钢东移220KV变电站工程的首层2个气体灭火灭火区,现跟据现场情况及现行法律规范,在气体区内设置感烟探测器和感温电缆,并接至二层的控制中心。在气体内设置无管网七氯丙烷气体灭火系统,并设置紧急启停按钮、声光报警器、气体释放灯、电磁阀启动和压力开关反馈功能。同时对联动系统进行调试,通过模拟启动试验后,调试、开通。二、设计依据:1 。《建筑设计防火法律规范》GB50016—20242. 《火灾自动报警系统设计法律规范》GB50116-983 。《火灾自动报警系统施工验收法律规范》GB50116—20244 。《气体灭火灭火系统设计法律规范》GB50370—20245.《气体灭火系统施工及验收法律规范》GB50263-976 。业主提供的技术资料及功能使用.三、人员、机具安排 1 、管理机构姓名职务数量宁金鹤现场经理1宋鸿滨技术管理1刘斌施工管理1尚俊欢材料管理1肖兆利质量管理1姚晞安全管理1王文彪工 长12 、劳动力计划:电工2 人、管道工2 人、普工3 人、安全员1 人。 3 、施工机械设备计划拟投入主要机械及工具表四、施工方案第一节 施工准备1 、批阅序号机械名称型号单位数量1手电钻台22专用配电箱台13人字梯台24万用表台25发烟器台16切割机个17电锤台18对讲机部49微型汽车辆1设计文件,组织技术交底,编制施工方案.2 、做好施工机具、原材料的准备工作。3 、根据天钢的各项管理要求办理好工程施工手续: 施工人员进厂安全教育, 开工报告,动火、用电、施工场地占用等手续。第二节 施工方法火灾自动报警系统的施工方法1、消防报警系统及联动系统的总体施工程序 本工程中遵循以报警控制器为中心向其它区域辐射布置的原则,做到建筑内各部位报警点与消防中心百分之百通讯正常.在具体施工过程中,与其他专业工程密切配合做好预留部位的交接检查工作,做到严格、认真、细致、准确的工作.总体施工程序如下图:材 料 进 场 预 埋 线 管 穿 线 检测线路 安装报警设备 报警主机安装 网路接线及系统调试竣工验收2.穿线施工工艺及施工技术措施(1)线缆穿管敷设a.线缆穿管敷设应使用刚性带线(钢线或塑线)。b。穿钢管时应先安装护口,特制钢管螺接头除外。c.当穿线困难时,可使用滑石粉润滑,禁止使用油脂或墨粉。d.线缆在穿线盒内应留有 200-300mm 的余量...

1、当您付费下载文档后,您只拥有了使用权限,并不意味着购买了版权,文档只能用于自身使用,不得用于其他商业用途(如 [转卖]进行直接盈利或[编辑后售卖]进行间接盈利)。
2、本站所有内容均由合作方或网友上传,本站不对文档的完整性、权威性及其观点立场正确性做任何保证或承诺!文档内容仅供研究参考,付费前请自行鉴别。
3、如文档内容存在违规,或者侵犯商业秘密、侵犯著作权等,请点击“违规举报”。

碎片内容

气溶胶更换施工方案

确认删除?
VIP
微信客服
  • 扫码咨询
会员Q群
  • 会员专属群点击这里加入QQ群
客服邮箱
回到顶部