电脑桌面
添加小米粒文库到电脑桌面
安装后可以在桌面快捷访问

2025年小区全套施工组织设计

2025年小区全套施工组织设计_第1页
1/132
2025年小区全套施工组织设计_第2页
2/132
2025年小区全套施工组织设计_第3页
3/132
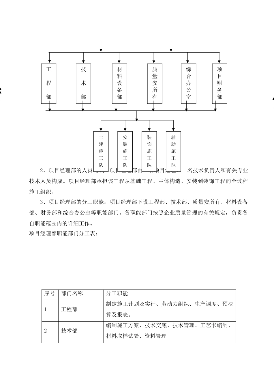
目 录第一章 综合阐明第二章 施工布署第三章 施工准备第四章 施工总平面布置第五章 各分部分项工程的施工方案与技术措施第六章 质量管理体系及保证措施第七章 工程进度计划与控制措施第八章 安全管理体系与控制措施第九章 文明施工控制措施第十章 现场消防措施第十一章 环境保护措施第十二章 地下管线及其他地上地下设施的保护加固措施第十三章 成品保护措施第十四章 特殊时段施工措施第十五章 资源配置计划第十六章 减少工程成本措施第十七章 协调配合措施第十八章 其他措施第十九章 安全预案及安全应急救援预案第二十章 突发治安事件的应急预案附表一:拟投入本标段的重要施工设备表附表二:拟配置本标段的试验和检测仪器设备表附表三:劳动力计划表附表四:计划开、竣工日期和施工进度网络图附表五:施工总平面图附表六:临时用地表第一章 综合阐明第一节 编制原则本施工组织设计作为指导施工的根据,编制时对项目管理机构设置、劳动力组织、施工进度计划控制、机械设备及周转材料配置、重要分部分项工程施工措施、工程质量控制措施、安全生产保证措施、文明施工措施、减少成本措施等诸多原因尽量充足考虑,突出科学性及可行性。是保证优质、低耗、安全、文明、高速完毕所有施工任务的重要经济技术文献,同步结合本工程标段的实际状况,科学的组织管理和施工,保证本工程施工进度及质量。第二节 编制根据1、中江县公共租赁住房李园小区、北塔小区工程施工一标段招标文献。2、本工程的工程量清单及工程施工图纸;3、国家现行施工规范及验收原则、地方原则、规程、原则图集以及省市有关建筑施工管理等方面的有关状况;4、我企业目前的技术力量及机械设备装备状况;第三节 工程概况(1)本工程为中江县住房和城镇规划建设局实行新建的中江县公共租赁住房李园小区、北塔小区工程施工一标段(1#楼-2#共 2 栋,建筑总面积 10387.33m2。室外总平工程包括室外配电、给水消防、红线区域以内的小区道路、临街面铺装、绿化、雨污水系统等),建设地点位于中江县南华镇李园村; (2)本工程建筑层数为地上 6 层,1#~2#楼构造形式为底框构造;工程设计使用年限为 50 年,抗震设防烈为 7 度。第二章 施工布署第一节 施工组织1、项目经理部的构成原则:根据本工程的规模和特点,企业将派优秀的项目经理担任本工程的项目经理,并选派企业技术骨干构成现场项目经理部。项目经理部作为企业的现场管理者代表企业全权组织本工程的施工...

1、当您付费下载文档后,您只拥有了使用权限,并不意味着购买了版权,文档只能用于自身使用,不得用于其他商业用途(如 [转卖]进行直接盈利或[编辑后售卖]进行间接盈利)。
2、本站所有内容均由合作方或网友上传,本站不对文档的完整性、权威性及其观点立场正确性做任何保证或承诺!文档内容仅供研究参考,付费前请自行鉴别。
3、如文档内容存在违规,或者侵犯商业秘密、侵犯著作权等,请点击“违规举报”。

碎片内容

2025年小区全套施工组织设计

您可能关注的文档

确认删除?
VIP
微信客服
  • 扫码咨询
会员Q群
  • 会员专属群点击这里加入QQ群
客服邮箱
回到顶部