电脑桌面
添加小米粒文库到电脑桌面
安装后可以在桌面快捷访问

水利工程监理部监理月报

水利工程监理部监理月报_第1页
1/8
水利工程监理部监理月报_第2页
2/8
水利工程监理部监理月报_第3页
3/8
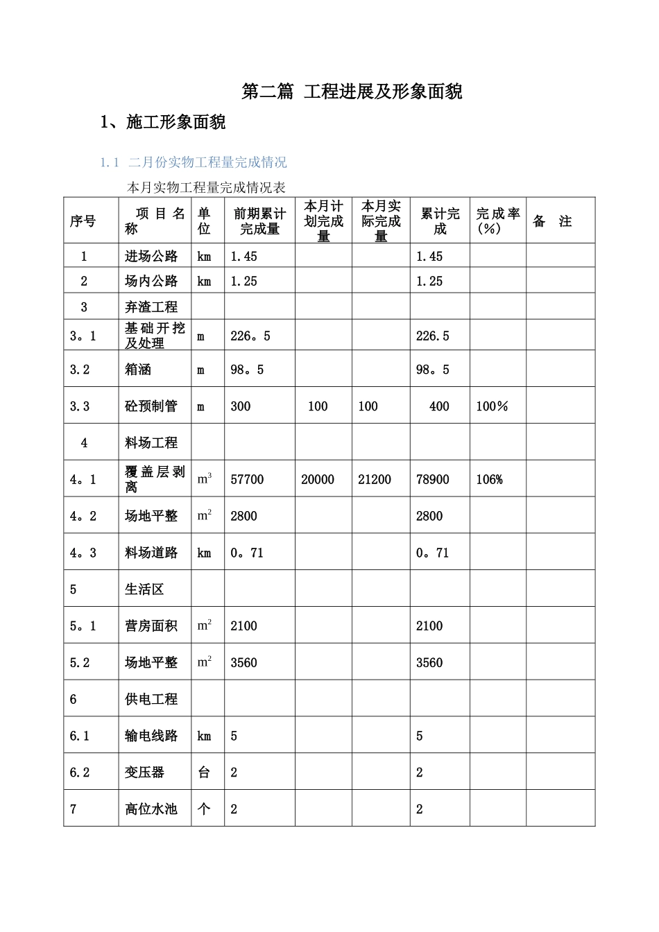
贵州省安顺市镇宁县白沙水库项目工程监理月报四川瑞泰工程项目管理有限公司白沙水库工程监理部 二○一八年二月二十八日贵州省安顺市镇宁县白沙水库项目二月份工程监理月报批准:帅云杰校核: 帅云杰编写:黄伟四川瑞泰工程项目管理有限公司白沙水库工程监理部二○一八年二月二十八日第一篇 大事记(2024 年 01 月 01 日~2024 年 01 月 31 日)1.2024 年 2 月 5 日导流洞贯穿;2。2024 年 2 月 8 日市水务局领导到施工场地现场慰问白沙水库项目各参建方并召开现场协调会;第二篇 工程进展及形象面貌1、施工形象面貌1.1 二月份实物工程量完成情况本月实物工程量完成情况表序号项 目 名称单位前期累计完成量本月计划完成量本月实际完成量累计完成完 成 率(%)备 注1进场公路km1.451.452场内公路km1.251.253弃渣工程3。1基 础 开 挖及处理m226。5226.53.2箱涵m98。598。53.3砼预制管m300 100100400100%4料场工程4。1覆 盖 层 剥离m357700200002120078900106%4。2场地平整m2280028004。3料场道路km0。710。715生活区5。1营房面积m2210021005.2场地平整m2356035606供电工程6.1输电线路km556.2变压器台227高位水池个228导 流 洞 工程8。1土 石 方 开挖m34910049100进出口明洞段开挖(边坡)8.2洞身开挖m215。5111111326.5100%9大 坝 土 石方开挖m389758500006354289758127%1.2 一月份工程形象面貌本工程已完成进场公路 1.45km, 场内公路工程 1.25km。弃渣场工程(完成基础处理 496.5m,箱涵钢筋砼完成 98.5m,完成 Ø1000 涵管埋设 400m)。料场覆盖层剥离(完成 78900m³)及场地平整(完成 2800㎡),临时道路完成0.71km。生活营区建设(营房面积完成 2100㎡ )及场地平整(完成 3560㎡ )。 临时施工用电线路及变压器(完成输电线路 5km,完成 630KVA 变压器一台, 400KVA 变压器一台。施工用高位水池(完成两个:一个 82m³、一个 15m³).(1)截止目前工程进展如下:导流洞工程:进口土石方明挖 27000 m³ ,出口土石挖明挖 22100 m³,洞身开挖已全部完成(326。5m).并完成临时支护工作,垫层砼全部浇完,正在进行隧洞砼浇准备工作,完成形象进度:65%。(2)大坝开挖:左坝肩开挖 85100 m³,右坝肩开挖 68200 m³,坝基开挖开进行中。完成形象进度 75%。(3)料场开采:覆盖层剥离开挖 78900 m³ ,完成形象进度 20%。(4)渣场工程:箱涵施工完成 98。5m,完成 Ø1000...

1、当您付费下载文档后,您只拥有了使用权限,并不意味着购买了版权,文档只能用于自身使用,不得用于其他商业用途(如 [转卖]进行直接盈利或[编辑后售卖]进行间接盈利)。
2、本站所有内容均由合作方或网友上传,本站不对文档的完整性、权威性及其观点立场正确性做任何保证或承诺!文档内容仅供研究参考,付费前请自行鉴别。
3、如文档内容存在违规,或者侵犯商业秘密、侵犯著作权等,请点击“违规举报”。

碎片内容

水利工程监理部监理月报

您可能关注的文档

确认删除?
VIP
微信客服
  • 扫码咨询
会员Q群
  • 会员专属群点击这里加入QQ群
客服邮箱
回到顶部