电脑桌面
添加小米粒文库到电脑桌面
安装后可以在桌面快捷访问

水泥混凝土路面检验批质量验收记录

水泥混凝土路面检验批质量验收记录_第1页
1/1
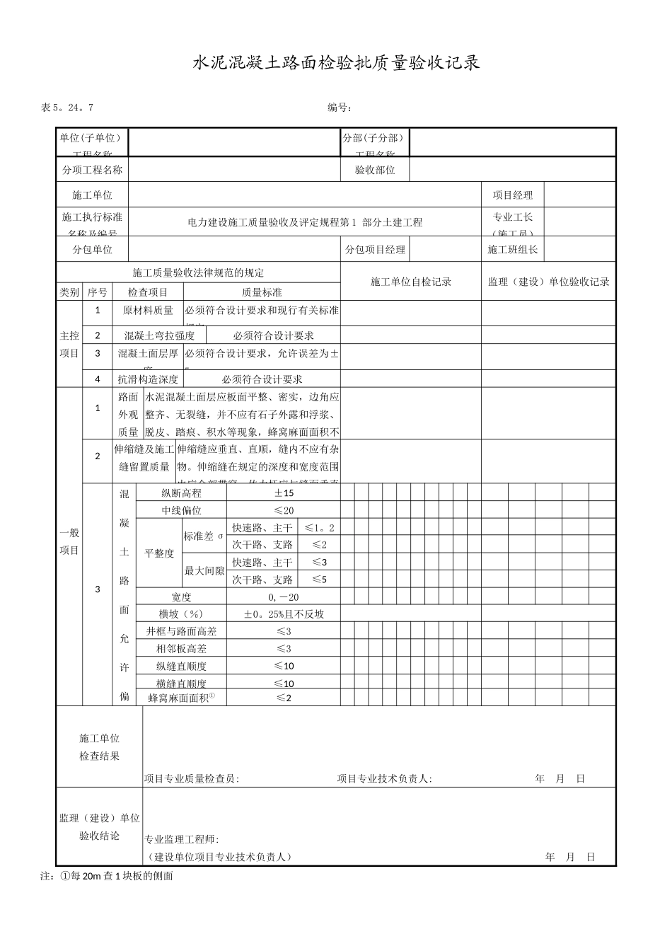
水泥混凝土路面检验批质量验收记录表 5。24。7 编号:单位(子单位)工程名称分部(子分部)工程名称分项工程名称验收部位施工单位项目经理施工执行标准名称及编号电力建设施工质量验收及评定规程第 1 部分土建工程专业工长(施工员)分包单位分包项目经理施工班组长施工质量验收法律规范的规定施工单位自检记录监理(建设)单位验收记录类别 序号检查项目质量标准主控项目1原材料质量必须符合设计要求和现行有关标准规定2混凝土弯拉强度必须符合设计要求3混凝土面层厚度必须符合设计要求,允许误差为±5mm4抗滑构造深度必须符合设计要求一般项目1路面外观质量水泥混凝土面层应板面平整、密实,边角应整齐、无裂缝,并不应有石子外露和浮浆、脱皮、踏痕、积水等现象,蜂窝麻面面积不2伸缩缝及施工缝留置质量伸缩缝应垂直、直顺,缝内不应有杂物。伸缩缝在规定的深度和宽度范围内应全部贯穿,传力杆应与缝面垂直3混凝土路面允许偏纵断高程±15中线偏位≤20平整度标准差 σ快速路、主干≤1。2次干路、支路≤2最大间隙快速路、主干≤3次干路、支路≤5宽度0,-20横坡(%)±0。25%且不反坡井框与路面高差≤3相邻板高差≤3纵缝直顺度≤10横缝直顺度≤10蜂窝麻面面积①≤2施工单位检查结果项目专业质量检查员: 项目专业技术负责人: 年 月 日监理(建设)单位验收结论专业监理工程师:(建设单位项目专业技术负责人) 年 月 日注:①每 20m 查 1 块板的侧面

1、当您付费下载文档后,您只拥有了使用权限,并不意味着购买了版权,文档只能用于自身使用,不得用于其他商业用途(如 [转卖]进行直接盈利或[编辑后售卖]进行间接盈利)。
2、本站所有内容均由合作方或网友上传,本站不对文档的完整性、权威性及其观点立场正确性做任何保证或承诺!文档内容仅供研究参考,付费前请自行鉴别。
3、如文档内容存在违规,或者侵犯商业秘密、侵犯著作权等,请点击“违规举报”。

碎片内容

水泥混凝土路面检验批质量验收记录

您可能关注的文档

一帆文传+ 关注
实名认证
内容提供者

欢迎光临店铺,各类公文供您挑选。

确认删除?
VIP
微信客服
  • 扫码咨询
会员Q群
  • 会员专属群点击这里加入QQ群
客服邮箱
回到顶部