电脑桌面
添加小米粒文库到电脑桌面
安装后可以在桌面快捷访问

水泥混凝土面层施工检验批质量检验记录表

水泥混凝土面层施工检验批质量检验记录表_第1页
1/7
水泥混凝土面层施工检验批质量检验记录表_第2页
2/7
水泥混凝土面层施工检验批质量检验记录表_第3页
3/7
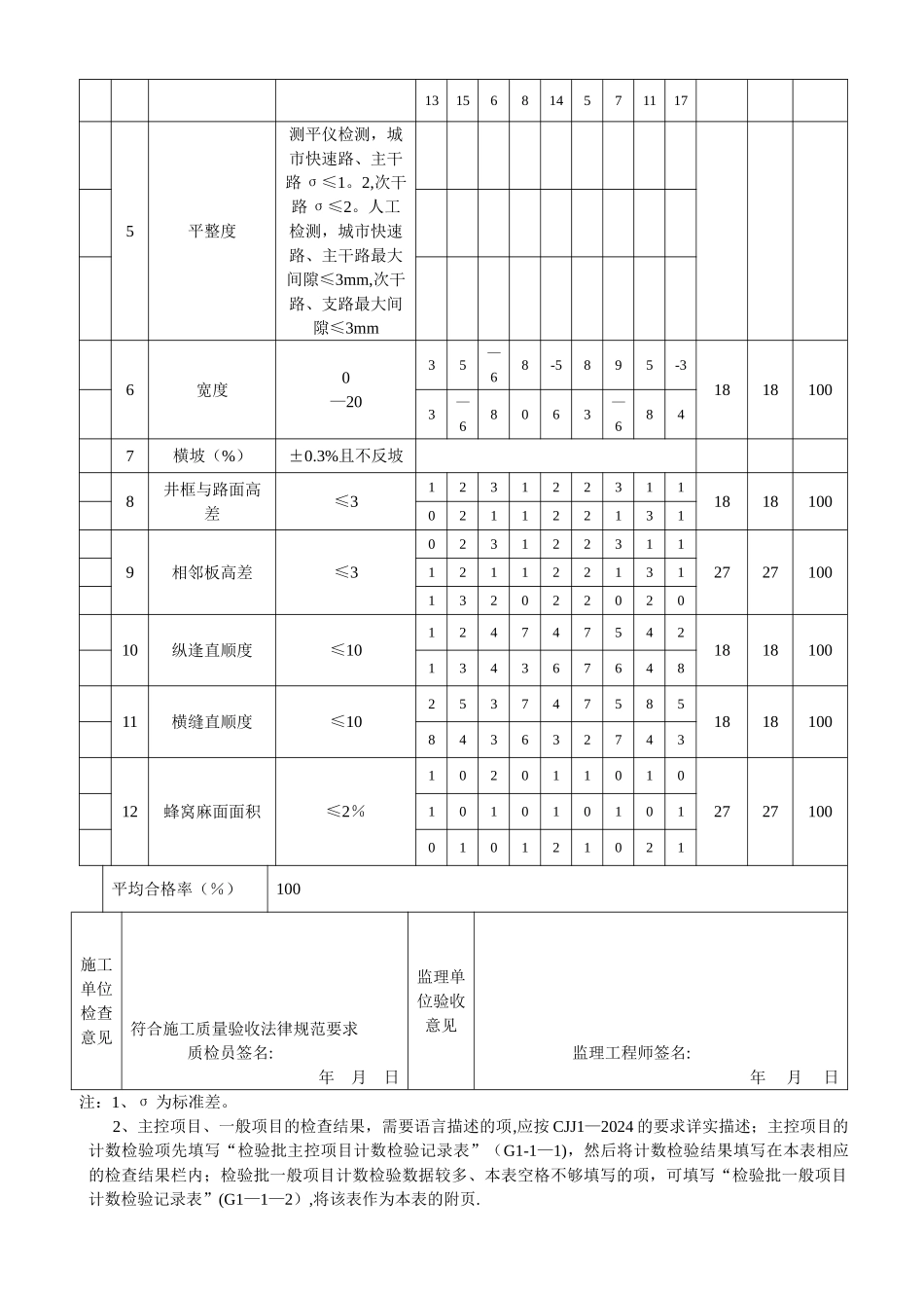
水泥混凝土面层施工检验批质量检验记录表CJJ 1-2024工程名称叶集孙岗片区龙江小区内部道路工程单位工程名称施工单位安徽诚信建设有限公司验收部位K0+000 至 K0+155 砼面层项目经理技术负责人施工工长分部工程名称分项工程名称交方班组接方班组验收法律规范及图号CJJ-2024检查项目施工单位检查记录监理单位验收记录主控项目1混凝土抗弯拉强度符合设计规定符合要求2混凝土抗压强度符合设计规定符合要求3厚度符合设计规定允许偏差±5mm符合要求4抗滑性能构造深度符合设计要求检查项目123456789应测点数合格点数合格率( %)一般项目1表面外观板面平整密实,边角整齐无裂痕,无石子外露、浮浆、脱皮、踏痕、积水、蜂窝麻面≤总面积 0.5%符合要求2伸缩缝伸缩缝垂直直顺,缝内无杂物,在规定的深度和宽度内贯穿。传力杆与缝面垂直符合要求3纵段高程±1511141564—8532727100—74—964—86954641111124794中线偏移≤202468437441818100131568145711175平整度测平仪检测,城市快速路、主干路 σ≤1。2,次干路 σ≤2。人工检测,城市快速路、主干路最大间隙≤3mm,次干路、支路最大间隙≤3mm6宽度0—2035—68-5895-318181003—68063—6847横坡(%)±0.3%且不反坡8井框与路面高差≤312312231118181000211221319相邻板高差≤3023122311272710012112213113202202010纵逢直顺度≤10124747542181810013436764811横缝直顺度≤10253747585181810084363274312蜂窝麻面面积≤2%1020110102727100101010101010121021平均合格率(%)100施工单位检查意见符合施工质量验收法律规范要求质检员签名:年 月 日监理单位验收意见监理工程师签名:年 月 日注:1、σ 为标准差。2、主控项目、一般项目的检查结果,需要语言描述的项,应按 CJJ1—2024 的要求详实描述;主控项目的计数检验项先填写“检验批主控项目计数检验记录表”(G1-1—1),然后将计数检验结果填写在本表相应的检查结果栏内;检验批一般项目计数检验数据较多、本表空格不够填写的项,可填写“检验批一般项目计数检验记录表”(G1—1—2),将该表作为本表的附页.水泥混凝土面层施工检验批质量检验记录表CJJ 1-2024工程名称叶集孙岗片区龙江小区内部道路工程单位工程名称施工单位安徽诚信建设有限公司验收部位K0+155 至 K0+330 砼面层项目经理技术负责人施工工长分部工程名称分项工程名称交方班组接方班组验收法律规范及图号CJJ-2024检查项目施工单位检查记录监理单位验收记录主控项目1混凝土...

1、当您付费下载文档后,您只拥有了使用权限,并不意味着购买了版权,文档只能用于自身使用,不得用于其他商业用途(如 [转卖]进行直接盈利或[编辑后售卖]进行间接盈利)。
2、本站所有内容均由合作方或网友上传,本站不对文档的完整性、权威性及其观点立场正确性做任何保证或承诺!文档内容仅供研究参考,付费前请自行鉴别。
3、如文档内容存在违规,或者侵犯商业秘密、侵犯著作权等,请点击“违规举报”。

碎片内容

水泥混凝土面层施工检验批质量检验记录表

确认删除?
VIP
微信客服
  • 扫码咨询
会员Q群
  • 会员专属群点击这里加入QQ群
客服邮箱
回到顶部