电脑桌面
添加小米粒文库到电脑桌面
安装后可以在桌面快捷访问

水泥石灰土底基层施工方案

水泥石灰土底基层施工方案_第1页
1/6
水泥石灰土底基层施工方案_第2页
2/6
水泥石灰土底基层施工方案_第3页
3/6
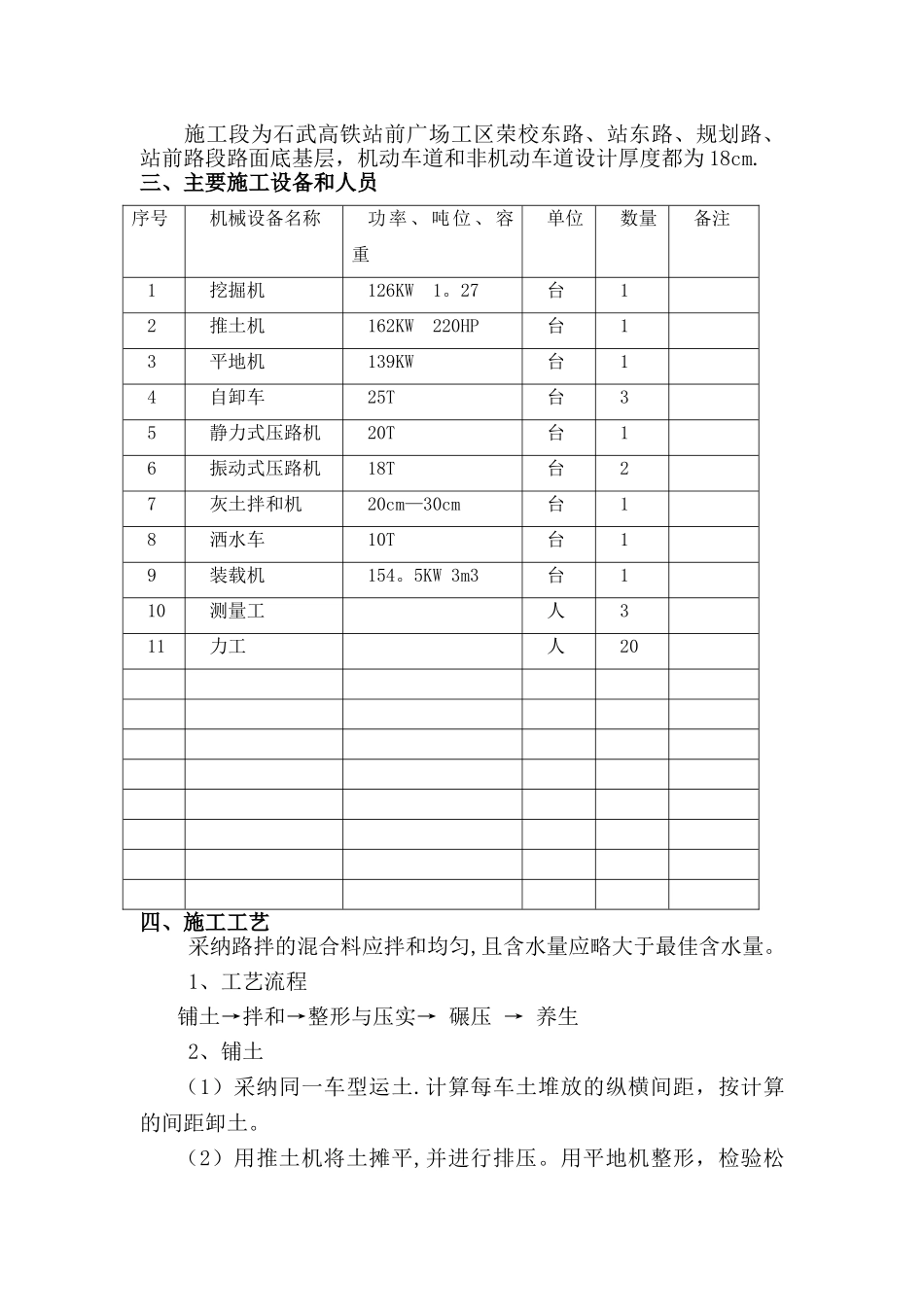
石武高铁新乡东站站前广场基础设施项目水泥石灰土底基层施工方案编制:审核:中国建筑第七工程局有限公司石武高铁新乡东站站前广场基础设施项目部2012 年 2 月 26 日一、施工准备1、测量方面导线点、水准点己复测完毕,水准点己加密,施工中线己恢复,水泥石灰土下承层标高己检测完毕。2、试验方面水泥石灰土的配合比设计己完成,经过施工场地试验室试验及监理符合,水泥石灰土设计配合比批准为:水泥︰石灰︰土=4︰12︰84,最佳含水量为 17%,最大干密度为 1.67g/cm3,10%消耗 EDTA 溶液量为 44.5ml。各项原材料试验检测工作己完成,石灰和水泥均符合法律规范要求。3、原材料方面(1)石灰:石灰质量应符合 GB1594 规定的Ⅲ级以上生石灰或消石灰的技术指标,并消解完毕,不得含有灰团和生石灰块,颗粒大小符合法律规范要求。在雨天对消石灰采纳覆盖措施,防止钙镁含量的损失。(2)水泥:应选用初凝时间大于 3h、终凝时间不小于 6h 的32。5 级、42.5 级普通硅酸盐水泥、矿渣硅酸盐、火山灰硅酸盐水泥。水泥应有出厂合格证与生产日期,复验合格后方可使用.(2)土:土的塑性指数在 10~17 之间为宜,土中小于 0。6mm 颗粒的含量应小于 30%,宜选用粗粒土、中粒土。土中不得含有污染物或其它有害物质。并要求易于被粉碎和拌和.(3)水:采纳干净水,不含有毒有害物质。二、施工内容施工段为石武高铁站前广场工区荣校东路、站东路、规划路、站前路段路面底基层,机动车道和非机动车道设计厚度都为 18cm.三、主要施工设备和人员序号机械设备名称功率、吨位、容重单位数量备注1挖掘机126KW 1。27台12推土机162KW 220HP台13平地机139KW台14自卸车25T台35静力式压路机20T台16振动式压路机18T台27灰土拌和机20cm—30cm台18洒水车10T台19装载机154。5KW 3m3台110测量工人311力工人20四、施工工艺采纳路拌的混合料应拌和均匀,且含水量应略大于最佳含水量。1、工艺流程铺土→拌和→整形与压实→ 碾压 → 养生2、铺土(1)采纳同一车型运土.计算每车土堆放的纵横间距,按计算的间距卸土。(2)用推土机将土摊平,并进行排压。用平地机整形,检验松铺土层厚度是否符合要求. 3、拌和1)层铺水泥和石灰后用稳定土拌和机拌和。假如使用生石灰粉先用拖拉机带铧犁翻拌一遍,将生石灰粉翻扣于粉煤灰内,拖拉机或轻碾排压,用洒水车均匀的喷洒在混合料上,调整含水量后静闷8—12小时,使生石灰粉得到充分消解。2)专用稳定土拌和机自路边向路...

1、当您付费下载文档后,您只拥有了使用权限,并不意味着购买了版权,文档只能用于自身使用,不得用于其他商业用途(如 [转卖]进行直接盈利或[编辑后售卖]进行间接盈利)。
2、本站所有内容均由合作方或网友上传,本站不对文档的完整性、权威性及其观点立场正确性做任何保证或承诺!文档内容仅供研究参考,付费前请自行鉴别。
3、如文档内容存在违规,或者侵犯商业秘密、侵犯著作权等,请点击“违规举报”。

碎片内容

水泥石灰土底基层施工方案

确认删除?
VIP
微信客服
  • 扫码咨询
会员Q群
  • 会员专属群点击这里加入QQ群
客服邮箱
回到顶部