电脑桌面
添加小米粒文库到电脑桌面
安装后可以在桌面快捷访问

污水管道沟槽回填技术交底

污水管道沟槽回填技术交底_第1页
1/3
污水管道沟槽回填技术交底_第2页
2/3
污水管道沟槽回填技术交底_第3页
3/3
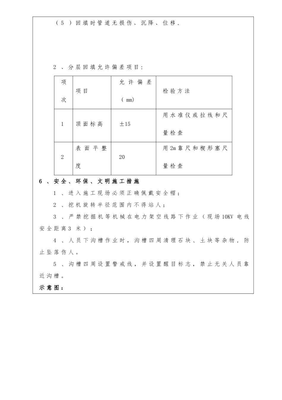
启东江海产业园道路及配套工程污水管道沟槽回填技术交底交 底 单 位 名 称 : 中 铁 四 局 集 团 江 海 产 业 园 道 路 一 标 项 目 经 理 部 编 号 :工 程 名 称启东江海产业园道路及配套工程污水管道沟槽回填设计文件图号中国江海产业园启动区道路及配套工程施工图设计(一标段 排水工程)施工部位经二路 K0+221~K1+217、启海路 K0+034~K0+221 段交底日期2024 年 4 月 25 日1、技术交底范围本 交 底 适 用 于 经 二 路 K0+221~ K+217、 启 海 路 K0+034至 K0+221段 道路 红 线 范 围 内 HDPE 直 径 400mm污 水 管 道 沟 槽 回 填 。2、设计情况污水管道回填采纳中粗砂回填,管道基础采纳中粗砂回填.中粗砂回填至管顶 50cm处,人工回填,不得使用机械回填。3、开始施工的条件及施工准备工作挖 掘 机 、 推 土 机 、 自 卸 式 汽 车 、 铲 车 性 能 检 查 良 好 , 管 道 沟 槽 已开 挖 完 毕 。 降 水 设 施 已 开 始 降 水 。 现 场 管 道 安 装 已 完 成 , 材 料 全 部到 位 , 材 料 检 查 全 部 完 毕 , 符 合 要 求 , 无 不 良 残 次 品 .4、施工工艺4。1 施工顺序 测 量 放 样 → 检 测 中 粗 砂 质 量 → 分 层 回 填 中 粗 砂 → 夯 实 → 找 平 验收4.2各 工 序 技 术 要 点1 ) 测 量 放 样由 项 目 部 进 行 测 量 放 样 , 确 定 中 粗 砂 回 填 设 计 高 程 , 并 且 做 好标 记 , 现 场 队 伍 便 于 操 作 。2) 检 测 中 粗 砂 质 量要求进场的所有中粗砂有试验部送检的报告,并且回填的中粗砂含水量不得过大。3)分层回填中粗砂1.管道安装就位后,应及时对管体两侧同时回填以稳固管身,铺填中粗砂时,人工摁住、稳固管道,防止下料导致管道偏移轴线.铺填作业应从最低点开始,按水平层次进行,不得顺坡铺填,管道两侧、井室及附属物四周同时进行,作业面应分层统一铺盖,统一夯实,每次铺层厚度为 150—200mm,严禁出现界沟。回填中粗砂松铺厚度可控制在 30cm,人工将松铺中粗砂表层找平,自流水方向由高到低.2.管道采纳中粗砂回填至管顶 50cm 范围内,管道两侧回填材料,应有沟槽两侧对称运入槽内,不得直接回填在管道上,不得出现集中某一地方下料,导致工作面增大。回填其他...

1、当您付费下载文档后,您只拥有了使用权限,并不意味着购买了版权,文档只能用于自身使用,不得用于其他商业用途(如 [转卖]进行直接盈利或[编辑后售卖]进行间接盈利)。
2、本站所有内容均由合作方或网友上传,本站不对文档的完整性、权威性及其观点立场正确性做任何保证或承诺!文档内容仅供研究参考,付费前请自行鉴别。
3、如文档内容存在违规,或者侵犯商业秘密、侵犯著作权等,请点击“违规举报”。

碎片内容

污水管道沟槽回填技术交底

您可能关注的文档

一二三四传媒+ 关注
实名认证
内容提供者

大量资料供您选择,没有合适的可以联系小二。

确认删除?
VIP
微信客服
  • 扫码咨询
会员Q群
  • 会员专属群点击这里加入QQ群
客服邮箱
回到顶部