电脑桌面
添加小米粒文库到电脑桌面
安装后可以在桌面快捷访问

2025年机械设备维护理论考试大纲机务维修人员维修基础理论考试大纲

2025年机械设备维护理论考试大纲机务维修人员维修基础理论考试大纲_第1页
1/3
2025年机械设备维护理论考试大纲机务维修人员维修基础理论考试大纲_第2页
2/3
2025年机械设备维护理论考试大纲机务维修人员维修基础理论考试大纲_第3页
3/3
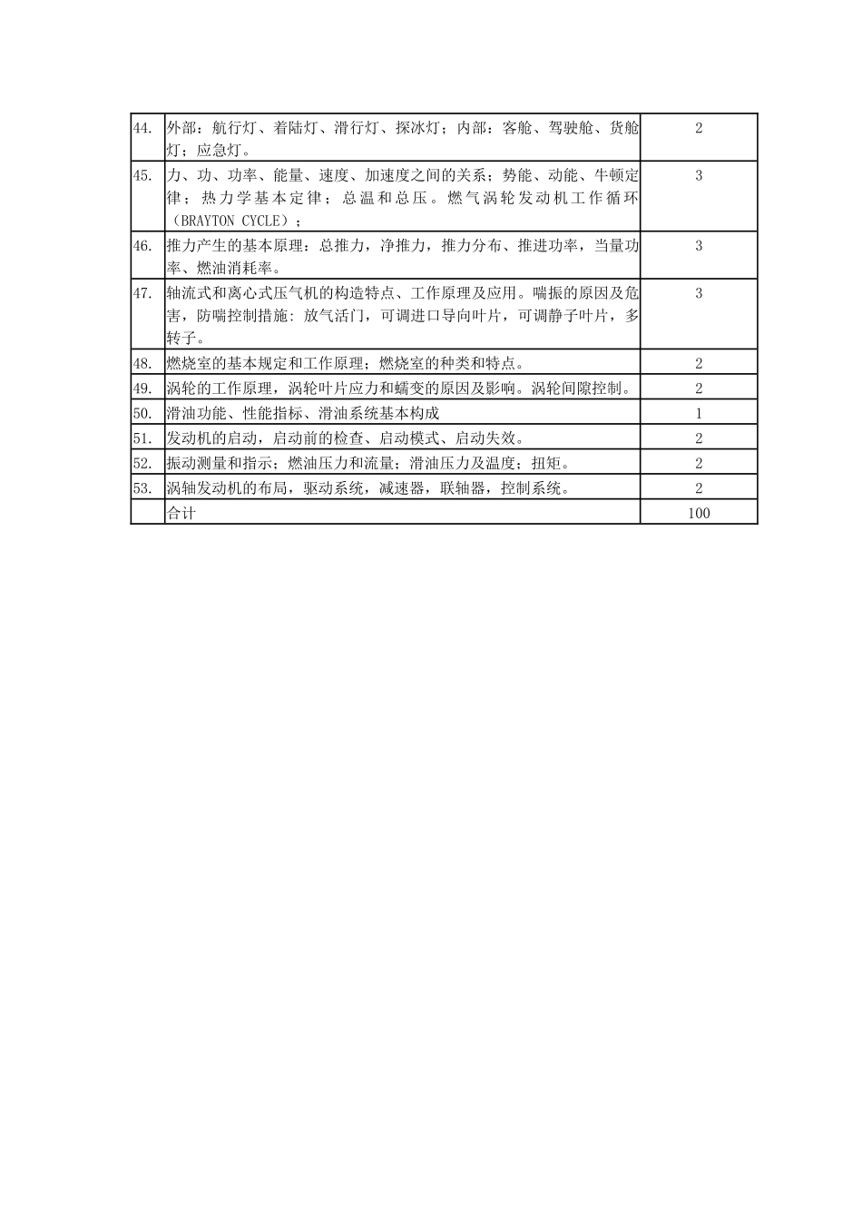
机械设备维护理论考试大纲序号内容题量1.金属材料的机械性能:硬度、拉伸强度、疲劳强度和抗冲击性能。12.航空器上常用的合金钢的特性和识别。13.航空器上常用的有色金属材料的特性和识别14.航空器上常用的非金属材料和复合材料的特性及识别15.腐蚀的原因;腐蚀对航空器构造的影响。16.航空器上常用的防腐措施和措施。17.航空螺栓、螺帽、螺钉、垫片的类型、规格、识别和标识,应用;28.易腐蚀的材料类型,不一样类型的材料对腐蚀的敏感性。 19.常用保险的类型、措施和应用。210. 实心铆钉和盲铆钉的类型、规格、识别、应用111. 飞机图纸规范与识图112. 美国航空运送协会(ATA)100 规范;航空和其他合用原则包括:ISO、AN、MS、NAS 和 MIL。213. 航空器称重与平衡的目的,基本知识,基本术语。114. 无损检测215. 航空器滑行/牵引的安全注意事项;航空器顶升、系留及安全注意事项;216. 加油/放油程序。117. 电源、气源和液压源的地面供应。118. 大气的重要物理参数:温度、气压、密度、湿度、音速、粘性、压缩性等。319. 气流特性:相对气流沿物体边缘的流动状态;附面层、层流、紊流、上洗流、下洗流、涡流等。320. 术语:弯度、厚度、翼弦、平均空气动力弦、压力中心、迎角、后掠角、内洗和外洗、长细比、翼型和展弦比、机翼安装角321.升力:机翼升力的产生:推力、重力、空气动力合力;升力公式、升力系数、升力系数曲线、失速。322.阻力:飞机的阻力:摩擦阻力、压差阻力、诱导阻力和干扰阻力;阻力公式、阻力系数、阻力系数曲线。223.增升和增阻装置:后缘襟翼:简单襟翼、分裂襟翼、开缝襟翼、后退开缝襟翼;襟副翼;前缘襟翼及工作原理、克鲁格襟翼;前缘缝翼及工作原理;附面层控制:涡流发生器;失速楔;翼刀。扰流板。224.基本概念:坐标系,飞机的机体轴,飞机重心及相对位置,飞机的焦点,飞机的运动参数。225.飞机的平衡:力平衡、力矩平衡;飞机的静稳定和动稳定;飞机的稳定性。226. 飞机的操纵性,飞机稳定性和操纵性的关系。227. 操纵面上的辅助装置:气动平衡:作用、形式(多种调整片);气动赔偿:目的、形式;重量平衡:目的、措施。128. 墨菲定律。129. 团体内和团体间的沟通, 工作履历和记录, 资料保持、记录等现行有效, 信息的传达。130. 健康状况的影响,来自家庭及与工作有关的压力的影响,时间压力和期限的影响;工作量的影响:超负荷,工作量局限性;睡眠、疲劳和倒班的影响,酗酒、滥用药物、...

1、当您付费下载文档后,您只拥有了使用权限,并不意味着购买了版权,文档只能用于自身使用,不得用于其他商业用途(如 [转卖]进行直接盈利或[编辑后售卖]进行间接盈利)。
2、本站所有内容均由合作方或网友上传,本站不对文档的完整性、权威性及其观点立场正确性做任何保证或承诺!文档内容仅供研究参考,付费前请自行鉴别。
3、如文档内容存在违规,或者侵犯商业秘密、侵犯著作权等,请点击“违规举报”。

碎片内容

2025年机械设备维护理论考试大纲机务维修人员维修基础理论考试大纲

读万卷书+ 关注
实名认证
内容提供者

各类经典PPT文档分享

相关文档

确认删除?
VIP
微信客服
  • 扫码咨询
会员Q群
  • 会员专属群点击这里加入QQ群
客服邮箱
回到顶部