电脑桌面
添加小米粒文库到电脑桌面
安装后可以在桌面快捷访问

沟塘回填专项施工技术方案

沟塘回填专项施工技术方案_第1页
1/17
沟塘回填专项施工技术方案_第2页
2/17
沟塘回填专项施工技术方案_第3页
3/17
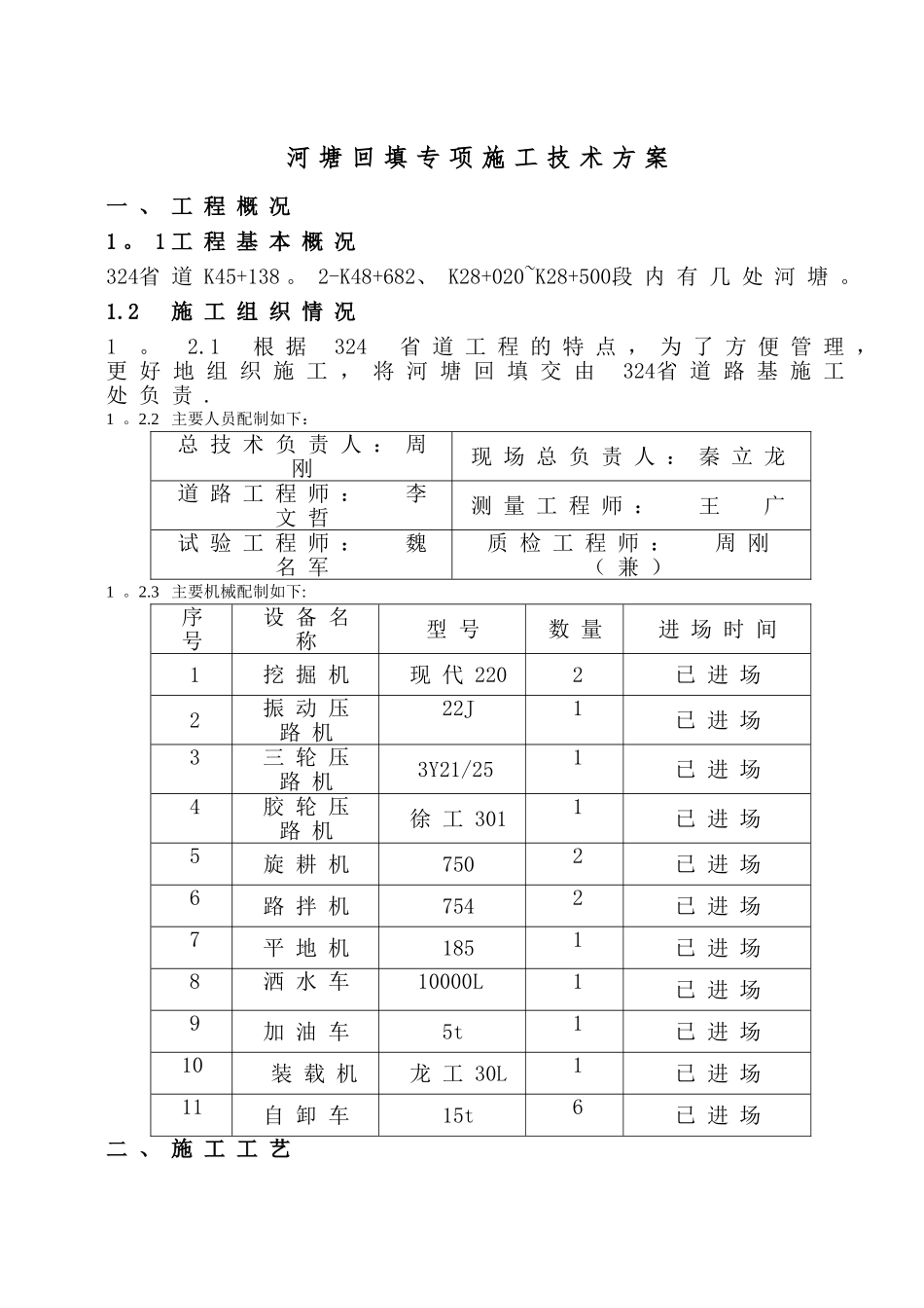
河 塘 回 填 专 项 施 工 技 术 方 案一 、 工 程 概 况1 。 1 工 程 基 本 概 况324省 道 K45+138 。 2-K48+682、 K28+020~K28+500段 内 有 几 处 河 塘 。1.2施 工 组 织 情 况1。2.1根 据324省 道 工 程 的 特 点 , 为 了 方 便 管 理 ,更 好 地 组 织 施 工 , 将 河 塘 回 填 交 由324省 道 路 基 施 工处 负 责 .1 。2.2 主要人员配制如下:总 技 术 负 责 人 : 周 刚现 场 总 负 责 人 : 秦 立 龙道 路 工 程 师 : 李文 哲测 量 工 程 师 : 王 广试 验 工 程 师 : 魏名 军质 检 工 程 师 : 周 刚( 兼 )1 。2.3 主要机械配制如下:序号设 备 名称型 号数 量进 场 时 间1挖 掘 机现 代 2202已 进 场2振 动 压路 机22J1已 进 场3三 轮 压路 机3Y21/251已 进 场4胶 轮 压路 机徐 工 3011已 进 场5旋 耕 机7502已 进 场6路 拌 机7542已 进 场7平 地 机1851已 进 场8洒 水 车10000L1已 进 场9加 油 车5t1已 进 场10 装 载 机龙 工 30L1已 进 场11自 卸 车15t6已 进 场二 、 施 工 工 艺我 项 目 部 在 河 塘 回 填 前 对 填 料 质 量 进 行 了 严 格 控制 : 并 对 施 工 机 械 进 行 了 认 真 检 查 , 检 查 有 问 题 的 机械 一 律 不 得 使 用 。 所 使 用 的 原 材 料 准 备 充 足 能 保 证 河塘 回 填 施 工 顺 利 进 行 。2 。 1 河 塘 回 填 范 围 :2.1。 1 河 塘 回 填 底 面 : 路 基 范 围 内 底 面 ;2.1.2 河 塘 回 填 范 围 从 底 面 线 算 起 , 按 1 : 1 呈 倒 梯 形 放坡 至 路 床 底 部 河 塘 回 填 清 除 该 区 段 基 底 松 土 或 杂 物 ,随 后 进 行 拍 照 。2.2河 塘 回 填 先 回 填 40cm 碎 石 , 用 压 路 机 压 实 。2.3 5%石 灰 土2 。 3 。 1 备 料 、 摊 铺 土 方2.3。 1 。 1 在 河 塘 回 填 底 部 40cm 碎 石 上 用 石 灰 线 打 好格 子 , 根 据 土 层 厚 度 计 算 每 个 格 子 上 土 车 数 , 用 挖 掘机 结 合 运 输 车 将 土 方 运 至 路 基 ...

1、当您付费下载文档后,您只拥有了使用权限,并不意味着购买了版权,文档只能用于自身使用,不得用于其他商业用途(如 [转卖]进行直接盈利或[编辑后售卖]进行间接盈利)。
2、本站所有内容均由合作方或网友上传,本站不对文档的完整性、权威性及其观点立场正确性做任何保证或承诺!文档内容仅供研究参考,付费前请自行鉴别。
3、如文档内容存在违规,或者侵犯商业秘密、侵犯著作权等,请点击“违规举报”。

碎片内容

沟塘回填专项施工技术方案

MY shop+ 关注
实名认证
内容提供者

欢迎挑选适合自己的材料。

确认删除?
VIP
微信客服
  • 扫码咨询
会员Q群
  • 会员专属群点击这里加入QQ群
客服邮箱
回到顶部