电脑桌面
添加小米粒文库到电脑桌面
安装后可以在桌面快捷访问

河北施工图预算实例附图纸

河北施工图预算实例附图纸_第1页
1/22
河北施工图预算实例附图纸_第2页
2/22
河北施工图预算实例附图纸_第3页
3/22
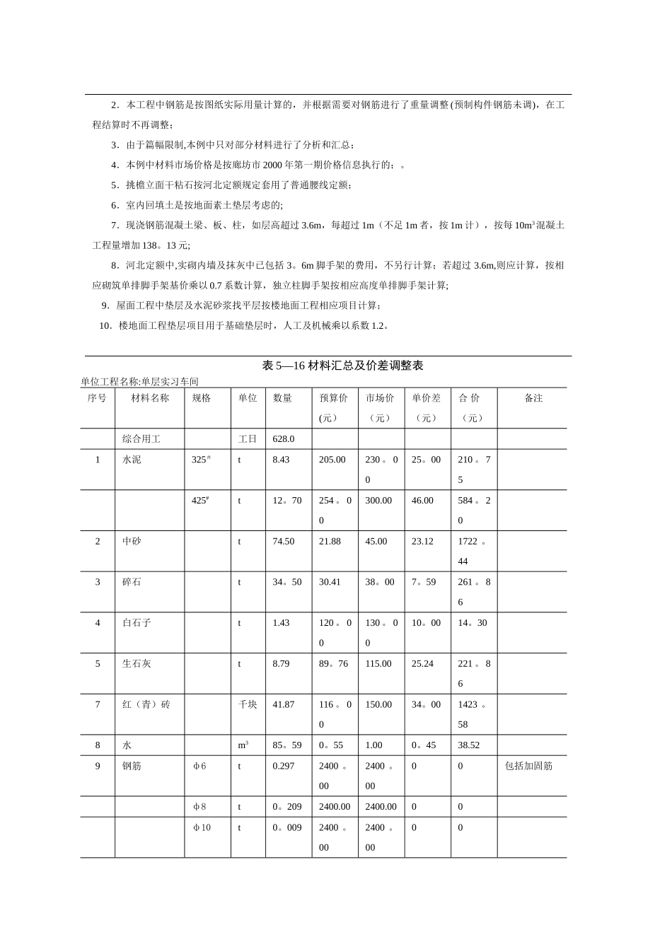
土建施工图预算编制实例.1 工程概况1.设计说明本例为一单层砖混结构实习车间,建筑面积 96。78m2,室内标高±0。00,室内外高差-0。15m.(1)基础工程采纳条形砖基础,M5 水泥砂浆砌筑;独立柱基础为 C20 钢筋混凝土现浇,C10 混凝土垫层;C15 钢筋混凝土地梁。(2)主体工程内外墙均采纳 M5 混合砂浆砌筑;屋面板及门窗过梁采纳预制标准构件,预制构件C20,预应力构件 C30;现浇钢筋泥凝土构件,除注明者外,均为 C20 混凝土,构造柱扎根在地圈梁上,断面尺寸均为 240×240mm,配筋 4Ф12、ф6﹫200,按要求预留马牙槎并设拉接筋与墙体拉接。图中 ф 为一级圆钢,Ф 为二级螺纹钢。(3)门窗本工程门窗均为钢门窗,所有门窗均刷防锈漆一遍、调和漆两遍,详细尺寸见门窗明细表.(4)楼地面工程地面为 60 厚 C15 混凝土垫层,20 厚 1:2。5 水泥砂浆抹面压实赶光;散水宽 1.0,台阶长 3.6m,与散水同宽,散水、台阶做法同地面,踢脚为 120mm 高水泥砂浆踢脚。 (5)屋面工程屋面工程做法从下到上为:钢筋混凝土预制板或现制板平放、1:6 水泥焦渣最低处 30 厚,找 2%坡度,振捣密实,表面抹光、干铺 200 厚加气混凝土保温层表面平整扫净、)20 厚 1:2。5 水泥砂浆找平层、三毡四油一砂防水层。四角均设漏斗、水落管及下水口铁皮排水.(6)装饰工程1)外墙装饰:外墙为干粘石墙面,白石子水刷石墙裙。2)内墙抹灰:喷内墙涂料(大白浆);2 厚纸筋灰罩面;6 厚 1:3 石灰膏砂浆;10厚 1:3 石灰膏砂浆打底.3)天棚抹灰:喷顶棚涂料(大白浆);2 厚纸筋灰罩面;6 厚 1:3:9 水泥石灰膏砂浆打底;刷素水泥浆一道(内掺水重 3~5%的 107 胶);钢筋混凝土预制板底用水加 10%火碱清洗油腻.本例中只将主要图纸附于本书中,它们是建施 1~2 和结施 1~6。2.施工组织说明(1)本工程采纳人工挖土、平整场地及回填土,挖地槽时不加工作面,挖地坑时工作面为 0。3m,土壤为三类土。(2)余土外运采纳人工运输,运距 40m。(3)所有钢筋混凝土预制构件均在预制厂预制,运距 10km。 图 5.67 建施 1 建筑平面图 图 5.68 建施 2 建筑剖面图及立面图 图 5.69 结施 1 基础平面、剖面图 图 5.70 结施 2 屋顶结构平面布置图 图 5.71 结施 3 独立柱配筋图 图 5。72 结施 4 L1、L2配筋祥图 图 5.73 结施 5 地圈梁及圈梁平面布置及配筋图 图 5.74 结施 6 雨蓬大样图.2 施工图预算编...

1、当您付费下载文档后,您只拥有了使用权限,并不意味着购买了版权,文档只能用于自身使用,不得用于其他商业用途(如 [转卖]进行直接盈利或[编辑后售卖]进行间接盈利)。
2、本站所有内容均由合作方或网友上传,本站不对文档的完整性、权威性及其观点立场正确性做任何保证或承诺!文档内容仅供研究参考,付费前请自行鉴别。
3、如文档内容存在违规,或者侵犯商业秘密、侵犯著作权等,请点击“违规举报”。

碎片内容

河北施工图预算实例附图纸

人从众+ 关注
实名认证
内容提供者

欢迎光临小店,本店以公文和教育为主,希望符合您的需求。

确认删除?
VIP
微信客服
  • 扫码咨询
会员Q群
  • 会员专属群点击这里加入QQ群
客服邮箱
回到顶部