电脑桌面
添加小米粒文库到电脑桌面
安装后可以在桌面快捷访问

湖北十堰东风汽车实践报告

湖北十堰东风汽车实践报告 _第1页
1/8
湖北十堰东风汽车实践报告 _第2页
2/8
湖北十堰东风汽车实践报告 _第3页
3/8
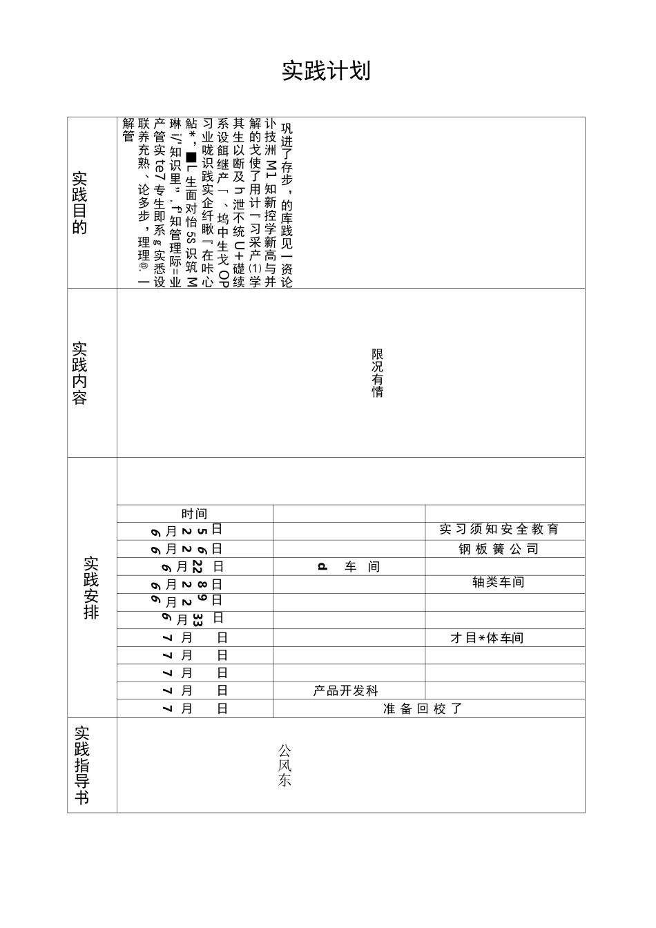
学生实践报告实践名称:湖北十堰东风汽车有限公司专业班级:姓名:学号:•指导教师:实践时间:6 月 25 日-7 月 07 日实践单位:湖北十堰东风汽车有限公司教学单位:湖北十堰东风汽车有限公司电子科技大学中山学院2017 年 9 月 1 日实践计划实践目的巩进了存步,的库践见一资论讣技洲M1知新控学新高与并解的戈使了用计『习采产⑴学其生以断及h泄不统U+礎续系设餌继产「、坞中生戈OP习业咙识践实企纤瞅『在咔心鮎*,■L生面对怡5S识筑M琳i/'知识里”,f'知管理际=业产管实te7专生即系g实悉设联养充熟、论多步,理理@.一解管实践内容限况有情实践安排间时日52月6育教全安知须习实日62月6司公簧板钢日22月6间车d日82月6间车类轴日92月6日33月6日月7间车体*目才日月7日月7日月7科发开品产日月7了校回备准实践指导书公风东实践内容第一天上午出发去湖北大洋车轮有限公司进行参观学习。首先在师傅的领导下参观学习轮辐的生产工序,先用冲压机在钢板上冲出一个圆盘坯料,然后冲中心工艺孔,接着用滚形机折弯成使整个工件成为碗形中间制品,冲中心孔/螺栓孔、冲风孔;校平安装平面;车削加工中心孔/安装平面/外圆/端面和压字等。然后又去参观了轮辋的制造工序流程,首先是下料,然后用轮辋卷圆机卷圆、压平,接着用闪光对焊机进行对焊,再用轮辋刨渣机刨渣,接着滚平、端切、焊缝打磨、扩口、滚形、扩涨、冲气门孔、打磨轮缘毛刺,最后检验。下午去钢板弹簧公司参观学习板簧的制造流程,工序流程:下料剪切,校直,冲中孔、端孔、切边,折弯、剪耳、包耳、整形,加热,成形,淬火(油)回火,冷却(水),喷丸,喷漆,烘干。主片卷耳受力严重,是薄弱处,为改善主片卷耳的受力情况,常将第二片末端也弯成卷耳,包在主片卷耳的外面,称为包耳。为了使得在弹性变形时各片有相对滑动的可能,在主片卷耳与第二片包耳之间留有较大的空隙。有些悬架中的钢板弹簧两端不做成卷耳,而采用其他的支撑连接方式,如橡胶支撑垫。扁平长方形的钢板呈弯曲形,以数片叠成的底盘用弹簧,一端以梢子安装在吊架上,另一端使用吊耳连接到大梁上,使弹簧能伸缩。目前适用于中大型的货卡车上。第二天今天上午去了 dCill 车间参观了发动机缸体、缸盖的制作。毛坯是砂型铸造,材料为 HT250。缸体毛坯质量对机加工的影响也比较大,具体如下:1、加工余量过大,既浪费机加工时间,又增加机床的负荷,影响机床和刀具的寿命,且投资大。2、铸造飞边过大和粘砂,直接影响刀...

1、当您付费下载文档后,您只拥有了使用权限,并不意味着购买了版权,文档只能用于自身使用,不得用于其他商业用途(如 [转卖]进行直接盈利或[编辑后售卖]进行间接盈利)。
2、本站所有内容均由合作方或网友上传,本站不对文档的完整性、权威性及其观点立场正确性做任何保证或承诺!文档内容仅供研究参考,付费前请自行鉴别。
3、如文档内容存在违规,或者侵犯商业秘密、侵犯著作权等,请点击“违规举报”。

碎片内容

湖北十堰东风汽车实践报告

确认删除?
VIP
微信客服
  • 扫码咨询
会员Q群
  • 会员专属群点击这里加入QQ群
客服邮箱
回到顶部