电脑桌面
添加小米粒文库到电脑桌面
安装后可以在桌面快捷访问

济南市建筑工程竣工结算备案操作手册

济南市建筑工程竣工结算备案操作手册_第1页
1/15
济南市建筑工程竣工结算备案操作手册_第2页
2/15
济南市建筑工程竣工结算备案操作手册_第3页
3/15
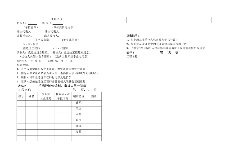
济南市建筑工程招 标 控 制 价备案操作手册竣 工 结 算济南市城乡建设委员会二 O 一 O 年五月总 目 录一、招标控制价备案操作手册二、竣工结算备案操作手册三、相关文件四、参考文献:工程建设设备与材料的划分招标控制价备案操作手册分 目 录一、招标控制价备案提交资料及受理标准二、承诺书三、招标控制价备案登记表四、表格范例及表格说明五、控制价编制过程中常出现问题1、建筑、装饰部分 2、安装部分一、招标控制价备案提交资料及受理标准一、提交资料: 1、经备案的咨询合同2、经备案的招标文件3、技术审查后的设计图纸(加盖“山东省施工图设计文件审查专用章")4、建筑项目施工图建筑面积审核表5、发改委批准的设计概算文件(限国有投资工程)6、《建筑工程招标控制价备案登记表》(一式五份济南工程造价信息网下载)7、承诺书8、完整的招标控制价两份(一份报一楼大厅 2 号窗口,一份附电子文档报价格价格信息科,)二、受理标准1、资料提交齐全2、控制价文件格式符合 08 清单计价要求及省市相关文件规定3、备案的招标文件完整即①招标文件格式执行最新《招标文件示范文本》并且招标文件中要含完整的工程量清单②招标文件及清单要加盖招标办备案骑缝章、审核人员(招标办)签字及日期。二、承诺书样式:承 诺济南市工程建设标准定额站:我单位对于此次办理的 工程招标控制价备案资料及数据的真实性、完整性、准确性负责,对于因提供虚假资料及数据产生的一切责任由我单位承担。招 标 人:(公章) 咨 询 人:(公章)法定代表人:(签字或盖章) 法定代表人:(签字或盖章)年 月 日 年 月 日三、建筑工程招标控制价备案登记表 济招价备( ) 第( )号工程名称建设单位编制单位及编制人盖章建设单位联系人联系电话建设规模 M2工 期形式结构工程类别控制价 1(总造价)元控制价 2(扣除专业分包工程暂估价和暂列金额)元资金来源请选择:1、国有或国有为主( ) 2、其他( )备案审核事项1、招标控制价编制单位是否具备相应资质等级,编制人是否为本单位专职专业人员,签字、盖章是否法律规范有效。2、规费、措施费、管理费、利润、税金等费率是否根据省、市造价管理部门发布费率执行,工程类别划分是否正确。3、招标控制价中人工工日单价是否依据省、市造价管理部门当期发布综合工日单价执行,主要材料价格是否依据当期《工程造价信息》执行。4、风险系数是否按工程量清单计价法律规范及招标文件的规定列计...

1、当您付费下载文档后,您只拥有了使用权限,并不意味着购买了版权,文档只能用于自身使用,不得用于其他商业用途(如 [转卖]进行直接盈利或[编辑后售卖]进行间接盈利)。
2、本站所有内容均由合作方或网友上传,本站不对文档的完整性、权威性及其观点立场正确性做任何保证或承诺!文档内容仅供研究参考,付费前请自行鉴别。
3、如文档内容存在违规,或者侵犯商业秘密、侵犯著作权等,请点击“违规举报”。

碎片内容

济南市建筑工程竣工结算备案操作手册

您可能关注的文档

确认删除?
VIP
微信客服
  • 扫码咨询
会员Q群
  • 会员专属群点击这里加入QQ群
客服邮箱
回到顶部