电脑桌面
添加小米粒文库到电脑桌面
安装后可以在桌面快捷访问

消火栓灭火系统施工安装全程验收记录

消火栓灭火系统施工安装全程验收记录_第1页
1/44
消火栓灭火系统施工安装全程验收记录_第2页
2/44
消火栓灭火系统施工安装全程验收记录_第3页
3/44
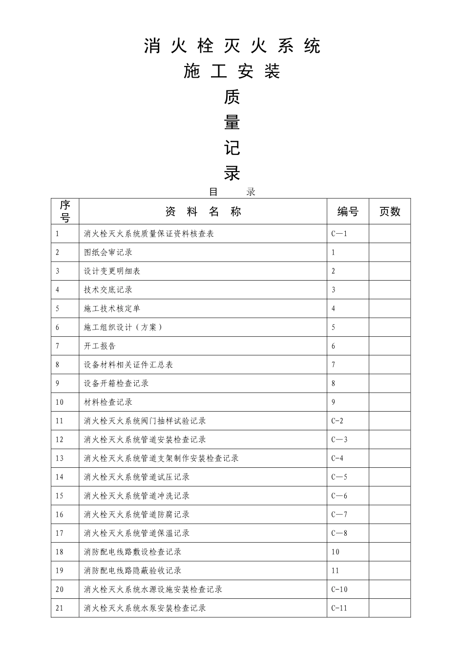
消 火 栓 灭 火 系 统施 工 安 装质 量记录目 录序号资 料 名 称编号页数1消火栓灭火系统质量保证资料核查表C—12图纸会审记录13设计变更明细表24技术交底记录35施工技术核定单46施工组织设计(方案)57开工报告68设备材料相关证件汇总表79设备开箱检查记录810材料检查记录911消火栓灭火系统阀门抽样试验记录C-212消火栓灭火系统管道安装检查记录C—313消火栓灭火系统管道支架制作安装检查记录C-414消火栓灭火系统管道试压记录C—515消火栓灭火系统管道冲洗记录C—616消火栓灭火系统管道防腐记录C—717消火栓灭火系统管道保温记录C—818消防配电线路敷设检查记录1019消防配电线路隐蔽验收记录1120消火栓灭火系统水源设施安装检查记录C-1021消火栓灭火系统水泵安装检查记录C-1122消火栓灭火系统稳压装置安装检查记录C-1223消火栓灭火系统消火栓箱安装检查记录C-1324消火栓灭火系统水泵试验记录C—1525消火栓灭火系统稳压装置试验记录C-16序号资 料 名 称编号页数26消火栓灭火系统启泵按钮启泵试验记录C—1727消火栓灭火系统屋顶放水试验记录C—1828消火栓灭火系统调试报告C—1929消火栓灭火系统自检报告C—2030竣工报告1231设备移交清单13 消火栓灭火系统质量保证资料核查表 编号:C-1工程名称建设单位施工单位核查日期类别项 目份数核 查 情 况前期图纸会审、技术交底记录1交底完毕设计变更、技术核定单1施工组织设计(方案)1已编制开工报告1已编制出厂检验设备(材料)相关证件汇总表1相关证件齐全设备(材料)检查记录1检查记录齐全隐蔽验收记录管道隐蔽验收记录1记录齐全消防配电线路隐蔽验收记录1记录齐全施工检查试验记录各类安装检查记录1检查记录齐全各类测试、试验记录1记录齐全调试报告1已调试自检报告1已自检竣工报告1已填写设备移交清单1已填写其他核查意见: 经检查质量资料齐全符合要求。 技术负责人质 检 员 第 册第 页 消火栓灭火系统 图纸会审记录 编号:1工程名称0建设单位00设计单位00施工单位00会审地点施工场地办公室会审日期会审主题消火栓系统图纸会审内容议定事项 已确定设 计 单 位 代 表建设(监理)单位代表施 工 单 位 代 表 注:设计修改应由设计单位另发变更通知单.表内不够填写时,可附后. 设计变更明细表 编号:2序号设计变更通知单号页数变 更 内 容 (简述)审批情况技术负责人质检员填报日期 注:后附设计变更通知单 份 第 册第 页 消火栓灭火系统 技...

1、当您付费下载文档后,您只拥有了使用权限,并不意味着购买了版权,文档只能用于自身使用,不得用于其他商业用途(如 [转卖]进行直接盈利或[编辑后售卖]进行间接盈利)。
2、本站所有内容均由合作方或网友上传,本站不对文档的完整性、权威性及其观点立场正确性做任何保证或承诺!文档内容仅供研究参考,付费前请自行鉴别。
3、如文档内容存在违规,或者侵犯商业秘密、侵犯著作权等,请点击“违规举报”。

碎片内容

消火栓灭火系统施工安装全程验收记录

范哲铺+ 关注
实名认证
内容提供者

想你所想,急你所急,你需要的都在店铺里可以找到。

确认删除?
VIP
微信客服
  • 扫码咨询
会员Q群
  • 会员专属群点击这里加入QQ群
客服邮箱
回到顶部