电脑桌面
添加小米粒文库到电脑桌面
安装后可以在桌面快捷访问

深基坑土方开挖专项施工方案11305

深基坑土方开挖专项施工方案11305_第1页
1/43
深基坑土方开挖专项施工方案11305_第2页
2/43
深基坑土方开挖专项施工方案11305_第3页
3/43
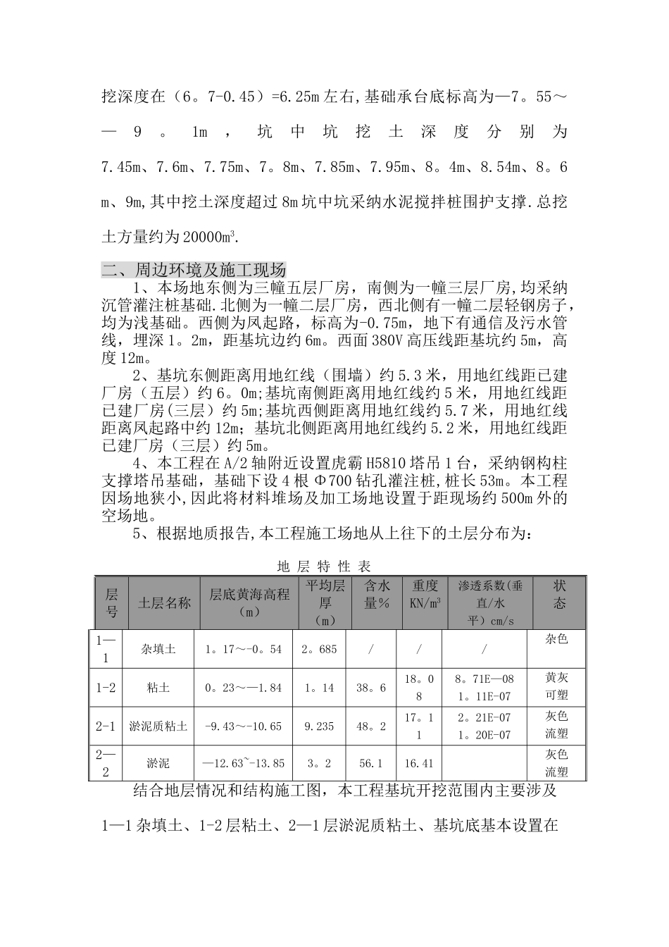
第一章编制依据及编制说明一、编制依据1、凤起大厦工程施工组织设计。2、中冶沈勘工程技术有限公司提供的《凤起大厦工程岩土工程勘察报告》.3、浙江核力建筑特种技术有限公司提供的《凤起大厦地下室基坑围护设计》。4、浙江高专建筑设计讨论院有限公司提供的工程施工图纸。5、《建设工程安全生产管理条例》;6、《建筑施工安全检查标准》(JGJ59—2024);7、《建筑工程施工质量验收统一标准》(GB50300—2001);8、《建筑基坑支护技术规程》(JGJ120-2024);9、《建筑边坡技术法律规范》(GB50330—2024);10、《建筑地基基础工程施工质量验收法律规范》( GB50202—2024);11 、 《 混 凝 土 结 构 工 程 施 工 质 量 验 收 法 律 规 范 》 ( GB50204-2024);12、《施工现场临时用电安全技术法律规范》(JGJ46—2024);13、《建筑机械使用安全技术规程》(JGJ33—2024);14、《工程测量法律规范》(GB50026—2024);15、《浙江省建筑基坑工程技术规程》(DB33/T1008-2000);16、《建筑基坑支护技术规程》(J10036—2000);17、《建筑桩基技术法律规范》(JGJ94—2024);18、《建筑基坑工程监测技术法律规范》(GB50497-2024);19、《混凝土结构设计法律规范》(GB50010—2024);20、《地下工程防水技术法律规范》(GB50108-2024);21、《基坑机械挖土施工作业指导书》(QB0102—2024);22、《建筑地基处理技术法律规范》(JGJ79-2024);23、宁波市现行的有关技术规程和制度;二、编制说明 1、依据住房和城乡建设部建质[2024]87 号《危险性较大的分部分项工程安全管理办法》及宁波市地方标准规定:1、对开挖深度超过 4 米(含 4 米)的基坑(槽)的土方开挖、支护、降水工程。2、开挖深度虽未超过 5 米,但地质条件、周边环境和地下管线复杂,或影响毗邻建筑(构筑)物安全的基坑(槽)的土方开挖、支护、降水工程,应编制专项施工方案并应经专家评审论证。2、本方案主要介绍基坑挖土及支撑施工,当设计变更或施工方案变更时,可另作补充修改方案进行变更,并按原程序审批。第二章工程概况一、工程概况工程名称:凤起大厦项目建设单位:宁波东兴房地产开发有限公司设计单位:浙江高专建筑设计讨论院有限公司 浙江核力建筑特种技术有限公司(基坑围护设计)勘察单位:中冶沈勘工程技术有限公司监理单位:宁波市科展建设工程监理有限公司 施工单位:浙江长永建设有限公司监督单位:宁波市鄞州区质量、安全监督站 1、凤...

1、当您付费下载文档后,您只拥有了使用权限,并不意味着购买了版权,文档只能用于自身使用,不得用于其他商业用途(如 [转卖]进行直接盈利或[编辑后售卖]进行间接盈利)。
2、本站所有内容均由合作方或网友上传,本站不对文档的完整性、权威性及其观点立场正确性做任何保证或承诺!文档内容仅供研究参考,付费前请自行鉴别。
3、如文档内容存在违规,或者侵犯商业秘密、侵犯著作权等,请点击“违规举报”。

碎片内容

深基坑土方开挖专项施工方案11305

您可能关注的文档

确认删除?
VIP
微信客服
  • 扫码咨询
会员Q群
  • 会员专属群点击这里加入QQ群
客服邮箱
回到顶部