电脑桌面
添加小米粒文库到电脑桌面
安装后可以在桌面快捷访问

深基坑工程施工安全检查验收表VIP专享

深基坑工程施工安全检查验收表_第1页
1/3
深基坑工程施工安全检查验收表_第2页
2/3
深基坑工程施工安全检查验收表_第3页
3/3
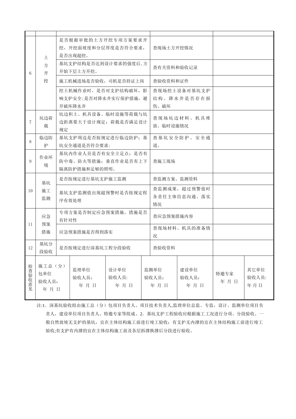
深基坑工程施工安全检查验收表项目名称检查时间年 月 日建设单位设计单位施工单位监理单位支 护 结 构简 介序号检 查项目检查内容检查方法检查情况(存在问题)1参建各方行为责任主体建 设单 位深基坑工程是否委托专项基坑支护设计查是否有设计图纸是否委托具有资质的单位施工查施工单位资质是否委托具有资质的单位监理查监理单位资质是否委托具有资质的第三方单位监测查监测单位资质设 计单 位基坑支护设计方案是否经过专家评审、是否经过审图机构审查查基坑支护设计专家评审意见、审图机构意见施 工单 位是否编制专项施工方案查支护及土方开挖专项方案(含编审、签字程序)是否对专项方案组织专家论证查专项方案专家论证意见是否向操作班组和工人进行详细的安全技术交底查看交底记录及询问相关人员是否进行了公司及项目安全检查查检查记录监 理单 位是否编制含深基坑工程的“危险性较大的分部分项工程”监理细则查监理细则是否对专项方案进行审批查方案审批表是否执行监督、检查、见证取样及隐蔽验收;关键工序是否旁站查监理日记及相关资料是否参加对第三方变形监测成果进行分析查监理日记及相关资料监 测单 位是否编制有针对性的监测方案(设计及施工安全等级为一级的监测方案宜组织专家论证)查方案内容及审批程序是否按规定布设监测点,是否按频率及项目进行监测查监测点布设及监测成果是否及时对监测数据进行分析并向相关单位通报查监测成果续表序号检 查项目检查内容检查方法检查情况(存在问题)2支自然放坡坡度、平台宽度、喷射混凝土面层厚检查施工现场、内业验收护结构质量度、强度资料、查检测成果土钉墙放坡坡度、土钉平面及竖向位置、喷射混凝土面层厚度、强度检查施工现场、内业验收资料、查检测成果重力式水泥土墙直径、搭接长度、位置偏差、水泥掺入比、单轴抗压强度检查施工现场、内业验收资料、查检测成果排桩混凝土强度、桩位偏差、桩身完整性检查施工现场、内业验收资料、查检测成果型钢水泥土墙桩位偏差、桩长、水泥土强度、型钢长度及焊接质量检查施工现场、内业验收资料、查检测成果地下连续墙混凝土强度、接头渗水情况检查施工现场、内业验收资料、查检测成果钢板桩截面尺寸、钢板桩长度、插入垂直度检查施工现场、内业验收资料锚杆(索)锚杆平面及竖向位置、锚杆各节点连接密合程度、锚杆抗拔承载力检查施工现场、内业验收资料、查检测成果钢筋混凝土支撑截面尺寸、平直度、混凝土强度;检查施工现场、内...

1、当您付费下载文档后,您只拥有了使用权限,并不意味着购买了版权,文档只能用于自身使用,不得用于其他商业用途(如 [转卖]进行直接盈利或[编辑后售卖]进行间接盈利)。
2、本站所有内容均由合作方或网友上传,本站不对文档的完整性、权威性及其观点立场正确性做任何保证或承诺!文档内容仅供研究参考,付费前请自行鉴别。
3、如文档内容存在违规,或者侵犯商业秘密、侵犯著作权等,请点击“违规举报”。

碎片内容

深基坑工程施工安全检查验收表

确认删除?
VIP
微信客服
  • 扫码咨询
会员Q群
  • 会员专属群点击这里加入QQ群
客服邮箱
回到顶部