电脑桌面
添加小米粒文库到电脑桌面
安装后可以在桌面快捷访问

深基坑开挖施工前条件验收要点

深基坑开挖施工前条件验收要点_第1页
1/6
深基坑开挖施工前条件验收要点_第2页
2/6
深基坑开挖施工前条件验收要点_第3页
3/6
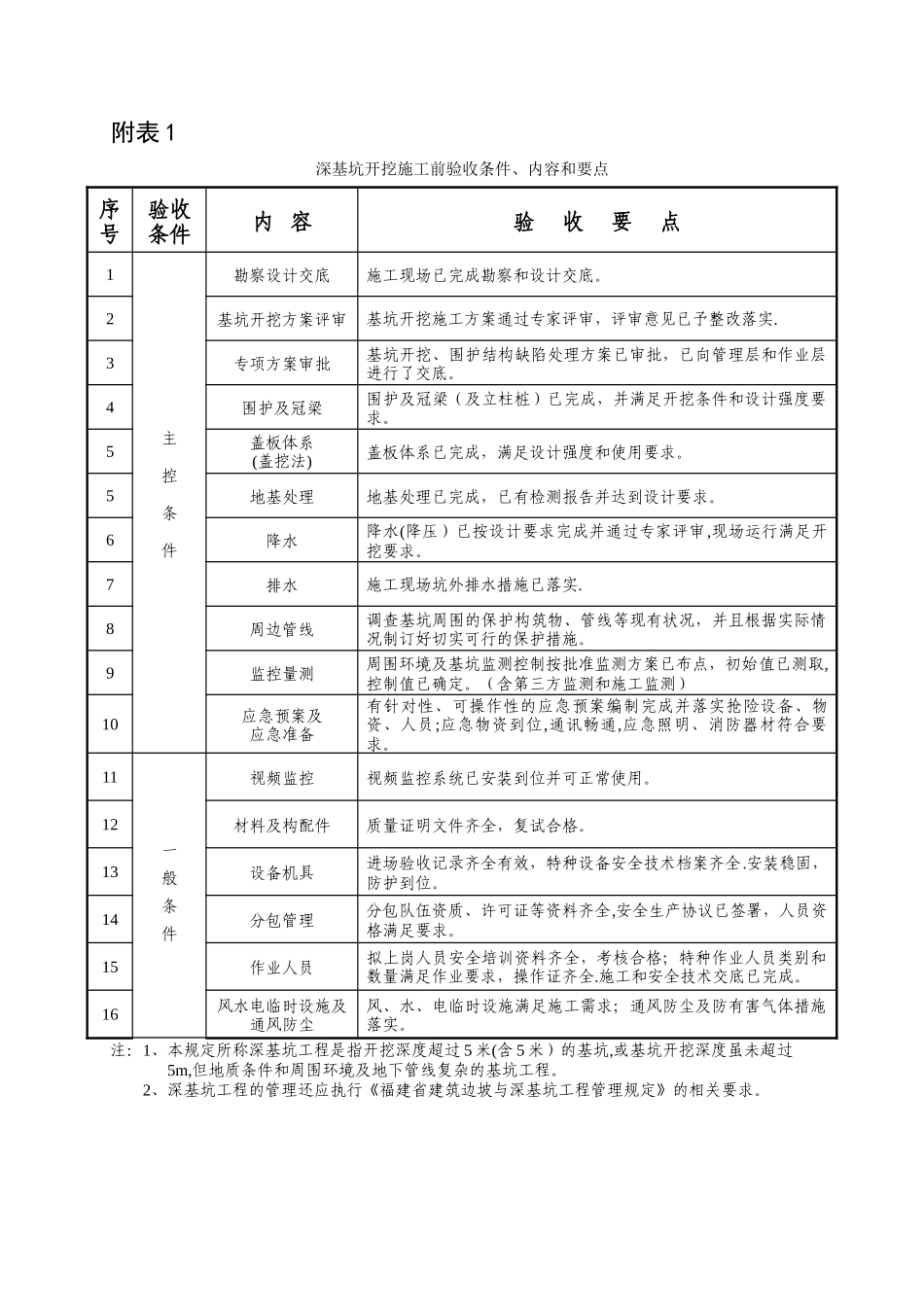
附表 1深基坑开挖施工前验收条件、内容和要点序号验收条件内 容验 收 要 点1主控条件勘察设计交底施工现场已完成勘察和设计交底。2基坑开挖方案评审基坑开挖施工方案通过专家评审,评审意见已予整改落实.3专项方案审批基坑开挖、围护结构缺陷处理方案已审批,已向管理层和作业层进行了交底。4围护及冠梁围护及冠梁(及立柱桩)已完成,并满足开挖条件和设计强度要求。5盖板体系(盖挖法)盖板体系已完成,满足设计强度和使用要求。5地基处理地基处理已完成,已有检测报告并达到设计要求。6降水降水(降压)已按设计要求完成并通过专家评审,现场运行满足开挖要求。7排水施工现场坑外排水措施已落实.8周边管线调查基坑周围的保护构筑物、管线等现有状况,并且根据实际情况制订好切实可行的保护措施。9监控量测周围环境及基坑监测控制按批准监测方案已布点,初始值已测取,控制值已确定。(含第三方监测和施工监测)10应急预案及应急准备有针对性、可操作性的应急预案编制完成并落实抢险设备、物资、人员;应急物资到位,通讯畅通,应急照明、消防器材符合要求。11一般条件视频监控视频监控系统已安装到位并可正常使用。12材料及构配件质量证明文件齐全,复试合格。13设备机具进场验收记录齐全有效,特种设备安全技术档案齐全.安装稳固,防护到位。14分包管理分包队伍资质、许可证等资料齐全,安全生产协议已签署,人员资格满足要求。15作业人员拟上岗人员安全培训资料齐全,考核合格;特种作业人员类别和数量满足作业要求,操作证齐全.施工和安全技术交底已完成。16风水电临时设施及通风防尘风、水、电临时设施满足施工需求;通风防尘及防有害气体措施落实。注:1、本规定所称深基坑工程是指开挖深度超过 5 米(含 5 米)的基坑,或基坑开挖深度虽未超过5m,但地质条件和周围环境及地下管线复杂的基坑工程。2、深基坑工程的管理还应执行《福建省建筑边坡与深基坑工程管理规定》的相关要求。附表 11 关键节点施工前条件验收自检、预审表工程名称施工前条件验收项目施工单位监理单位序号验收条件内容验收要点施工单位自检意见监理单位预审意见1主控条件234567891011一般条件12131415项目经理(签字): 年 月 日总监理工程师(签字): 年 月 日 注:本表由施工单位和监理单位填报,作为施工单位条件验收申请和条件验收意见的附件,建设单位、监理单位、施工单位各存一份。附表 12 关键节点施工前条件验收申请表工程名称编号施工前条件验收项目...

1、当您付费下载文档后,您只拥有了使用权限,并不意味着购买了版权,文档只能用于自身使用,不得用于其他商业用途(如 [转卖]进行直接盈利或[编辑后售卖]进行间接盈利)。
2、本站所有内容均由合作方或网友上传,本站不对文档的完整性、权威性及其观点立场正确性做任何保证或承诺!文档内容仅供研究参考,付费前请自行鉴别。
3、如文档内容存在违规,或者侵犯商业秘密、侵犯著作权等,请点击“违规举报”。

碎片内容

深基坑开挖施工前条件验收要点

您可能关注的文档

确认删除?
VIP
微信客服
  • 扫码咨询
会员Q群
  • 会员专属群点击这里加入QQ群
客服邮箱
回到顶部