电脑桌面
添加小米粒文库到电脑桌面
安装后可以在桌面快捷访问

深基坑支护验收记录表

深基坑支护验收记录表_第1页
1/3
深基坑支护验收记录表_第2页
2/3
深基坑支护验收记录表_第3页
3/3
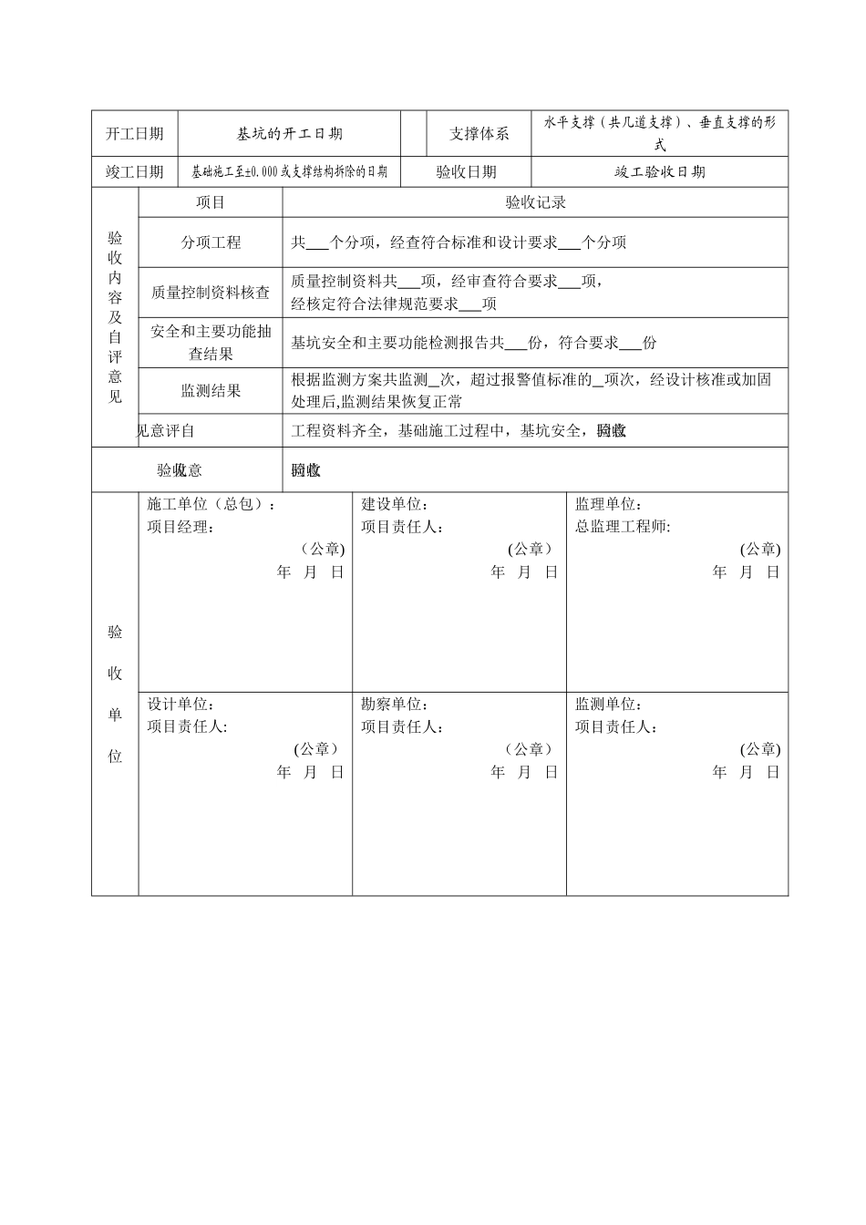
建筑深基坑工程土方开挖条件验收记录工程名称基坑支护形式造价建设单位长×宽×深施工单位安全等级监理单位支护结构支护结构的形式设计单位地下水控制截水、降水、排水措施开工日期支撑体系水平支撑(共几道支撑)、垂直支撑的形式完工日期验收日期基坑开挖条件的验收日期验收内容及自评意见项目验收记录质量控制资料核查质量控制资料共 项,经审查符合要求 项,经核定符合法律规范要求 项基坑检测方案灌注桩桩身完整性检测 根,成孔的垂直度检测 根,孔径检测 根;地下连续墙砼质量检验 槽段,成槽的垂直度、倾斜度、沉渣检测 槽段;水泥土墙成桩质量检查 根,完整性及强度检测 根;土钉墙承载力检测 根,喷射砼厚度检测 根;锚杆抗拔力检测 根。其中不符合要求的有: 设计处理意见:施工组织设计施工组织设计已经过专家论证,审批程序符合要求;土方开挖已与基坑施工总包单位签订总分包协议.监测方案桩墙顶水平位移、垂直沉降检测 点;支撑轴力监测 点;立柱变形监测 点;围护结构深层水平位移监测 点;相邻房屋沉降、倾斜、裂缝监测 点;地下管线沉降与水平位移监测 点;坑外地下水位、坑内地下水及基坑渗漏状况监测 点其中监测项目超过报警值的有: 设计处理意见:监测队伍已落实,监测点的埋设经监理验收符合要求冠梁制作及支撑施工冠梁及支撑已按设计要求进行施工,砼强度已达到设计要求自评意见资料齐全,满足土方开挖条件验收意见具备开挖条件,同意按专家论证的开挖方案进行施工验收单位施工单位(总包)项目经理:(公章) 年 月 日建设单位项目责任人:(公章)年年 月 日监理单位总监理工程师:(公章)年 月 日设计单位设计责任人:(公章)年 月 日建筑深基坑工程开挖至设计标高时的中间验收记录工程名称基坑支护造价建设单位长×宽×深施工单位安全等级形式监理单位支护结构支护结构的形式设计单位地下水控制截水、降水、排水措施开挖日期土方开挖的日期支撑体系水平支撑(共几道支撑)、垂直支撑的形式挖完日期土方开挖结束的日期验收日期中间验收日期验收内容及自评意见项目验收记录开挖情况按专家论证的开挖方案进行开挖,并有相关的验收记录及平行检验记录监测结果变形设计值 ,实测最大值 ;内力设计值 ,实测最大值 ;围护结构深层水平位移设计值 ,实测最大值 ;水位设计值 ,实测最大值 ;水土压力设计值 ,实测最大值 ;裂缝设计值 ,实测最大值 ;基坑底部回弹和隆起设计值 ,实测最大值 。 外...

1、当您付费下载文档后,您只拥有了使用权限,并不意味着购买了版权,文档只能用于自身使用,不得用于其他商业用途(如 [转卖]进行直接盈利或[编辑后售卖]进行间接盈利)。
2、本站所有内容均由合作方或网友上传,本站不对文档的完整性、权威性及其观点立场正确性做任何保证或承诺!文档内容仅供研究参考,付费前请自行鉴别。
3、如文档内容存在违规,或者侵犯商业秘密、侵犯著作权等,请点击“违规举报”。

碎片内容

深基坑支护验收记录表

您可能关注的文档

确认删除?
VIP
微信客服
  • 扫码咨询
会员Q群
  • 会员专属群点击这里加入QQ群
客服邮箱
回到顶部