电脑桌面
添加小米粒文库到电脑桌面
安装后可以在桌面快捷访问

混凝土外观质量缺陷检测典型报告

混凝土外观质量缺陷检测典型报告_第1页
1/4
混凝土外观质量缺陷检测典型报告_第2页
2/4
混凝土外观质量缺陷检测典型报告_第3页
3/4
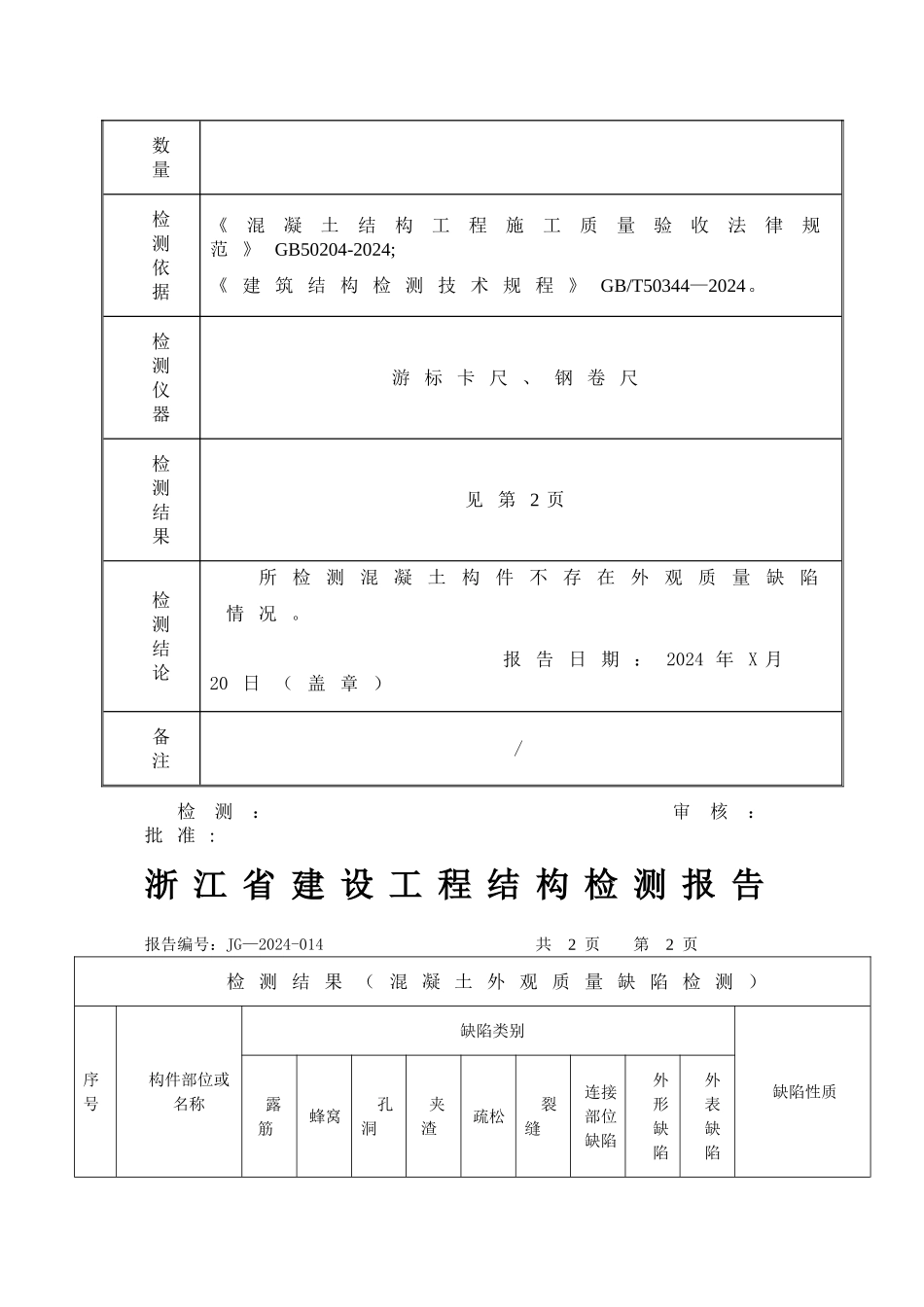
报告编号:JG-2024-014 正文页数: 共2 页 浙 江 省 建 设 工 程 结 构检 测 报 告工 程 名 称 : XXXX物 流 平 台 ( 2 # 楼 )检 测 项 目 : 混 凝 土 外 观 质 量 缺 陷 检 测委 托 单 位 : 北 京 海 创 高 科 科 技 有 限 公 司检 测 类 别 : 委 托 检 测报 告 日 期 : 2024年 X 月 20 日北 京 海 创 高 科 科 技 有 限 公 司声 明1 、本 检 测 报 告 未 加 盖 本 单 位 计 量 认 证 章及 检 测 报 告 专 用 章 者 无 效 ;2 、本 检 测 报 告 发 生 任 何 改 动 或 复 制 后 ,未 加 盖 本 单 位 检 测 报 告 专 用 章 者 无 效 ;3 、本 检 测 报 告 涂 改 、 错 页 、 缺 页 、 换 页者 无 效 ;4 、本 检 测 报 告 无 检 测 人 、 审 核 人 、 批 准人 签 字 无 效 ;5 、本 检 测 报 告 结 论 仅 对 受 检 部 位 及 本 次检 测 有 效 ;6 、对 本 检 测 报 告 若 有 异 议 或 需 要 说 明 之处 , 应 于 收 到 报 告 之 日 起 十 五 日 内 向 我单 位 书 面 提 出 , 本 单 位 将 给 予 及 时 的 解 释或 答 复 。检 测 单 位 : 北 京 海 创 高 科 科 技 有 限 公 司检 测 资 质 证 书 : 浙 建 检 字 (XX) XXXXX—D检 测 单 位 地 址 : 北 京 市 海 淀 区 清 河 永 泰 庄西邮 编 : 100000电 话 : 010-62329817、 62323261浙 江 省 建 设 工 程 结 构 检 测 报 告报告编号:JG—2024-014 共 2 页 第 1 页委托单位北 京 海 创 高 科 科 技有 限 公 司委托编号JG—2024-014工程名称XXXX 物 流 平 台工程地址XX 市 XX 区建设单位XXX 物 流 有 限 公 司施工单位浙 江 省 建 工 集 团有 限 责 任 公 司监理单位浙 江 XX 工 程 项 目 管理 有 限 公 司设计单位XX 设 计 集 团 有 限公 司见证单位/见证人/检测原因/检测目的/检测日期2024 年 X 月 18 日检测性质委 托 检 测检测项目混 凝 土 外 观 质 量 缺 陷 检 测检测4 个数量检测依据《混凝土结构工程施工质量验收法律规范 》 GB50204-2024;《 建 筑 结 构 检 测 技 术 规 程 》 GB/T50344—2024。检测仪器游 标 卡 尺 、 钢 卷 尺检测结果见 第 2 页检测结论所检测混凝土构件不存在外观质量缺陷情 况 。报 告 日 期 : 2024 年 X 月20 日 ( 盖 章 )备注/检测: 审核: 批 准 :浙 江 省 建 设 工 程 结 构 检 测 报 告报告编号:JG—2024-014 共 2 页 第 2 页检 测 结 果 ( 混 凝 土 外 观 质 量 缺 陷 检 测 )序号构件部位或名称缺陷类别缺陷性质露筋蜂窝孔洞夹渣疏松裂缝连接部位缺陷外形缺陷外表缺陷1一层柱A/1无无无无无无无无无无2一层柱B/2无无无无无无无无无无3一层柱C/3无无无无无无无无无无4一层柱D/4无无无无无无无无无无以下空白

1、当您付费下载文档后,您只拥有了使用权限,并不意味着购买了版权,文档只能用于自身使用,不得用于其他商业用途(如 [转卖]进行直接盈利或[编辑后售卖]进行间接盈利)。
2、本站所有内容均由合作方或网友上传,本站不对文档的完整性、权威性及其观点立场正确性做任何保证或承诺!文档内容仅供研究参考,付费前请自行鉴别。
3、如文档内容存在违规,或者侵犯商业秘密、侵犯著作权等,请点击“违规举报”。

碎片内容

混凝土外观质量缺陷检测典型报告

阳光书坊+ 关注
实名认证
内容提供者

阳光书坊,传播未来

确认删除?
VIP
微信客服
  • 扫码咨询
会员Q群
  • 会员专属群点击这里加入QQ群
客服邮箱
回到顶部