电脑桌面
添加小米粒文库到电脑桌面
安装后可以在桌面快捷访问

混凝土施工检验批质量验收记录

混凝土施工检验批质量验收记录_第1页
1/13
混凝土施工检验批质量验收记录_第2页
2/13
混凝土施工检验批质量验收记录_第3页
3/13
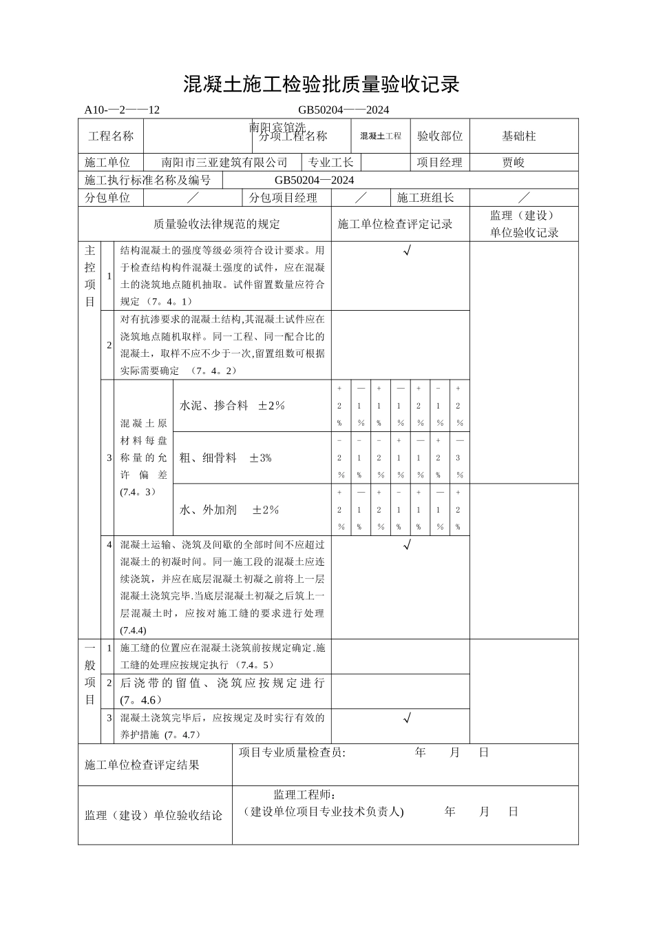
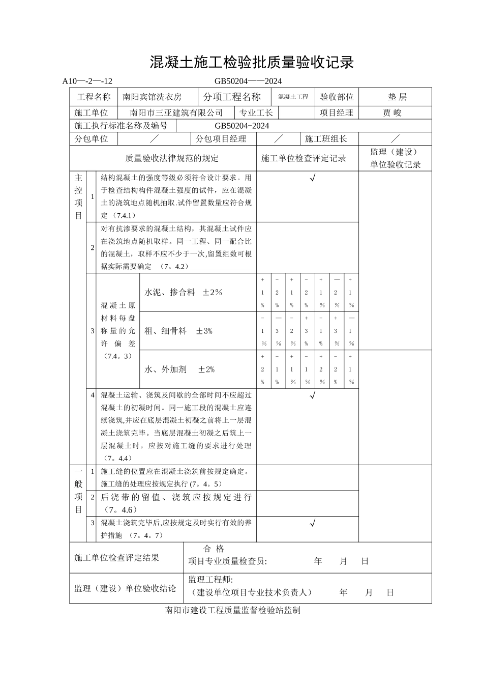
混凝土施工检验批质量验收记录A10—-2—-12 GB50204——2024工程名称南阳宾馆洗衣房分项工程名称混凝土工程验收部位 垫 层施工单位南阳市三亚建筑有限公司专业工长项目经理 贾 峻施工执行标准名称及编号GB50204-2024分包单位╱分包项目经理╱施工班组长╱质量验收法律规范的规定施工单位检查评定记录监理(建设)单位验收记录主控项目1结构混凝土的强度等级必须符合设计要求。用于检查结构构件混凝土强度的试件,应在混凝土的浇筑地点随机抽取.试件留置数量应符合规定 (7.4.1)√2对有抗渗要求的混凝土结构,其混凝土试件应在浇筑地点随机取样。同一工程、同一配合比的混凝土,取样不应不少于一次,留置组数可根据实际需要确定 (7。4.2)3混 凝 土 原材 料 每 盘称 量 的 允许偏差(7.4。3)水泥、掺合料 ±2%+1%-2%+1%-2%+1%—2%+1%粗、细骨料 ±3%-1%—3%-2%+3%-1%+3%—1%水、外加剂 ±2%+2%-1%+1%-1%+2%-2%+1%4混凝土运输、浇筑及间歇的全部时间不应超过混凝土的初凝时间。同一施工段的混凝土应连续浇筑,并应在底层混凝土初凝之前将上一层混凝土浇筑完毕。当底层混凝土初凝之后筑上一层混凝土时,应按对施工缝的要求进行处理(7。4.4)√一般项目1施工缝的位置应在混凝土浇筑前按规定确定。施工缝的处理应按规定执行 (7。4。5)2 后 浇 带 的 留 值 、 浇 筑 应 按 规 定 进 行 (7。4.6) 3混凝土浇筑完毕后,应按规定及时实行有效的养护措施 (7。4。7)√施工单位检查评定结果 合 格项目专业质量检查员: 年 月 日监理(建设)单位验收结论监理工程师:(建设单位项目专业技术负责人) 年 月 日南阳市建设工程质量监督检验站监制混凝土施工检验批质量验收记录A10-—2——12 GB50204——2024工程名称 南阳宾馆洗分项工程名称混凝土工程验收部位 基础柱施工单位南阳市三亚建筑有限公司专业工长项目经理 贾峻施工执行标准名称及编号GB50204—2024分包单位╱分包项目经理╱施工班组长╱质量验收法律规范的规定施工单位检查评定记录监理(建设)单位验收记录主控项目1结构混凝土的强度等级必须符合设计要求。用于检查结构构件混凝土强度的试件,应在混凝土的浇筑地点随机抽取。试件留置数量应符合规定 (7。4。1)√2对有抗渗要求的混凝土结构,其混凝土试件应在浇筑地点随机取样。同一工程、同一配合比的混凝土,取样不应不少于一次,留置组数可根据实际需要确定 (7。4。2)3混 ...

1、当您付费下载文档后,您只拥有了使用权限,并不意味着购买了版权,文档只能用于自身使用,不得用于其他商业用途(如 [转卖]进行直接盈利或[编辑后售卖]进行间接盈利)。
2、本站所有内容均由合作方或网友上传,本站不对文档的完整性、权威性及其观点立场正确性做任何保证或承诺!文档内容仅供研究参考,付费前请自行鉴别。
3、如文档内容存在违规,或者侵犯商业秘密、侵犯著作权等,请点击“违规举报”。

碎片内容

混凝土施工检验批质量验收记录

确认删除?
VIP
微信客服
  • 扫码咨询
会员Q群
  • 会员专属群点击这里加入QQ群
客服邮箱
回到顶部