电脑桌面
添加小米粒文库到电脑桌面
安装后可以在桌面快捷访问

混凝土道路技术标VIP专享

混凝土道路技术标_第1页
1/18
混凝土道路技术标_第2页
2/18
混凝土道路技术标_第3页
3/18
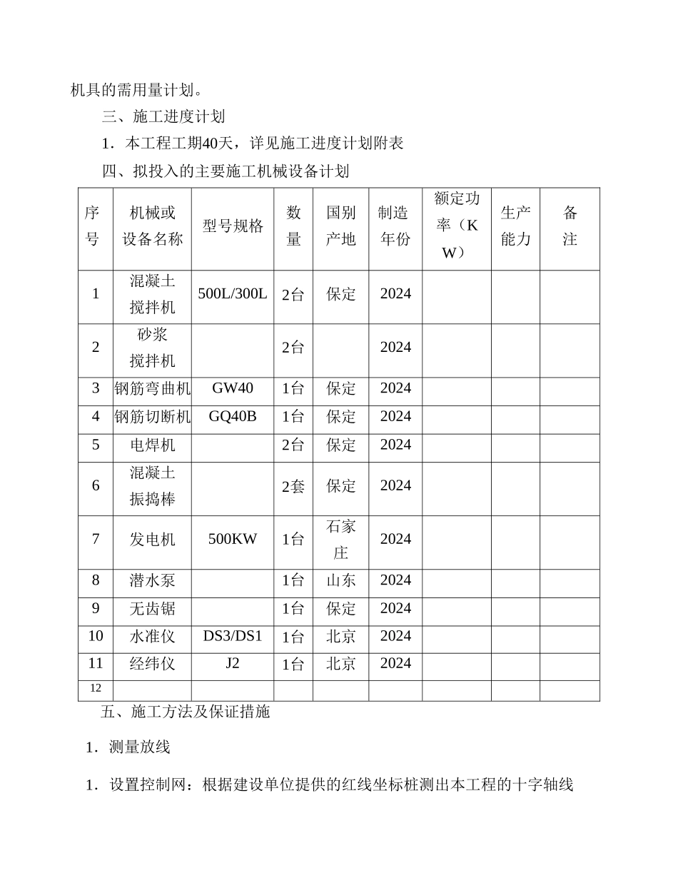
施工组织设计方案目 录 一、工程概况二、施工部署三、施工进度计划及施工进度计划表四、主要机具用具计划五、施工方法及保证措施六、工期保证措施项目组织机构表七、冬、雨期施工措施八、安全生产及文明施工九、工程质量保证措施及质量管理制度十、竣工验收后保修工作的措施和承诺十一、施工现场临时用电管理十二、成品保护的保证措施十三、降低造价施工措施 一、工程概况 本工程名称为峰峰矿区水利局 2024 年农村饮水安全及农田水利工程 3 标段李家山村供水站工程,位于峰峰矿区.其中供水站建 400m3蓄水池 1 座,管理房 150m2,施工范围包括图纸及清单全部内容。 二、施工部署 1.公司派对施工富有经验的领导班子负责该工程施工和有高技术水平的施工队伍进行操作。 2.项目班子组成 建立以项目经理为主的施工项目管理体系和以项目技术负责人为主的技术管量体系。设项目经理一名,技术负责人一名,安全员一名,质检员一名,经济核算员一名,资料员一名。合理安排生产、加强指挥、加强技术、质量、材料等几大体系的机构管理。 3.技术准备 由项目部有关技术人员仔细审查图纸,结合建设、设计单位,搞好图纸会审、明确设计意图和要求。严格根据设计图纸要求及国家施工法律规范精心组织专业队伍进行施工。 在施工前,编制一套系统的施工组织设计、施工方案及测量方案,并在分项工程施工前进行技术交底、样板交底引路。施工中积极采纳先进的施工工艺以及新材料。 4.现场准备:根据设计图纸要求及施工现场的具体环境,组织安排好施工现场的平面布置以及临时设施、水电、机械安装、消防、保卫等诸多工作. 5.其他方面 根据本工程特点组织流水作业施工,对水泥、钢筋及砼、砂浆材料、砌石、构配件等预先做好检查、试验、试配,及早提供各种材料、半成品、成品及机具的需用量计划。三、施工进度计划1.本工程工期40天,详见施工进度计划附表四、拟投入的主要施工机械设备计划序号机械或设备名称型号规格数量国别产地制造年份额定功率(KW)生产能力备注1混凝土搅拌机500L/300L2台保定20242砂浆搅拌机2台20243钢筋弯曲机GW401台保定20244钢筋切断机GQ40B1台保定20245电焊机2台保定20246混凝土振捣棒2套保定20247发电机500KW1台石家庄20248潜水泵1台山东20249无齿锯1台保定202410水准仪DS3/DS11台北京202411经纬仪J21台北京202412五、施工方法及保证措施 1.测量放线 1.设置控制网:根据建设单位提供的红线坐标桩测出本工程的十字轴线作...

1、当您付费下载文档后,您只拥有了使用权限,并不意味着购买了版权,文档只能用于自身使用,不得用于其他商业用途(如 [转卖]进行直接盈利或[编辑后售卖]进行间接盈利)。
2、本站所有内容均由合作方或网友上传,本站不对文档的完整性、权威性及其观点立场正确性做任何保证或承诺!文档内容仅供研究参考,付费前请自行鉴别。
3、如文档内容存在违规,或者侵犯商业秘密、侵犯著作权等,请点击“违规举报”。

碎片内容

混凝土道路技术标

确认删除?
VIP
微信客服
  • 扫码咨询
会员Q群
  • 会员专属群点击这里加入QQ群
客服邮箱
回到顶部