电脑桌面
添加小米粒文库到电脑桌面
安装后可以在桌面快捷访问

混凝土隐蔽工程验收记录

混凝土隐蔽工程验收记录_第1页
1/25
混凝土隐蔽工程验收记录_第2页
2/25
混凝土隐蔽工程验收记录_第3页
3/25
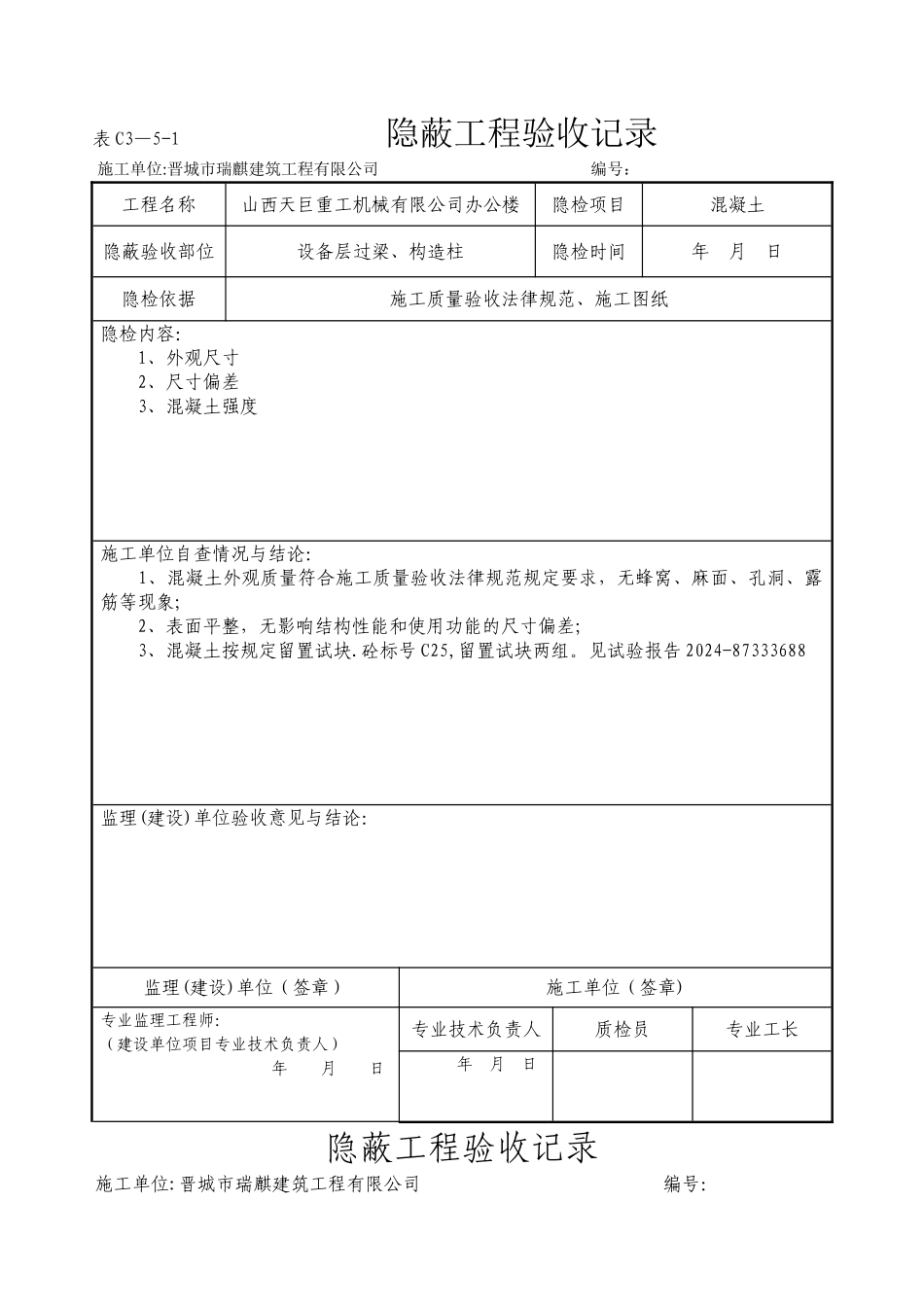
表 C3—5-1 隐蔽工程验收记录 施工单位:晋城市瑞麒建筑工程有限公司 编号: 工程名称山西天巨重工机械有限公司办公楼隐检项目混凝土隐蔽验收部位设备层过梁、构造柱隐检时间年 月 日隐检依据施工质量验收法律规范、施工图纸隐检内容:1、外观尺寸2、尺寸偏差3、混凝土强度 施工单位自查情况与结论: 1、混凝土外观质量符合施工质量验收法律规范规定要求,无蜂窝、麻面、孔洞、露筋等现象;2、表面平整,无影响结构性能和使用功能的尺寸偏差;3、混凝土按规定留置试块.砼标号 C25,留置试块两组。见试验报告 2024-87333688监理(建设)单位验收意见与结论:监理(建设)单位(签章)施工单位(签章)专业监理工程师:(建设单位项目专业技术负责人) 年 月 日专业技术负责人质检员专业工长年 月 日隐蔽工程验收记录 施工单位:晋城市瑞麒建筑工程有限公司 编号: 工程名称泽州县人民医院康复楼隐检项目混凝土隐蔽验收部位基础承台隐检时间2024 年 09 月 23 日隐检依据施工质量验收法律规范、施工图纸隐检内容:1、外观尺寸2、尺寸偏差3、混凝土强度 施工单位自查情况与结论: 1、混凝土外观质量符合施工质量验收法律规范规定要求,无蜂窝、麻面、孔洞、露筋等现象;2、表面平整,无影响结构性能和使用功能的尺寸偏差;3、混凝土按规定留置试块.砼标号 C30,留置试块四组.见试验报告 07-4083、07-4262监理(建设)单位验收意见与结论:监理(建设)单位(签章)施工单位(签章)专业监理工程师:(建设单位项目专业技术负责人) 年 月 日专业技术负责人质检员专业工长年 月 日表 C3—5—1隐蔽工程验收记录 施工单位:晋城市瑞麒建筑工程有限公司 编号: 工程名称泽州县人民医院康复楼隐检项目混凝土隐蔽验收部位地下室柱隐检时间2024 年 10 月 11 日隐检依据施工质量验收法律规范、施工图纸隐检内容:1、外观尺寸2、尺寸偏差3、混凝土强度 施工单位自查情况与结论: 1、混凝土外观质量符合施工质量验收法律规范规定要求,无蜂窝、麻面、孔洞、露筋等现象;2、表面平整,无影响结构性能和使用功能的尺寸偏差;3、混凝土按规定留置试块.砼标号 C30,留置试块一组。见试验报告 07—4395监理(建设)单位验收意见与结论:监理(建设)单位(签章)施工单位(签章)专业监理工程师:(建设单位项目专业技术负责人) 年 月 日专业技术负责人质检员专业工长年 月 日表 C3—5-1隐蔽工程验收记录 施工单位:晋城市瑞麒建筑工...

1、当您付费下载文档后,您只拥有了使用权限,并不意味着购买了版权,文档只能用于自身使用,不得用于其他商业用途(如 [转卖]进行直接盈利或[编辑后售卖]进行间接盈利)。
2、本站所有内容均由合作方或网友上传,本站不对文档的完整性、权威性及其观点立场正确性做任何保证或承诺!文档内容仅供研究参考,付费前请自行鉴别。
3、如文档内容存在违规,或者侵犯商业秘密、侵犯著作权等,请点击“违规举报”。

碎片内容

混凝土隐蔽工程验收记录

您可能关注的文档

确认删除?
VIP
微信客服
  • 扫码咨询
会员Q群
  • 会员专属群点击这里加入QQ群
客服邮箱
回到顶部