电脑桌面
添加小米粒文库到电脑桌面
安装后可以在桌面快捷访问

热电阻调试作业指导书

热电阻调试作业指导书_第1页
1/8
热电阻调试作业指导书_第2页
2/8
热电阻调试作业指导书_第3页
3/8
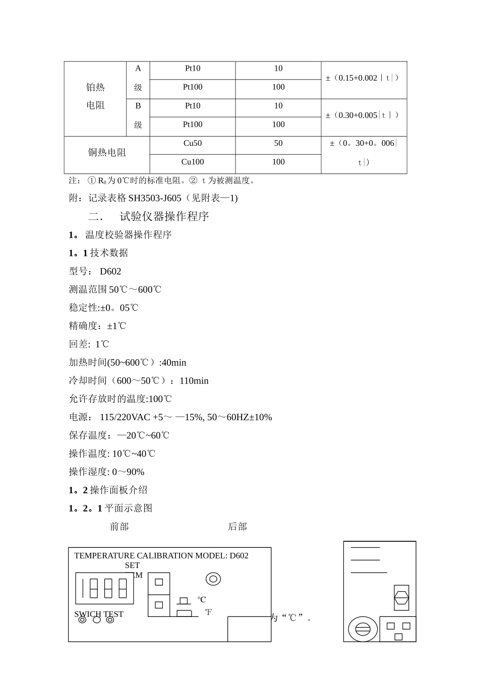
一.试验细则1。 试验目的热电阻的检验2。 范围适用于各种分度号热电阻的检验3。 责任和权限3.1 负责调试技术的主管施工员应在调试前负责编写调试技术方案,并依据经批准的调试方案进行调试;负责对调试记录中数据的正确性进行审核;必要时,通知该项目调试人员重新复试;对调试记录中的调试项目数据是否符合法律规范要求负责;不合格仪表会同监理、业主等有关人员检查、确认后,退库处理.3。2 参加调试的人员应熟知调试工作内容、法律规范、标准;依据调试方案中确定的方法进行调试;仔细填写调试记录;维护调试用标准仪器、设备;对调试结果的真实性、正确性和有效性负责。4. 依据标准4。1《自动化仪表工程施工及验收法律规范》GB50093—20244。2《石油化工仪表工程施工技术规程》SHJ3521—19995. 工作程序5.1 所需仪器设备序号仪器名称仪器型号备注1数字多用表7552精度和规格符合法律规范2温度校验器1200SE精度和规格符合法律规范3温度校验器D602精度和规格符合法律规范4标准温度计0~100℃精度和规格符合法律规范5。2调校环境条件5。2。1周围清洁、光线充足、通风良好。5.2。2 环境温度在 10—35℃之间,相对湿度不大于 85%.5.2.3有符合调校要求的电源。5.2.4避开振动大、灰尘多、噪声大和有强磁场干扰的地方。5.3 调校前的准备工作5。3.1 制定调校技术方案,进行技术交底。5.3.2熟悉仪表说明书、仪表规格书;掌握仪表性能及操作要求。5.3.3 标准仪器要具备有效的检定合格证;基本误差的绝对值不应超过被校仪表基本误差绝对值的 1/3。5.4 调校方法5.4.1外观检查5。4.1。1 铭牌及设备的型号、规格、材质、测量范围、技术条件应符合设计要求。5。4.1。2 无变形、损伤、油漆脱落、零件丢失等缺陷;外形主要尺寸、连接尺寸符合设计要求5.4。1。3 端子、接头固定件等应完整;附件齐全。合格证及检定证书齐备。5。4.2 热电阻的导通及绝缘性能的检验用万用表检查正、负极两端的导通.利用兆欧表分别检查正、负极两端对壳体的绝缘性能,绝缘电阻不小于 5 兆欧.5。4。3 热电阻的热电性能检验5。4。3.1 依据下图正确接线。 图—1 热电阻校验接线图1。 温度校验器 2。 热电阻 3. 铜线 4. 数字多用表5.4。3.2 零点检查将热电阻的测温部分与标准温度计插入冰水混合物中,待温度稳定后, 将热电阻测得温度与标准温度计比较,计算出误差.5.4 。 3.3 将 热 电 阻 插 入 温 度 校 验 器 中 , 分 别 升 温 至...

1、当您付费下载文档后,您只拥有了使用权限,并不意味着购买了版权,文档只能用于自身使用,不得用于其他商业用途(如 [转卖]进行直接盈利或[编辑后售卖]进行间接盈利)。
2、本站所有内容均由合作方或网友上传,本站不对文档的完整性、权威性及其观点立场正确性做任何保证或承诺!文档内容仅供研究参考,付费前请自行鉴别。
3、如文档内容存在违规,或者侵犯商业秘密、侵犯著作权等,请点击“违规举报”。

碎片内容

热电阻调试作业指导书

范哲铺+ 关注
实名认证
内容提供者

想你所想,急你所急,你需要的都在店铺里可以找到。

确认删除?
VIP
微信客服
  • 扫码咨询
会员Q群
  • 会员专属群点击这里加入QQ群
客服邮箱
回到顶部