电脑桌面
添加小米粒文库到电脑桌面
安装后可以在桌面快捷访问

照明亮化维护计划-肖扬

照明亮化维护计划-肖扬_第1页
1/3
照明亮化维护计划-肖扬_第2页
2/3
照明亮化维护计划-肖扬_第3页
3/3
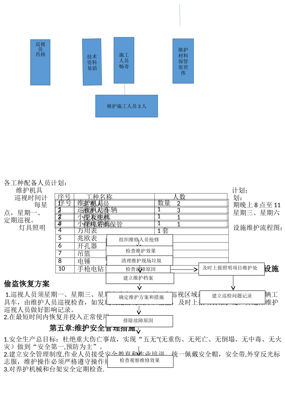
亮化照明维护工程施工组织 目 录 第一章、编制依据 第二章、灯具设施维护方案 第三章:人员结构配置 第四章、设施偷盗、人为处理恢复方案 第五章、安全管理方案 第六章、相关单位部门协调方案及应急方案 第七章、文明施工措施 第一章、编制依据 1、国家颁布的现行施工法律规范和操作规程: (1)《建筑工程施工质量验收统一标准》(GB50300-2001) (2)《建筑电气工程施工质量验收法律规范》(GB50303-2024) (3)《电气装置安装工程施工及验收法律规范汇编》 第二章、灯具维护方案 亮化照明维护工程是一个高难度并具有一定危险性电气照明安装工程,公司本着对招标单位负责的态度,建立亮化照明工程设施维护项目处,全权负责负责区域设施维护和管理,项目处由项目经理专职负责协调和各单位部门积极配合,严格根据招标单位的要求,落实单位责任制,指派专职人员(有维护经验)定时巡视,及时发现问题并按流程操作,从严控制工程质量,同事抓好安装生产和文明施工,责任到人,实行目标管理,精心组织维护,以一流的工程质量汇报对我项目处的信任. 第三章、组织结构 成立亮化照明工程维护项目处,项目处由项目经理专职总负责,负责工程维护计划、工程量、施工现场实际情况,做好人员、机械设备及物料进场工作,操作人员必须经过培训方可上岗,特别工种操作人员持证上岗。 以下是亮化工程维护项目处组织结构:项目经理肖扬各工种配备人员计划: 维护机具计划: 巡视时间计划: 每星期晚上 8 点至 11点,星期一、星期三、星期六定期巡视。 灯具照明设施维护流程图: 第四章:设施偷盗恢复方案 1.巡视人员须星期一、星期三、星期六晚上 8—11 点,在巡视区域巡视和与维护,配备一辆工具车,由维护人员巡视检查,如发现设施出现故障和偷盗,及时上报项目维护处,并通知维护巡视人员做好影响记录。2.在最短时间内恢复并投入正常使用。 第五章:维护安全管理措施1.安全生产总目标:杜绝重大伤亡事故,实现“五无"(无重伤、无死亡、无倒塌、无中毒、无火灾)做到“安全第一,预防为主”。2.建立安全管理制度,作业人员接受安全教育和作业培训,统一佩戴安全帽,安全带,外穿反光标志服,维护操作必须严格遵守操作规程,不野蛮施工.3.对养护机械和台架安全定期检查.施工人员畅奇维护材料保管张世伟维护施工人员 3 人序号 工种名称 人数1 巡视人员 22 维护人员 33 技术资料 14 材料采购保管 1序号维护机具数量1巡视机动车辆12小型...

1、当您付费下载文档后,您只拥有了使用权限,并不意味着购买了版权,文档只能用于自身使用,不得用于其他商业用途(如 [转卖]进行直接盈利或[编辑后售卖]进行间接盈利)。
2、本站所有内容均由合作方或网友上传,本站不对文档的完整性、权威性及其观点立场正确性做任何保证或承诺!文档内容仅供研究参考,付费前请自行鉴别。
3、如文档内容存在违规,或者侵犯商业秘密、侵犯著作权等,请点击“违规举报”。

碎片内容

照明亮化维护计划-肖扬

办公文档专营+ 关注
实名认证
内容提供者

大量办公文档,欢迎选择

确认删除?
VIP
微信客服
  • 扫码咨询
会员Q群
  • 会员专属群点击这里加入QQ群
客服邮箱
回到顶部