电脑桌面
添加小米粒文库到电脑桌面
安装后可以在桌面快捷访问

燃气液化气站拆除工程施工方案

燃气液化气站拆除工程施工方案_第1页
1/4
燃气液化气站拆除工程施工方案_第2页
2/4
燃气液化气站拆除工程施工方案_第3页
3/4
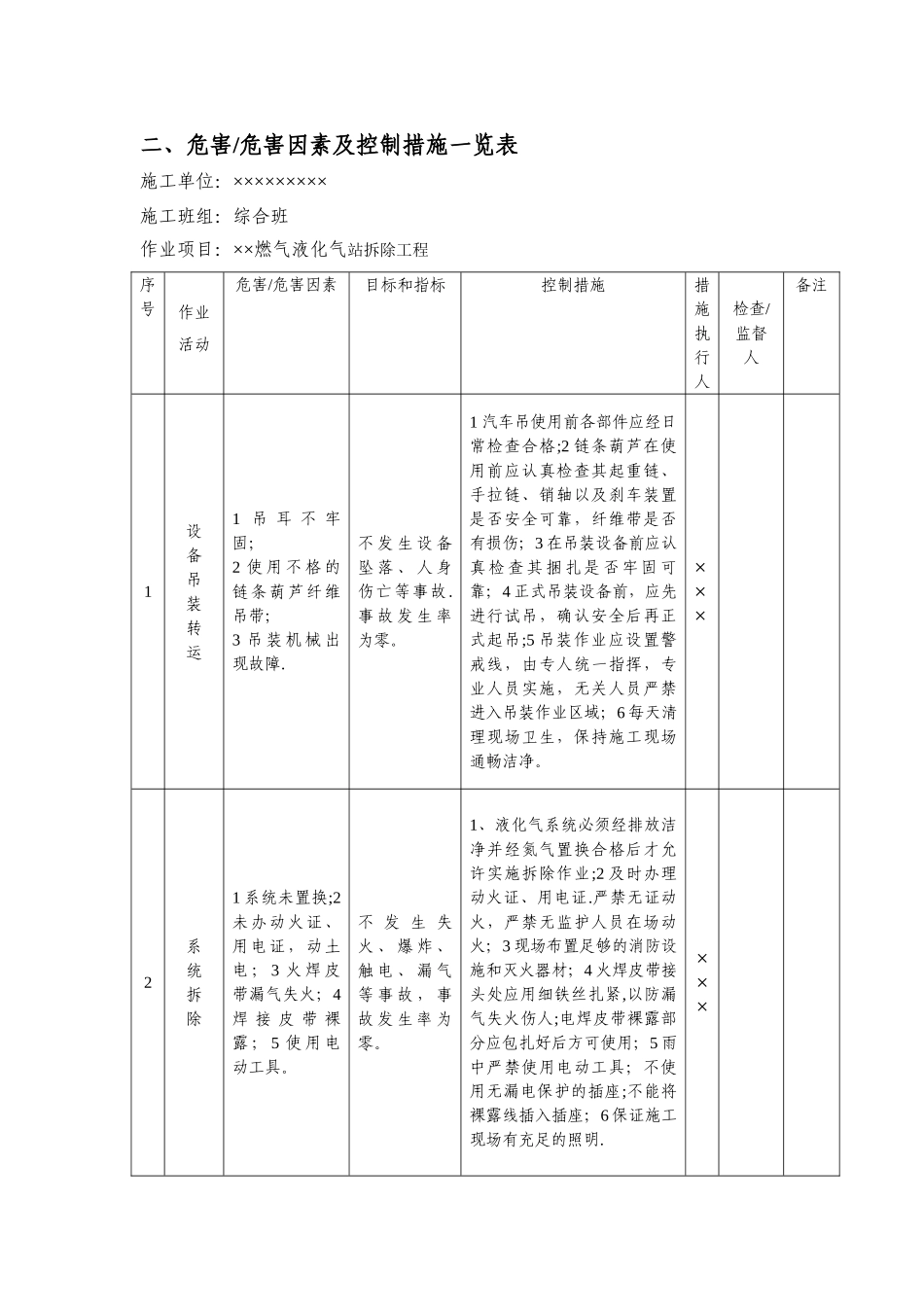
××燃气液化气站拆除工程施工方案一、施工方案(一)、施工人员准备:施工负责人:××× 钳工:6 名 管道工:6 名 焊工:4 名 起重工:4 名 辅工:6 名 监护人员:2 名(二)、 施工机具、材料准备:50 吨吊车:1 台 小型挖机:1 台 风炮:1 台氧割设备:2 套 管子切割机:1 台 磨管机:2 台锯工:3 把 电焊机:1 台 5 吨葫芦:2 个防暴扳手:1 副 捆绑钢丝绳:1 批 零星工具:1 批钢管滚杠:10 根 氮气:160m3 12mm 钢板:1m2(三)、施工作业指导书1、施工现场布置在××燃气液化气站施施工场地点四周设置明显的施工警戒和围栏标志,禁止与施工无关人员进入施工区域;2、系统置换⑴、将系统的排气阀门打开排气,至确认系统内的液化气已全部排放洁净。在排气的过程中,现场严禁动火动焊;⑵、将排气阀门关闭。联接氮气瓶与地下液化气储罐,逐瓶将氮气充入液化气储罐和管路系统中,对系统进行氮气置换,直至置换合格;3、系统拆除前要先将地下液化气储罐上面的遮雨棚拆除,再用风炮或者是人工剔除两台地下液化气储罐顶部预制顶板的密封缝,将储罐顶部预制板松开,用吊车将预制板吊开,露出储罐.如储罐四周埋有沙子,则还应人工将细沙挖出运走;4、将储罐上部所有螺栓联接的部位(包括安全阀管口、进液管口、出液管口、气相管口、残液管口等法兰联接处)全部拧掉螺栓,拆开,将储罐人孔盖螺栓拧掉,拆开人孔盖;将管路系统上所有用法兰螺栓联接的部位全部拧掉螺栓拆开,特别是每条管线的终端均要拆开敞口,禁止管路系统密闭;5、用小型挖机将气罐挖出,然后用一台 50 吨汽车吊将三台地下储罐逐台吊出地面,整齐地摆放在指定位置,并在储罐内注入大约100mm 深的自来水存放;液化气储罐的资产处置遵照××燃气液化气站的有关程序执行。6、人工拆除空压机房的一面墙,然后拆除缓冲罐及空压机等设备,再利用吊车将其转运至指定地点整齐堆放; 7、拆除液化气站管路及管路附件。管路应逐条管线组织拆除,每条管路拆除前要确认管路两端都已经拆开敞口,管内空气已经置换合格,再逐段拆除.管路拆除时,凡是螺栓联接之处,均要用拆除螺栓的方式进行管道的拆除,应尽量少用动用氧割设备.8、清理施工现场,打扫洁净卫生,与××燃气有关部门办理好竣工验收手续。二、危害/危害因素及控制措施一览表施工单位:×××××××××施工班组:综合班作业项目:××燃气液化气站拆除工程序号作业活动危害/危害因素目标和指标控制措施措施执...

1、当您付费下载文档后,您只拥有了使用权限,并不意味着购买了版权,文档只能用于自身使用,不得用于其他商业用途(如 [转卖]进行直接盈利或[编辑后售卖]进行间接盈利)。
2、本站所有内容均由合作方或网友上传,本站不对文档的完整性、权威性及其观点立场正确性做任何保证或承诺!文档内容仅供研究参考,付费前请自行鉴别。
3、如文档内容存在违规,或者侵犯商业秘密、侵犯著作权等,请点击“违规举报”。

碎片内容

燃气液化气站拆除工程施工方案

确认删除?
VIP
微信客服
  • 扫码咨询
会员Q群
  • 会员专属群点击这里加入QQ群
客服邮箱
回到顶部