电脑桌面
添加小米粒文库到电脑桌面
安装后可以在桌面快捷访问

燃气管道施工方案(很好)

燃气管道施工方案(很好)_第1页
1/6
燃气管道施工方案(很好)_第2页
2/6
燃气管道施工方案(很好)_第3页
3/6
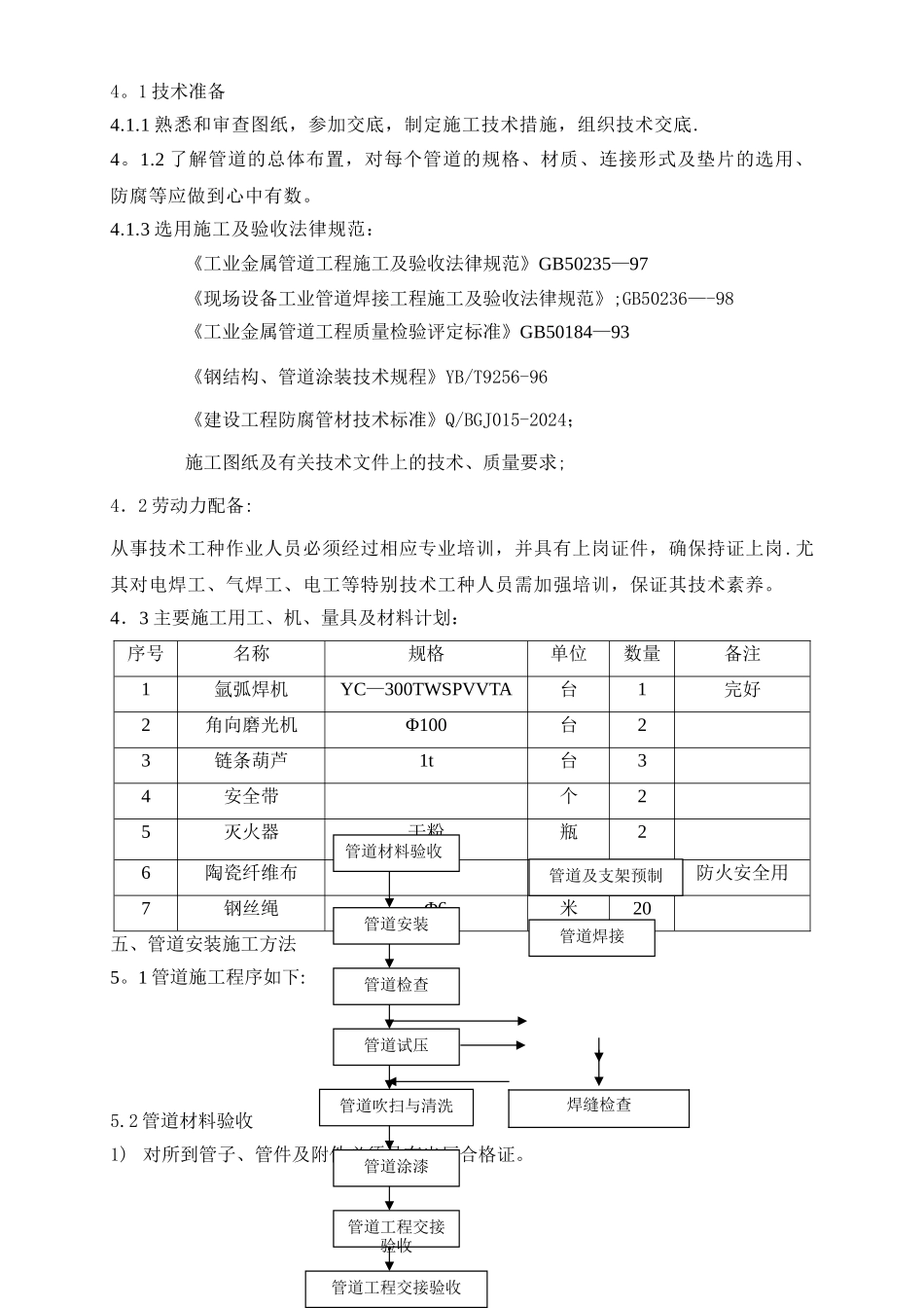
一、工程概况:1。工程简况:1. 1 宝钢 1800 冷轧燃气管道主要包括氮气焦炉煤气(COG)、混合煤气(MG)、转炉煤气(LOG),管径为 Φ32*2.5~Φ920*7,总计约 3500 米。大部分管道分布在主厂房 1 区——6 区各列管桥上,为酸轧、连退、热镀锌等机组服务.2.质量目标:质量目标:工程质量等级 100%合格,质量优良率≥90%以上。3.安全目标:杜绝重大安全事故,月负伤率小于千分之零点四,争创“无伤工程”。4.工期目标:1 区-—-6 区燃气管道安装施工于 2003 年 1 月 10 日至 2004 年 10 月 15 日全部结束。5 工艺流程:燃气管网中的焦炉煤气、混合煤气均来自煤气站经 3 区到 2 区连退、4 区的 1#、2#热镀锌;混合煤气除上述外还有一路经 2 区、6 区到酸再生站.转炉煤气管道由维四路外网架桥接入,只供给酸再生站. 6.实物量统计:燃气管道实物量:无缝钢管108*4800无缝钢管Φ89*4500无缝钢管Φ57*3.55007.工程特点:1。3.1 施工工期短,工作量大,且点多面广。1。3。2 高空作业,施工现场条件复杂,施工难度大. 1。3。3 管道焊口数量多,射线探伤拍片量大,需要边施工边进行检验。二、施工部署:管道施工是结合冠华黄金的整体规划,根据图纸工艺安装程序进行管道的安装。三、施工准备:考虑到本燃气管道属于特种设备,施工准备工作很重要,技术标准的配备、施工机具进场前的全面检查、施工用材料的提前备货、施工顺序的优化和施工方法,以保证管道安装质量。四、技术准备4。1 技术准备4.1.1 熟悉和审查图纸,参加交底,制定施工技术措施,组织技术交底.4。1.2 了解管道的总体布置,对每个管道的规格、材质、连接形式及垫片的选用、防腐等应做到心中有数。4.1.3 选用施工及验收法律规范: 《工业金属管道工程施工及验收法律规范》GB50235—97《现场设备工业管道焊接工程施工及验收法律规范》;GB50236—-98《工业金属管道工程质量检验评定标准》GB50184—93《钢结构、管道涂装技术规程》YB/T9256-96《建设工程防腐管材技术标准》Q/BGJ015-2024;施工图纸及有关技术文件上的技术、质量要求;4.2 劳动力配备:从事技术工种作业人员必须经过相应专业培训,并具有上岗证件,确保持证上岗.尤其对电焊工、气焊工、电工等特别技术工种人员需加强培训,保证其技术素养。4.3 主要施工用工、机、量具及材料计划:序号名称规格单位数量备注1氩弧焊机YC—300TWSPVVTA台1完好2角向磨光机Φ100台23链条葫芦1t台34安全带个...

1、当您付费下载文档后,您只拥有了使用权限,并不意味着购买了版权,文档只能用于自身使用,不得用于其他商业用途(如 [转卖]进行直接盈利或[编辑后售卖]进行间接盈利)。
2、本站所有内容均由合作方或网友上传,本站不对文档的完整性、权威性及其观点立场正确性做任何保证或承诺!文档内容仅供研究参考,付费前请自行鉴别。
3、如文档内容存在违规,或者侵犯商业秘密、侵犯著作权等,请点击“违规举报”。

碎片内容

燃气管道施工方案(很好)

确认删除?
VIP
微信客服
  • 扫码咨询
会员Q群
  • 会员专属群点击这里加入QQ群
客服邮箱
回到顶部