电脑桌面
添加小米粒文库到电脑桌面
安装后可以在桌面快捷访问

物资仓库分类一览表

物资仓库分类一览表_第1页
1/2
物资仓库分类一览表_第2页
2/2
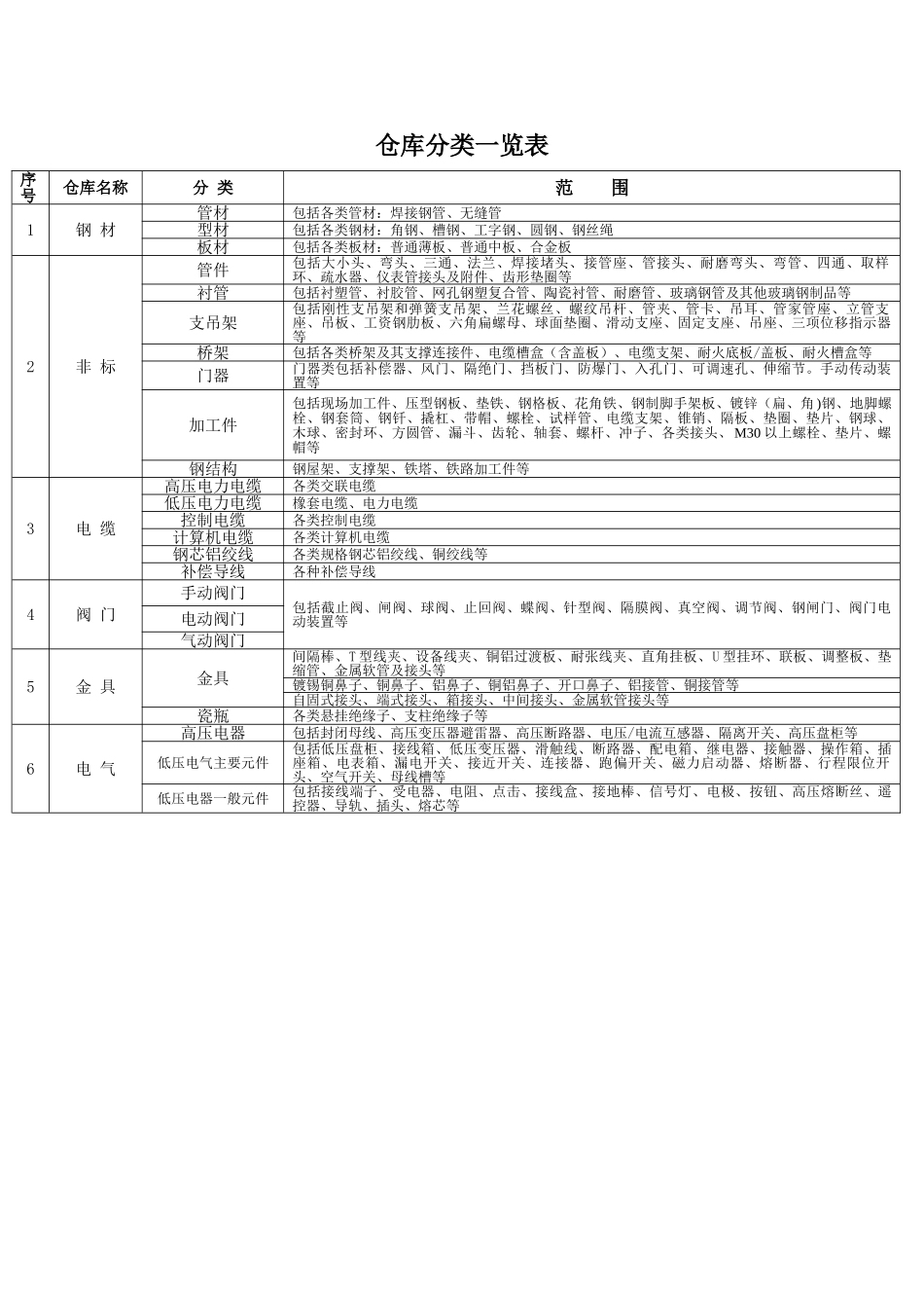
仓库分类一览表序号仓库名称分 类范 围1钢 材管材包括各类管材:焊接钢管、无缝管型材包括各类钢材:角钢、槽钢、工字钢、圆钢、钢丝绳板材包括各类板材:普通薄板、普通中板、合金板2非 标管件包括大小头、弯头、三通、法兰、焊接堵头、接管座、管接头、耐磨弯头、弯管、四通、取样环、疏水器、仪表管接头及附件、齿形垫圈等衬管包括衬塑管、衬胶管、网孔钢塑复合管、陶瓷衬管、耐磨管、玻璃钢管及其他玻璃钢制品等支吊架包括刚性支吊架和弹簧支吊架、兰花螺丝、螺纹吊杆、管夹、管卡、吊耳、管家管座、立管支座、吊板、工资钢肋板、六角扁螺母、球面垫圈、滑动支座、固定支座、吊座、三项位移指示器等桥架包括各类桥架及其支撑连接件、电缆槽盒(含盖板)、电缆支架、耐火底板/盖板、耐火槽盒等门器门器类包括补偿器、风门、隔绝门、挡板门、防爆门、入孔门、可调速孔、伸缩节。手动传动装置等加工件包括现场加工件、压型钢板、垫铁、钢格板、花角铁、钢制脚手架板、镀锌(扁、角 )钢、地脚螺栓、钢套筒、钢钎、撬杠、带帽、螺栓、试样管、电缆支架、锥销、隔板、垫圈、垫片、钢球、木球、密封环、方圆管、漏斗、齿轮、轴套、螺杆、冲子、各类接头、 M30 以上螺栓、垫片、螺帽等钢结构钢屋架、支撑架、铁塔、铁路加工件等3电 缆高压电力电缆各类交联电缆低压电力电缆橡套电缆、电力电缆控制电缆各类控制电缆计算机电缆各类计算机电缆钢芯铝绞线各类规格钢芯铝绞线、铜绞线等补偿导线各种补偿导线4阀 门手动阀门包括截止阀、闸阀、球阀、止回阀、蝶阀、针型阀、隔膜阀、真空阀、调节阀、钢闸门、阀门电动装置等电动阀门气动阀门5金 具金具间隔棒、T 型线夹、设备线夹、铜铝过渡板、耐张线夹、直角挂板、U 型挂环、联板、调整板、垫缩管、金属软管及接头等镀锡铜鼻子、铜鼻子、铝鼻子、铜铝鼻子、开口鼻子、铝接管、铜接管等自固式接头、端式接头、箱接头、中间接头、金属软管接头等瓷瓶各类悬挂绝缘子、支柱绝缘子等6电 气高压电器包括封闭母线、高压变压器避雷器、高压断路器、电压/电流互感器、隔离开关、高压盘柜等低压电气主要元件包括低压盘柜、接线箱、低压变压器、滑触线、断路器、配电箱、继电器、接触器、操作箱、插座箱、电表箱、漏电开关、接近开关、连接器、跑偏开关、磁力启动器、熔断器、行程限位开头、空气开关、母线槽等低压电器一般元件包括接线端子、受电器、电阻、点击、接线盒、接地棒、信号灯、电极、按钮、高...

1、当您付费下载文档后,您只拥有了使用权限,并不意味着购买了版权,文档只能用于自身使用,不得用于其他商业用途(如 [转卖]进行直接盈利或[编辑后售卖]进行间接盈利)。
2、本站所有内容均由合作方或网友上传,本站不对文档的完整性、权威性及其观点立场正确性做任何保证或承诺!文档内容仅供研究参考,付费前请自行鉴别。
3、如文档内容存在违规,或者侵犯商业秘密、侵犯著作权等,请点击“违规举报”。

碎片内容

物资仓库分类一览表

您可能关注的文档

雏圣文化+ 关注
实名认证
内容提供者

欢迎光临,大量办公文档供您挑选。

确认删除?
VIP
微信客服
  • 扫码咨询
会员Q群
  • 会员专属群点击这里加入QQ群
客服邮箱
回到顶部