电脑桌面
添加小米粒文库到电脑桌面
安装后可以在桌面快捷访问

物资设备统计岗位说明书

物资设备统计岗位说明书_第1页
1/3
物资设备统计岗位说明书_第2页
2/3
物资设备统计岗位说明书_第3页
3/3
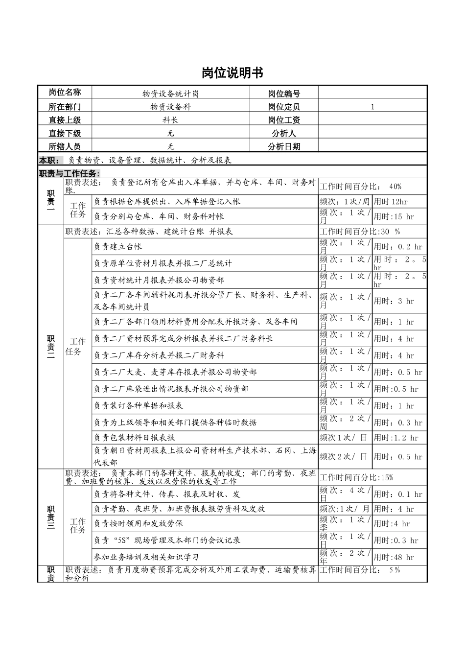
岗位说明书岗位名称物资设备统计岗岗位编号所在部门物资设备科岗位定员1直接上级科长岗位工资直接下级无分析人所辖人员无分析日期本职: 负责物资、设备管理、数据统计、分析及报表职责与工作任务:职责一职责表述: 负责登记所有仓库出入库单据,并与仓库、车间、财务对账.工作时间百分比: 40%工作任务负责根据仓库提供出、入库单据登记入帐频次:1 次/周 用时 12hr负责分别与仓库、车间、财务科对帐频 次 : 1 次 / 月用时:15 hr职责二职责表述:汇总各种数据、建统计台账 并报表工作时间百分比:30 %工作任务负责建立台帐频 次 : 1 次 / 月用时:0.2 hr负责原单位资材月报表并报二厂总统计频 次 : 1 次 / 月用 时 : 2 。 5 hr负责资材统计月报表并报公司物资部频 次 : 1 次 / 月用 时 : 2 。 5 hr负责二厂各车间辅料耗用表并报分管厂长、财务科、生产科、及各车间统计员频 次 : 1 次 / 月用时:3 hr负责二厂各部门领用材料费用分配表并报财务、及各车间频 次 : 1 次 / 月用时:1 hr负责二厂资材预算完成分析报表并报二厂财务科长频 次 : 1 次 / 月用时:4 hr负责二厂库存分析表并报二厂财务科频 次 : 1 次 / 月用时:4 hr负责二厂大麦、麦芽库存报表并报公司物资部频 次 : 1 次 / 月用时:0.5 hr负责二厂麻袋进出情况报表并报公司物资部频 次 : 1 次 / 月用时:0.5 hr负责装订各种单据和报表频 次 : 1 次 / 月用时:1 hr负责为上级领导和相关部门提供各种临时数据频 次 : 2 次 / 周用时:0.3 hr负责包装材料日报表报频次 1 次/ 日 用时:1.2 hr负责朝日资材周报表上报公司资材科生产技术部、石冈、上海代表部频次 2 次/ 日 用时:0.5 hr职责三职责表述: 负责本部门的各种文件、报表的收发;部门的考勤、夜班费、加班费的核算、发放以及劳保的收发等工作工作时间百分比:15%工作任务负责将各种文件、传真、报表及时收、发频 次 : 4 次 / 日用时:0.1 hr负责考勤、夜班费、加班费报表报劳资科及发放频次:1 次/ 月 用时:4 hr负责按时领用和发放劳保频 次 : 1 次 / 季用时:4 hr负责“5S”现场管理及本部门的会议记录频 次 : 1 次 / 日用时:0.3 hr参加业务培训及相关知识学习频 次 : 2 次 / 年用时:48 hr职责职责表述:负责月度物资预算完成分析及外用工装卸费、运输费核算和分...

1、当您付费下载文档后,您只拥有了使用权限,并不意味着购买了版权,文档只能用于自身使用,不得用于其他商业用途(如 [转卖]进行直接盈利或[编辑后售卖]进行间接盈利)。
2、本站所有内容均由合作方或网友上传,本站不对文档的完整性、权威性及其观点立场正确性做任何保证或承诺!文档内容仅供研究参考,付费前请自行鉴别。
3、如文档内容存在违规,或者侵犯商业秘密、侵犯著作权等,请点击“违规举报”。

碎片内容

物资设备统计岗位说明书

文旅传媒+ 关注
实名认证
内容提供者

传播文化,成就未来

确认删除?
VIP
微信客服
  • 扫码咨询
会员Q群
  • 会员专属群点击这里加入QQ群
客服邮箱
回到顶部